STM32(USART)

267 阅读21分钟

1. 串口协议

通信的目的:将一个设备的数据传输到另一个设备,扩展硬件系统

通信协议:制定通讯的规则,通信双方按照通信协议规则进行数据收发

串口是一种应用十分广泛的通讯接口,串口成本低,容易使用,通信线路简单,可以实现两个设备的互相通信。单片机的串口可以使单片机与单片机、单片机与电脑、单片机与各式各样的模块互相通信,极大地扩展了单片机的应用范围,增强了单片机系统的硬件实力

简单双向串口通信结构:

image.png

TX为发送端、RX为接收端,TX/RX的高低电平都是相对GND来说的,所以严格意义上来说GND也是通信线,TX与RX要交叉连接,三根通信线都是必须接的,VCC在两个设备都有独立供电时可以不接,如果其中一个没有供电则需要连接VCC

串口中,每一个字节都需要装载在一个数据帧中,数据帧由起始位,数据位和停止位组成

image.png

串口参数及时序

  • 波特率:串口通信的速率,每秒发送的码元,也是异步接收方的约定好的接收速率
  • 比特率:每秒传输的比特数, 在二进制调试的情况下,波特率等于比特率
  • 起始位:标志一个数据帧的开始,固定为低电平,在空闲状态下为高电平,起始位产生一个下降沿,这个下降沿告诉设备数据帧要开始传输了
  • 数据位:数据帧的有效载荷, 1 为高电平, 0 为低电平,低位先行
  • 校验位:用于数据验证,根据数据位计算得来(奇校验位:保证数据位+校验位中的1的数量为奇数,偶校验位:保证数据位+校验位中的1的数量为偶数)
  • 停止位:用于数据帧间隔,固定为高电平,停止位后就进入空闲,空闲也固定为高电平

2. USART

USART(Universal Synchronous/Asynchronous Receiver/Transmitter)

通用同步/异步串行接收/发送器

USART是一个全双工通用同步/异步串行收发模块(UART,少了个S,就是通用异步收发器,一般我们串口很少使用这个同步功能,所以USART和UART使用起来,也没有什么区别。STM32的USART同步模式,只是多了个时钟输出,它只支持时钟输出,不支持时钟输入,所以这个同步模式更多的是为了,兼容别的协议或者特殊用途而设计的,并不支持两个USART之间进行同步通信)

USART 是 STM32 内部集成的硬件外设,可根据数据寄存器的一个字节数据自动生成数据帧时序,从TX引脚发送出去,也可自动接收RX引脚的数据帧时序,拼接为一个字节数据,存放在数据寄存器里

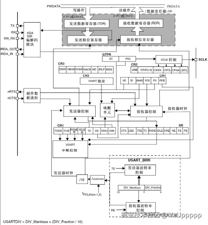
2.1 框图

image.png

数据寄存器

image.png

USART_DR包含了已发送的数据或者接收到的数据。USART_DR实际是包含了两个寄存器,一个专门用于发送的可写TDR, 一个专门用于接收的可读RDR。这两个寄存器占用同一个地址在程序上,只表现为一个寄存器。当进行发送操作时,往USART_DR写入数据会自动存储在TDR内;当进行读取操作时,向USART_DR读取数据会自动提取RDR数据

TDR和RDR都是介于系统总线和移位寄存器之间,串行通信是一个位一个位传输的,发送时把TDR内容转移到发送移位寄存器,然后把移位寄存器数据每一位发送出去,接收时把接收到的每一位顺序保存在接收移位寄存器内然后才转移到RDR。

USART支持DMA传输,可以实现高速数据传输。

移位寄存器

image.png

接收端这里,也是类似的。数据从RX引脚通向接收移位寄存器,在接收器控制的驱动下,一位一位地读取RX电平,先放在最高位,然后向右移,移位8次之后,就能接收一个字节了。同样,因为串口协议规定是低位先行,所以接收移位寄存器是从高位往低位这个方向移动的。之后,当一个字节移位完成之后,这一个字节的数据就会整体地,一下子转移到接收数据寄存器RDR里来,在转移的过程中,也会置一个标志位叫RXNE (RXNot Empty),接收数据寄存器非空,当我们检测到RXNE置1之后,就可以把数据读走了。同样,这里也是两个寄存器进行缓存,当数据从移位寄存器转移到RDR时,就可以直接移位接收下一帧数据了

波特率发生器

其实就是分频器,APB时钟进行分频,得到发送和接收移位的时钟

image.png

fPCLKx(x=1或2),(USART1挂载在APB2,所以就是PCLK2的时钟,一般是72M;其他的USART都挂载在APB1,所以是PCLK1的时钟,一般是36M)之后这个时钟进行一个分频,除一个USARTDIV的分频系数,并且分为了整数部分和小数部分,因为有些波特率,用72M除一个整数的话,可能除不尽,会有误差。所以这里分频系数是支持小数点后4位的,分频就更加精准,之后分频完之后,还要再除个16,得到发送器时钟和接收器时钟,通向控制部分。然后右边这里,如果TE (TX Enable)为1,就是发送器使能了,发送部分的波特率就有效;如果RE(RX Enable)为1,就是接收器使能了,接收部分的波特率就有效。

2.2 其他功能

硬件流控

流控有两个引脚,一个是nRTS,一个是nCTS(n表示低电平有效)

  • nRTS(Request To Send)是请求发送,是输出脚,也就是告诉别人,我当前能不能接收
  • nCTS(Clear To Send)是清除发送,是输入脚,也就是用于接收别人nRTS的信号的
image.png

工作模式:

找到一个支持流控的串口,并将它的TX连接到我们的RX。同时,我们的RTS需要输出一个接收反馈信号,并将其连接到对方的CTS。当我们可以接收数据时,RTS会置为低电平,请求对方发送。对方的CTS接收到信号后,就可以继续发送数据。如果处理不过来,比如接收数据寄存器未及时读取,导致新数据无法接收,此时RTS会置为高电平,对方的CTS接收到信号后,就会暂停发送,直到接收数据寄存器被读取,RTS重新置为低电平,数据才会继续发送

当我们的TX向对方发送数据时,对方的RTS会连接到我们的CTS,用于判断对方是否可以接收数据。TX和CTS是一对对应的信号,RX和RTS也是一对对应的信号。此外,CTS和RTS之间也需要交叉连接,这就是流控的工作模式。(一般不使用流控,少用原因应该是多消耗两根通信线) SCLK

产生同步的时钟信号,它是配合发送移位寄存器输出的,发送寄存器每移位一次,同步时钟电平就跳变一个周期。时钟告诉接收方,我移出去一位数据,你看要不要让我这个时钟信号来指导你接收一下?

当然这个时钟只支持输出,不支持输入,所以两个USART之间,不能实现同步的串口通信

唤醒单元

image.png

这部分的作用是实现串口挂载多设备。串口一般是点对点的通信(只支持两个设备互相通信)。而多设备,在一条总线上,可以接多个从设备,每个设备分配一个地址,如果想跟某个设备通信,就先进行寻址,确定通信对象。这个唤醒单元就可以用来实现多设备的功能,这里可以给串口分配一个地址,当你发送指定地址时,此设备唤醒开始工作,当发送别的设备地址时,别的设备就唤醒工作,这个设备没收到地址,就会保持沉默,这样就可以实现多设备的串口通信了

中断申请

image.png

状态寄存器这里,有两个标志位比较重要,一个是TXE发送寄存器空,另一个是RXNE接收寄存器非空,这两个是判断发送状态和接收状态的必要标志位,中断输出控制这里,就是配置中断是不是能通向NVIC

2.3 起始位侦测和采样位置对齐

串口的输出TX应该是比输入RX简单很多,输出你就定时翻转TX引脚高低电平就行了。但是输入,就复杂一些。你不仅要保证,输入的采样频率和波特率一致,还要保证每次输入采样的位置(要正好处于每一位的正中间,只有在每一位的正中间采样,这样高低电平读进来,才是最可靠的,如果你采样点过于靠前或靠后,那有可能高低电平还正在翻转,电平还不稳定,或者稍有误差,数据就采样错了)

另外,输入最好还要对噪声有一定的判断能力,如果是噪声,最好能置个标志位提醒一下

image.png

输入电路对采样时钟进行了细分,以波特率的16倍频率进行采样。在一位的时间里,可以进行16次采样。比如最开始时,空闲状态为高电平,采样一直是1。在某个位置突然采到0,说明两次采样之间出现了下降沿,如果没有噪声,那之后就应该是起始位了。在起始位,会进行连续16次采样,没有噪声的话,这16次采样肯定都是0。但是实际电路还是会存在一些噪声,所以这里即使出现下降沿了,后续也要再采样几次以防万一

根据手册描述,接收电路在下降沿之后的第3次、5次、7次进行一批采样,在第8次、9次、10次再进行一批采样。这两批采样都要求每3位里面至少应有2个0。

  • 如果没有噪声,那肯定全是0,满足情况
  • 如果有一些轻微的噪声导致3位里面只有两个0,另一个是1,那也算是检测到了起始位(但是会在状态寄存器里会置一个NE(Noise Error),提醒数据收到了但是有噪声)
  • 如果3位里面只有1个0,那就不算检测到了起始位,可能前面那个下降沿是噪声导致的,这时电路就忽略前面的数据重新开始捕捉下降沿。

如果通过了起始位侦测那接收状态就由空闲变为接收起始位同时第8、9、10次采样的位置就正好是起始位的正中间。之后接收数据位时就在第8、9、10次进行采样这样就能保证采样位置在位的正中间。这就是起始位侦测和采样位置对齐的策略

3. 串口收发数据

USART基本结构图

image.png

3.1 串口发送数据

Serial.c

#include "stm32f10x.h"// Device header
#include <stdio.h>
#include <stdarg.h>

/**
  * 函    数:串口初始化
  * 参    数:无
  * 返 回 值:无
  */
void Serial_Init(void)
{
	/*开启时钟*/
	RCC_APB2PeriphClockCmd(RCC_APB2Periph_USART1, ENABLE); //开启USART1的时钟
	RCC_APB2PeriphClockCmd(RCC_APB2Periph_GPIOA, ENABLE); //开启GPIOA的时钟
	
	/*GPIO pin_9初始化,供USART1的TX使用(在引脚定义表里,USART_TX复用到了PA9引脚)*/
	GPIO_InitTypeDef GPIO_InitStructure;
	GPIO_InitStructure.GPIO_Mode = GPIO_Mode_AF_PP; // 复用推挽输出(可以根据需要输出高电平或低电平)
	GPIO_InitStructure.GPIO_Pin = GPIO_Pin_9;
	GPIO_InitStructure.GPIO_Speed = GPIO_Speed_50MHz;
	GPIO_Init(GPIOA, &GPIO_InitStructure);
	
	/*USART1初始化*/
	USART_InitTypeDef USART_InitStructure;
	USART_InitStructure.USART_BaudRate = 9600; //波特率
	USART_InitStructure.USART_HardwareFlowControl = USART_HardwareFlowControl_None; //硬件流控制,不需要
	USART_InitStructure.USART_Mode = USART_Mode_Tx; //发送模式
	USART_InitStructure.USART_Parity = USART_Parity_No; //奇偶校验,不需要
	USART_InitStructure.USART_StopBits = USART_StopBits_1; //停止位,选择1位
	USART_InitStructure.USART_WordLength = USART_WordLength_8b; //字长,不校验,所以选择8位
	USART_Init(USART1, &USART_InitStructure); //将结构体变量交给USART_Init,配置USART1
	
	/*USART使能*/
	USART_Cmd(USART1, ENABLE); //使能USART1,串口开始运行
}
	
/**
  * 函    数:串口发送一个字节
  * 参    数:Byte 要发送的一个字节
  * 返 回 值:无
  */
void Serial_SendByte(uint8_t Byte)
{
	USART_SendData(USART1, Byte); //将字节数据写入数据寄存器,写入后USART自动生成时序波形
	while (USART_GetFlagStatus(USART1, USART_FLAG_TXE) == RESET); //等待发送完成
	/*下次写入数据寄存器会自动清除发送完成标志位,故此循环后,无需清除标志位*/
}

/**
  * 函    数:串口发送一个数组
  * 参    数:Array 要发送数组的首地址
  * 参    数:Length 要发送数组的长度
  * 返 回 值:无
  */
void Serial_SendArray(uint8_t *Array, uint16_t Length)
{
	uint16_t i;
	//遍历数组
	for (i = 0; i < Length; i ++){		
		Serial_SendByte(Array[i]); //依次调用Serial_SendByte发送每个字节数据
	}
}

/**
  * 函    数:串口发送一个字符串
  * 参    数:String 要发送字符串的首地址
  * 返 回 值:无
  */
void Serial_SendString(char *String)
{
	uint8_t i;
	//遍历字符数组(字符串),遇到字符串结束标志位后停止
	for (i = 0; String[i] != '\0'; i ++){
		Serial_SendByte(String[i]); //依次调用Serial_SendByte发送每个字节数据
	}
}

/**
  * 函    数:次方函数(内部使用)
  * 返 回 值:返回值等于X的Y次方
  */
uint32_t Serial_Pow(uint32_t X, uint32_t Y)
{
	uint32_t Result = 1;
	while (Y --){
		Result *= X;
	}
	return Result;
}

/**
  * 函    数:串口发送数字
  * 参    数:Number 要发送的数字,范围:0~4294967295
  * 参    数:Length 要发送数字的长度,范围:0~10
  * 返 回 值:无
  */
void Serial_SendNumber(uint32_t Number, uint8_t Length)
{
	uint8_t i;
	//根据数字长度遍历数字的每一位
	for (i = 0; i < Length; i ++){
		Serial_SendByte(Number / Serial_Pow(10, Length - i - 1) % 10 + '0'); //依次调用Serial_SendByte发送每位数字
	}
}

main.c

#include "stm32f10x.h" // Device header
#include "Delay.h"
#include "OLED.h"
#include "Serial.h"

int main(void)
{
	OLED_Init();
	Serial_Init();
	Serial_SendByte(0x41);
	Serial_SendByte('A'); // 两句发生都是字母A
	uint8_t arr[] = {0x41, 0x42 ,0x43 ,0x44};
	Serial_SendArray(arr, 4);
	Serial_SendString("Hello USART!\r\n");
	Serial_SendNumber(123456, 6);
	while (1){}
}

结果

image.png

3.2 串口接收数据

串口接收数据可以通过轮询和中断两种方式

轮询方式接收数据

在接收一个数据后会置一个RXNE标志位,检查这个标志位,就可以知道是不是收到数据了

Serial.c

#include "stm32f10x.h"                  // Device header

void Serial_Init(void)
{
	RCC_APB2PeriphClockCmd(RCC_APB2Periph_USART1, ENABLE);
	RCC_APB2PeriphClockCmd(RCC_APB2Periph_GPIOA, ENABLE);
	
	GPIO_InitTypeDef GPIO_InitStructure;
	GPIO_InitStructure.GPIO_Mode = GPIO_Mode_AF_PP;
	GPIO_InitStructure.GPIO_Pin = GPIO_Pin_9;
	GPIO_InitStructure.GPIO_Speed = GPIO_Speed_50MHz;
	GPIO_Init(GPIOA, &GPIO_InitStructure);
	
        // USART1_RX 复用PA10
	GPIO_InitStructure.GPIO_Mode = GPIO_Mode_IPU;
	GPIO_InitStructure.GPIO_Pin = GPIO_Pin_10;
	GPIO_InitStructure.GPIO_Speed = GPIO_Speed_50MHz;
	GPIO_Init(GPIOA, &GPIO_InitStructure);
	
	USART_InitTypeDef USART_InitStructure;
	USART_InitStructure.USART_BaudRate = 9600;
	USART_InitStructure.USART_HardwareFlowControl = USART_HardwareFlowControl_None;
	USART_InitStructure.USART_Mode = USART_Mode_Rx; // 选择接收模式
	USART_InitStructure.USART_Parity = USART_Parity_No;
	USART_InitStructure.USART_StopBits = USART_StopBits_1;
	USART_InitStructure.USART_WordLength = USART_WordLength_8b;
	USART_Init(USART1, &USART_InitStructure);
	
	USART_Cmd(USART1, ENABLE);
}

main.c

#include "stm32f10x.h"
#include "OLED.h"
#include "Serial.h"

uint8_t RxData;

int main(void){

	OLED_Init();
	OLED_ShowString(1, 1, "RxData:");
	
	Serial_Init();
	
	while (1){
		// 轮询方式接收数据:
		// 当RDR移位寄存器中的数据被转移到USARTDR寄存器中, 会设置标注位RXNE
		if (USART_GetFlagStatus(USART1, USART_FLAG_RXNE) == SET) {
			RxData = USART_ReceiveData(USART1); // 根据手册,读USART_DR进行读操作会清空标志位
			OLED_ShowHexNum(1, 8, RxData, 2);
		}
	}
}

中断方式接收数据

当RDR移位寄存器中的数据被转移到USARTDR寄存器中, 会设置标注位RXNE,同时会申请中断

#include "stm32f10x.h"

uint8_t Serial_RxData;
uint8_t Serial_RxFlag;

void Serial_Init(void)
{
	RCC_APB2PeriphClockCmd(RCC_APB2Periph_USART1, ENABLE);
	RCC_APB2PeriphClockCmd(RCC_APB2Periph_GPIOA, ENABLE);
	
	GPIO_InitTypeDef GPIO_InitStructure;
	GPIO_InitStructure.GPIO_Mode = GPIO_Mode_AF_PP;
	GPIO_InitStructure.GPIO_Pin = GPIO_Pin_9;
	GPIO_InitStructure.GPIO_Speed = GPIO_Speed_50MHz;
	GPIO_Init(GPIOA, &GPIO_InitStructure);
	
	GPIO_InitStructure.GPIO_Mode = GPIO_Mode_IPU;
	GPIO_InitStructure.GPIO_Pin = GPIO_Pin_10;
	GPIO_InitStructure.GPIO_Speed = GPIO_Speed_50MHz;
	GPIO_Init(GPIOA, &GPIO_InitStructure);
	
	USART_InitTypeDef USART_InitStructure;
	USART_InitStructure.USART_BaudRate = 9600;
	USART_InitStructure.USART_HardwareFlowControl = USART_HardwareFlowControl_None;
	USART_InitStructure.USART_Mode = USART_Mode_Rx;
	USART_InitStructure.USART_Parity = USART_Parity_No;
	USART_InitStructure.USART_StopBits = USART_StopBits_1;
	USART_InitStructure.USART_WordLength = USART_WordLength_8b;
	USART_Init(USART1, &USART_InitStructure);
	
	// 中断配置
	USART_ITConfig(USART1, USART_IT_RXNE, ENABLE);
	NVIC_PriorityGroupConfig(NVIC_PriorityGroup_2);

	NVIC_InitTypeDef NVIC_InitStructure;
	NVIC_InitStructure.NVIC_IRQChannel = USART1_IRQn; // USART1对应通道
	NVIC_InitStructure.NVIC_IRQChannelCmd = ENABLE;
	NVIC_InitStructure.NVIC_IRQChannelPreemptionPriority = 1;
	NVIC_InitStructure.NVIC_IRQChannelSubPriority = 1;
	NVIC_Init(&NVIC_InitStructure);
	
	USART_Cmd(USART1, ENABLE);
}

uint8_t Serial_GetRxFlag(void)
{
	if (Serial_RxFlag == 1){
		Serial_RxFlag = 0;
		return 1;
	}
	return 0;
}

uint8_t Serial_GetRxData(void)
{
	return Serial_RxData;
}

void USART1_IRQHandler(void)
{
	if (USART_GetITStatus(USART1, USART_IT_RXNE) == SET){
		Serial_RxData = USART_ReceiveData(USART1);
		Serial_RxFlag = 1;
		USART_ClearITPendingBit(USART1, USART_IT_RXNE); // 可以不清(读取DR会自动清除)
	}
}

main.c

#include "stm32f10x.h"
#include "OLED.h"
#include "Serial.h"

uint8_t RxData;

int main(void)
{
    OLED_Init();
    OLED_ShowString(1, 1, "RxData:");
    Serial_Init();
    while (1){
        // 使用中断的方式接收数据
        // 这种方式的优势在于分离了中断处理和主函数的逻辑,使得代码更具模块化和可维护性
        if (Serial_GetRxFlag() == 1){
            RxData = Serial_GetRxData();
            OLED_ShowHexNum(1, 8, RxData, 2);
        }
    }
}

3.3 串口数据包

image.png

串口收发HEX数据包

收发定长HEX数据包(16进制数据),数据包以'0xFF'开头,'0xFE'结尾,数据长度固定

image.png

image.png

Serial.h

#include "stm32f10x.h"                  // Device header
#include <stdio.h>
#include <stdarg.h>

uint8_t Serial_TxPacket[4];//定义发送数据包数组,数据包格式:FF 01 02 03 04 FE
uint8_t Serial_RxPacket[4];//定义接收数据包数组
uint8_t Serial_RxFlag;//定义接收数据包标志位

/**
  * 函    数:串口初始化
  * 参    数:无
  * 返 回 值:无
  */
void Serial_Init(void)
{
	/*开启时钟*/
	RCC_APB2PeriphClockCmd(RCC_APB2Periph_USART1, ENABLE);	//开启USART1的时钟
	RCC_APB2PeriphClockCmd(RCC_APB2Periph_GPIOA, ENABLE);	//开启GPIOA的时钟
	
	/*GPIO初始化*/
	GPIO_InitTypeDef GPIO_InitStructure;
	GPIO_InitStructure.GPIO_Mode = GPIO_Mode_AF_PP;
	GPIO_InitStructure.GPIO_Pin = GPIO_Pin_9;
	GPIO_InitStructure.GPIO_Speed = GPIO_Speed_50MHz;
	GPIO_Init(GPIOA, &GPIO_InitStructure);					//将PA9引脚初始化为复用推挽输出
	
	GPIO_InitStructure.GPIO_Mode = GPIO_Mode_IPU;
	GPIO_InitStructure.GPIO_Pin = GPIO_Pin_10;
	GPIO_InitStructure.GPIO_Speed = GPIO_Speed_50MHz;
	GPIO_Init(GPIOA, &GPIO_InitStructure);					//将PA10引脚初始化为上拉输入
	
	/*USART初始化*/
	USART_InitTypeDef USART_InitStructure;
	USART_InitStructure.USART_BaudRate = 9600;
	USART_InitStructure.USART_HardwareFlowControl = USART_HardwareFlowControl_None;	//硬件流控制,不需要
	USART_InitStructure.USART_Mode = USART_Mode_Tx | USART_Mode_Rx;	//模式,发送模式和接收模式均选择
	USART_InitStructure.USART_Parity = USART_Parity_No;
	USART_InitStructure.USART_StopBits = USART_StopBits_1;
	USART_InitStructure.USART_WordLength = USART_WordLength_8b;
	USART_Init(USART1, &USART_InitStructure);
	
	/*中断输出配置*/
	USART_ITConfig(USART1, USART_IT_RXNE, ENABLE);
	
	/*NVIC中断分组*/
	NVIC_PriorityGroupConfig(NVIC_PriorityGroup_2);
	
	/*NVIC配置*/
	NVIC_InitTypeDef NVIC_InitStructure;
	NVIC_InitStructure.NVIC_IRQChannel = USART1_IRQn;
	NVIC_InitStructure.NVIC_IRQChannelCmd = ENABLE;	
	NVIC_InitStructure.NVIC_IRQChannelPreemptionPriority = 1;
	NVIC_InitStructure.NVIC_IRQChannelSubPriority = 1;
	NVIC_Init(&NVIC_InitStructure);	
	
	/*USART使能*/
	USART_Cmd(USART1, ENABLE);
}

void Serial_SendByte(uint8_t Byte)
{
	USART_SendData(USART1, Byte);
	while (USART_GetFlagStatus(USART1, USART_FLAG_TXE) == RESET);
}

void Serial_SendArray(uint8_t *Array, uint16_t Length)
{
	uint16_t i;
	for (i = 0; i < Length; i ++)
	{
		Serial_SendByte(Array[i]);
	}
}

void Serial_SendString(char *String)
{
	uint8_t i;
	for (i = 0; String[i] != '\0'; i ++)
	{
		Serial_SendByte(String[i]);
	}
}

uint32_t Serial_Pow(uint32_t X, uint32_t Y)
{
	uint32_t Result = 1;
	while (Y --)
	{
		Result *= X;
	}
	return Result;
}

void Serial_SendNumber(uint32_t Number, uint8_t Length)
{
	uint8_t i;
	for (i = 0; i < Length; i ++)
	{
		Serial_SendByte(Number / Serial_Pow(10, Length - i - 1) % 10 + '0');
	}
}

/**
  * 函    数:串口发送数据包
  * 参    数:无
  * 返 回 值:无
  * 说    明:调用此函数后,Serial_TxPacket数组的内容将加上包头(FF)包尾(FE)后,作为数据包发送出去
  */
void Serial_SendPacket(void)
{
	Serial_SendByte(0xFF);
	Serial_SendArray(Serial_TxPacket, 4);
	Serial_SendByte(0xFE);
}

/**
  * 函    数:获取串口接收数据包标志位
  * 参    数:无
  * 返 回 值:串口接收数据包标志位,范围:0~1,接收到数据包后,标志位置1,读取后标志位自动清零
  */
uint8_t Serial_GetRxFlag(void)
{
	if (Serial_RxFlag == 1)			//如果标志位为1
	{
		Serial_RxFlag = 0;
		return 1;					//则返回1,并自动清零标志位
	}
	return 0;						//如果标志位为0,则返回0
}

/**
  * 函    数:USART1中断函数
  * 参    数:无
  * 返 回 值:无
  * 注意事项:此函数为中断函数,无需调用,中断触发后自动执行
  *           函数名为预留的指定名称,可以从启动文件复制
  *           请确保函数名正确,不能有任何差异,否则中断函数将不能进入
  */
void USART1_IRQHandler(void)
{
	static uint8_t RxState = 0;		//定义表示当前状态机状态的静态变量
	static uint8_t pRxPacket = 0;	//定义表示当前接收数据位置的静态变量
	if (USART_GetITStatus(USART1, USART_IT_RXNE) == SET)//判断是否是USART1的接收事件触发的中断
	{
		uint8_t RxData = USART_ReceiveData(USART1);//读取数据寄存器,存放在接收的数据变量
		
		/*使用状态机的思路,依次处理数据包的不同部分*/
		
		/*当前状态为0,接收数据包包头*/
		if (RxState == 0)
		{
			if (RxData == 0xFF)			//如果数据确实是包头
			{
				RxState = 1;			//置下一个状态
				pRxPacket = 0;			//数据包的位置归零
			}
		}
		/*当前状态为1,接收数据包数据*/
		else if (RxState == 1)
		{
			Serial_RxPacket[pRxPacket] = RxData;	//将数据存入数据包数组的指定位置
			pRxPacket ++;				//数据包的位置自增
			if (pRxPacket >= 4)			//如果收够4个数据
			{
				RxState = 2;			//置下一个状态
			}
		}
		/*当前状态为2,接收数据包包尾*/
		else if (RxState == 2)
		{
			if (RxData == 0xFE)			//如果数据确实是包尾部
			{
				RxState = 0;			//状态归0
				Serial_RxFlag = 1;		//接收数据包标志位置1,成功接收一个数据包
			}
		}
		USART_ClearITPendingBit(USART1, USART_IT_RXNE);	//清除标志位
	}
}

main.c

#include "stm32f10x.h"                  // Device header
#include "Delay.h"
#include "OLED.h"
#include "Serial.h"
#include "Key.h"

uint8_t KeyNum;			//定义用于接收按键键码的变量

int main(void)
{
	/*模块初始化*/
	OLED_Init();		//OLED初始化
	Key_Init();			//按键初始化
	Serial_Init();		//串口初始化
	
	/*显示静态字符串*/
	OLED_ShowString(1, 1, "TxPacket");
	OLED_ShowString(3, 1, "RxPacket");
	
	/*设置发送数据包数组的初始值,用于测试*/
	Serial_TxPacket[0] = 0x01;
	Serial_TxPacket[1] = 0x02;
	Serial_TxPacket[2] = 0x03;
	Serial_TxPacket[3] = 0x04;
	
	while (1)
	{
		KeyNum = Key_GetNum();			//获取按键键码
		if (KeyNum == 1)				//按键1按下
		{
			Serial_TxPacket[0] ++;		//测试数据自增
			Serial_TxPacket[1] ++;
			Serial_TxPacket[2] ++;
			Serial_TxPacket[3] ++;
			
			Serial_SendPacket();		//串口发送数据包Serial_TxPacket
			
			OLED_ShowHexNum(2, 1, Serial_TxPacket[0], 2);	//显示发送的数据包
			OLED_ShowHexNum(2, 4, Serial_TxPacket[1], 2);
			OLED_ShowHexNum(2, 7, Serial_TxPacket[2], 2);
			OLED_ShowHexNum(2, 10, Serial_TxPacket[3], 2);
		}
		
		if (Serial_GetRxFlag() == 1)	//如果接收到数据包(串口发送的格式为FF data1...data4 FE)
		{
			OLED_ShowHexNum(4, 1, Serial_RxPacket[0], 2);	//显示接收的数据包
			OLED_ShowHexNum(4, 4, Serial_RxPacket[1], 2);
			OLED_ShowHexNum(4, 7, Serial_RxPacket[2], 2);
			OLED_ShowHexNum(4, 10, Serial_RxPacket[3], 2);
		}
	}
}

串口收发文本数据包

收发可变包长的文本数据包,以为'@'开头,'\n'结尾

image.png

image.png

serial.c

#include "stm32f10x.h"                  // Device header
#include <stdio.h>
#include <stdarg.h>

char Serial_RxPacket[100];				//"@MSG\r\n"
uint8_t Serial_RxFlag;

void Serial_Init(void)
{
	RCC_APB2PeriphClockCmd(RCC_APB2Periph_USART1, ENABLE);
	RCC_APB2PeriphClockCmd(RCC_APB2Periph_GPIOA, ENABLE);
	
	GPIO_InitTypeDef GPIO_InitStructure;
	GPIO_InitStructure.GPIO_Mode = GPIO_Mode_AF_PP;
	GPIO_InitStructure.GPIO_Pin = GPIO_Pin_9;
	GPIO_InitStructure.GPIO_Speed = GPIO_Speed_50MHz;
	GPIO_Init(GPIOA, &GPIO_InitStructure);
	
	GPIO_InitStructure.GPIO_Mode = GPIO_Mode_IPU;
	GPIO_InitStructure.GPIO_Pin = GPIO_Pin_10;
	GPIO_InitStructure.GPIO_Speed = GPIO_Speed_50MHz;
	GPIO_Init(GPIOA, &GPIO_InitStructure);
	
	USART_InitTypeDef USART_InitStructure;
	USART_InitStructure.USART_BaudRate = 9600;
	USART_InitStructure.USART_HardwareFlowControl = USART_HardwareFlowControl_None;
	USART_InitStructure.USART_Mode = USART_Mode_Tx | USART_Mode_Rx;
	USART_InitStructure.USART_Parity = USART_Parity_No;
	USART_InitStructure.USART_StopBits = USART_StopBits_1;
	USART_InitStructure.USART_WordLength = USART_WordLength_8b;
	USART_Init(USART1, &USART_InitStructure);
	
	USART_ITConfig(USART1, USART_IT_RXNE, ENABLE);
	
	NVIC_PriorityGroupConfig(NVIC_PriorityGroup_2);
	
	NVIC_InitTypeDef NVIC_InitStructure;
	NVIC_InitStructure.NVIC_IRQChannel = USART1_IRQn;
	NVIC_InitStructure.NVIC_IRQChannelCmd = ENABLE;
	NVIC_InitStructure.NVIC_IRQChannelPreemptionPriority = 1;
	NVIC_InitStructure.NVIC_IRQChannelSubPriority = 1;
	NVIC_Init(&NVIC_InitStructure);
	
	USART_Cmd(USART1, ENABLE);
}

void Serial_SendByte(uint8_t Byte)
{
	USART_SendData(USART1, Byte);
	while (USART_GetFlagStatus(USART1, USART_FLAG_TXE) == RESET);
}

void Serial_SendArray(uint8_t *Array, uint16_t Length)
{
	uint16_t i;
	for (i = 0; i < Length; i ++)
	{
		Serial_SendByte(Array[i]);
	}
}

void Serial_SendString(char *String)
{
	uint8_t i;
	for (i = 0; String[i] != '\0'; i ++)
	{
		Serial_SendByte(String[i]);
	}
}

uint32_t Serial_Pow(uint32_t X, uint32_t Y)
{
	uint32_t Result = 1;
	while (Y --)
	{
		Result *= X;
	}
	return Result;
}

void Serial_SendNumber(uint32_t Number, uint8_t Length)
{
	uint8_t i;
	for (i = 0; i < Length; i ++)
	{
		Serial_SendByte(Number / Serial_Pow(10, Length - i - 1) % 10 + '0');
	}
}

int fputc(int ch, FILE *f)
{
	Serial_SendByte(ch);
	return ch;
}

void Serial_Printf(char *format, ...)
{
	char String[100];
	va_list arg;
	va_start(arg, format);
	vsprintf(String, format, arg);
	va_end(arg);
	Serial_SendString(String);
}

void USART1_IRQHandler(void)
{
	static uint8_t RxState = 0;
	static uint8_t pRxPacket = 0;
	if (USART_GetITStatus(USART1, USART_IT_RXNE) == SET)
	{
		uint8_t RxData = USART_ReceiveData(USART1);
		
		if (RxState == 0){
                  // 如果发送数据太快,这个没处理万完,下一个又来了,这里规定Serial_RxFlag-0的时候才开始处理
			// 写数据和读数据严格分开
			if (RxData == '@' && Serial_RxFlag == 0){
				RxState = 1;
				pRxPacket = 0;
			}
		}
		else if (RxState == 1){
			if (RxData == '\r'){
				RxState = 2;
			}
			else{
				Serial_RxPacket[pRxPacket] = RxData;
				pRxPacket ++;
			}
		}
		else if (RxState == 2){
			if (RxData == '\n'){
				RxState = 0;
				Serial_RxPacket[pRxPacket] = '\0';
				Serial_RxFlag = 1;
			}
		}
		
		USART_ClearITPendingBit(USART1, USART_IT_RXNE);
	}
}

main.c

#include "stm32f10x.h"                  // Device header
#include "Delay.h"
#include "OLED.h"
#include "Serial.h"
#include "LED.h"
#include "string.h"

int main(void)
{
	OLED_Init();
	LED_Init();
	Serial_Init();
	
	OLED_ShowString(1, 1, "TxPacket");
	OLED_ShowString(3, 1, "RxPacket");
	
	while (1)
	{
		if (Serial_RxFlag == 1){
			OLED_ShowString(4, 1, "                ");
			OLED_ShowString(4, 1, Serial_RxPacket);
			
			if (strcmp(Serial_RxPacket, "LED_ON") == 0){
				LED1_ON();
				Serial_SendString("LED_ON_OK\r\n");
				OLED_ShowString(2, 1, "                ");
				OLED_ShowString(2, 1, "LED_ON_OK");
			}
			else if (strcmp(Serial_RxPacket, "LED_OFF") == 0){
				LED1_OFF();
				Serial_SendString("LED_OFF_OK\r\n");
				OLED_ShowString(2, 1, "                ");
				OLED_ShowString(2, 1, "LED_OFF_OK");
			}
			else{
				Serial_SendString("ERROR_COMMAND\r\n");
				OLED_ShowString(2, 1, "                ");
				OLED_ShowString(2, 1, "ERROR_COMMAND");
			}
			
			Serial_RxFlag = 0;  // 发送完后才置标志位
		}
	}
}