理解Socket

138 阅读4分钟

socket有两个,一个叫作监听Socket,一个叫作已连接Socket。

TCP协议socket调用过程

TCP的服务端要先监听一个端口,一般是先调用bind函数,给这个Socket赋予一个IP地址和端口。

当服务端有了IP和端口号,就可以调用listen函数进行监听。在TCP的状态图里面,有一个listen状态,当调用这个函数之后,服务端就进入了这个状态,这个时候客户端就可以发起连接了。

在内核中,为每个Socket维护两个队列。一个是已经建立了连接的队列,这时候连接三次握手已经完毕,处于established状态;一个是还没有完全建立连接的队列,这个时候三次握手还没完成,处于syn_rcvd的状态。

接下来,服务端调用accept函数,拿出一个已经完成的连接进行处理。如果还没有完成,就要等着。

在服务端等待的时候,客户端可以通过connect函数发起连接。先在参数中指明要连接的IP地址和端口号,然后开始发起三次握手。内核会给客户端分配一个临时的端口。一旦握手成功,服务端的accept就会返回另一个Socket。

image.png

说TCP的Socket就是一个文件流,是非常准确的。因为,Socket在Linux中就是以文件的形式存在的。除此之外,还存在文件描述符。写入和读出,也是通过文件描述符。

在内核中,Socket是一个文件,那对应就有文件描述符。每一个进程都有一个数据结构task_struct,里面指向一个文件描述符数组,来列出这个进程打开的所有文件的文件描述符。文件描述符是一个整数,是这个数组的下标。

这个数组中的内容是一个指针,指向内核中所有打开的文件的列表。既然是一个文件,就会有一个inode,只不过Socket对应的inode不像真正的文件系统一样,保存在硬盘上的,而是在内存中的。在这个inode中,指向了Socket在内核中的Socket结构。

在这个结构里面,主要的是两个队列,一个是发送队列,一个是接收队列。在这两个队列里面保存的是一个缓存sk_buff。这个缓存里面能够看到完整的包的结构

数据结构体图:

image.png

基于UDP协议的Socket

UDP是没有连接的,所以不需要三次握手,也就不需要调用listen和connect,但是,UDP的的交互仍然需要IP和端口号,因而也需要bind。UDP是没有维护连接状态的,因而不需要每对连接建立一组Socket,而是只要有一个Socket,就能够和多个客户端通信。也正是因为没有连接状态,每次通信的时候,都调用sendto和recvfrom,都可以传入IP地址和端口。

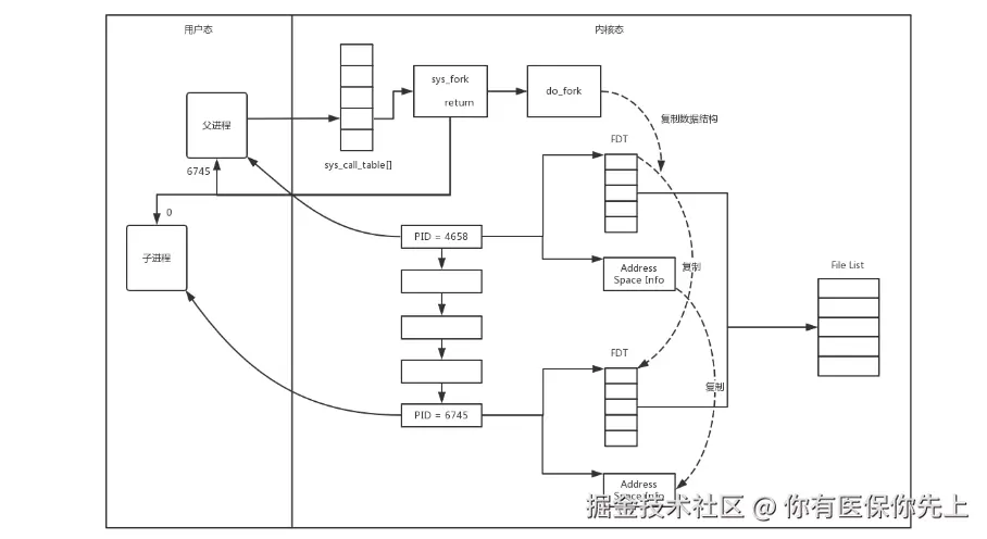
image.png LInux fork 流程图:

image.png 线程fork:

image.png

IO多路复用

epoll,它在内核中的实现不是通过轮询的方式,而是通过注册callback函数的方式,当某个文件描述符发送变化的时候,就会主动通知。

image.png

如图所示,假设进程打开了Socket m, n, x等多个文件描述符,现在需要通过epoll来监听是否这些Socket都有事件发生。其中epoll_create创建一个epoll对象,也是一个文件,也对应一个文件描述符,同样也对应着打开文件列表中的一项。在这项里面有一个红黑树,在红黑树里,要保存这个epoll要监听的所有Socket。

当epoll_ctl添加一个Socket的时候,其实是加入这个红黑树,同时红黑树里面的节点指向一个结构,将这个结构挂在被监听的Socket的事件列表中。当一个Socket来了一个事件的时候,可以从这个列表中得到epoll对象,并调用call back通知它。

这种通知方式使得监听的Socket数据增加的时候,效率不会大幅度降低,能够同时监听的Socket的数目也非常的多了。上限就为系统定义的、进程打开的最大文件描述符个数。因而,epoll被称为解决C10K问题的利器。