基于FPGA的BPSK调制解调系统,包含testbench,高斯信道模块,误码率统计模块,可以设置不同SNR

62 阅读4分钟

1.算法仿真效果

        本系统在以前写过的BPSK调制解调系统的基础上,增加了高斯信道模块,误码率统计模块,可以验证不同SNR情况下的BPSK误码情况。

 

vivado2019.2仿真结果如下(完整代码运行后无水印):

 

SNR=0db:

 

60977d25c401f4e05c475cde46efc65b_watermark,size_14,text_QDUxQ1RP5Y2a5a6i,color_FFFFFF,t_100,g_se,x_10,y_10,shadow_20,type_ZmFuZ3poZW5naGVpdGk=.jpg

SNR=5db:

4e1c5175297a271821fbb765a02afe2f_watermark,size_14,text_QDUxQ1RP5Y2a5a6i,color_FFFFFF,t_100,g_se,x_10,y_10,shadow_20,type_ZmFuZ3poZW5naGVpdGk=.jpg  

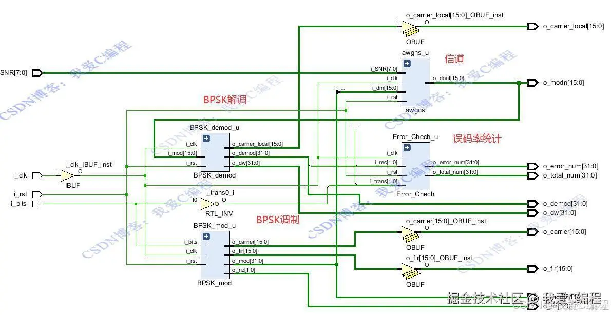
系统RTL结构如下:

 

64d52062fa6a2975495d1b070e07f0d7_watermark,size_14,text_QDUxQ1RP5Y2a5a6i,color_FFFFFF,t_100,g_se,x_10,y_10,shadow_20,type_ZmFuZ3poZW5naGVpdGk=.jpg

 

2.算法涉及理论知识概要

      BPSK信号与2ASK信号的时域表达式在形式上是完全相同的,所不同的只是两者基带信号s(t)的构成,一个由双极性NRZ码组成,另一个由单极性NRZ码组成。因此,求BPSK信号的功率谱密度时,也可采用与求2ASK信号功率谱密度相同的方法。

(1)当双极性基带信号以相等的概率(p=1/2)出现时,BPSK信号的功率谱仅由连续谱组成。BPSK信号的功率谱由连续谱和离散谱两部分组成。其中,连续谱取决于数字基带信号s(t)经线性调制后的双边带谱,而离散谱则由载波分量确定。

(2)BPSK的连续谱部分与2ASK信号的连续谱基本相同(仅差一个常数因子)。因此,BPSK信号的带宽、频带利用率也与2ASK信号的相同。

        在数字调制中,BPSK(后面将会看到2DPSK也同样)的频谱特性与2ASK十分相似。相位调制和频率调制一样,本质上是一种非线性调制,但在数字调相中,由于表征信息的相位变化只有有限的离散取值,因此,可以把相位变化归结为幅度变化。这样一来,数字调相同线性调制的数字调幅就联系起来了,为此可以把数字调相信号当作线性调制信号来处理了。但是不能把上述概念推广到所有调相信号中去。

       BPSK (Binary Phase Shift Keying)-------二进制相移键控。是把模拟信号转换成数据值的转换方式之一,利用偏离相位的复数波浪组合来表现信息键控移相方式。BPSK使用了基准的正弦波和相位反转的波浪,使一方为0,另一方为1,从而可以同时传送接受2值(1比特)的信息。

 

       由于最单纯的键控移相方式虽抗噪音较强但传送效率差,所以常常使用利用4个相位的QPSK和利用8个相位的BPSK。

 

        ​二进制相移键控(BPSK)信号进行相干解调的系统,其包括:用于从所述BPSK信号中恢复出频率为2F的载波信号(C)的装置;用于将频率为2F的所述信号注入到注入锁定振荡器(ILO)中的装置,该注入锁定振荡器的固有谐振频率为f↓[r],该f↓[r]大致等于f,该注入锁定振荡器提供用于恢复具有(θ↓[e]-k)/2相移的原始载波的差分输出(o↓[p]、o↓[n])信号,其中θ=arcsin[(f↓[r]-r)/αA↓[i]f],其中α和k是取决于所述注入锁定振荡器(ILO)中的主要非线性的类型的参数,而A↓[i]是所恢复的频率为2f的载波信号的幅值,以及用于将所述差分输出(o↓[p]、o↓[n])信号与所述输入BPSK信号的副本进行组合,以产生解调信号(DEMOD)的装置。

 

3.Verilog核心程序 ``timescale 1ns / 1ps

 

module test_BPSK;

 

 

reg i_clk;

reg i_rst;

reg i_bits;

reg signed[7:0]i_SNR;

wire signed[1:0]o_nz;

wire signed[15:0]o_fir;

wire signed[15:0]o_carrier;

wire signed[31:0]o_mod;

wire signed[15:0]o_modn;

wire signed[15:0]o_carrier_local;

wire signed[31:0]o_dw;

wire signed[31:0]o_demod ;

wire signed[31:0]o_error_num;

wire signed[31:0]o_total_num;

BPSK uut(

.i_clk(i_clk),

.i_rst(i_rst),

.i_bits(i_bits),

.i_SNR(i_SNR),

.o_nz(o_nz),

.o_fir(o_fir),

.o_carrier(o_carrier),

.o_mod(o_mod),

.o_modn(o_modn),

.o_carrier_local(o_carrier_local),

.o_dw(o_dw),

.o_demod(o_demod),

.o_error_num(o_error_num),

.o_total_num(o_total_num)

);

 

 

 

initial

begin

    i_clk = 1'b1;

    i_rst = 1'b1;

    i_SNR=5;//这个地方可以设置信噪比,数值大小从0~50,

    #1000

    i_rst = 1'b0;

end

initial

begin

    i_bits= 1'b0;

    #1000

    repeat(10000)

    begin

    #2560

    i_bits= 1'b1;

    #2560

    i_bits= 1'b0;

    #2560

    i_bits= 1'b0;

    #5120

    i_bits= 1'b1;

    #640

    i_bits= 1'b1;

    #2560

    i_bits= 1'b0;

    #2560

    i_bits= 1'b1;

    #2560

    i_bits= 1'b1;

    #2560

    i_bits= 1'b0;

    #2560

    i_bits= 1'b0;

    #320

    i_bits= 1'b0;

    #320

    i_bits= 1'b0;

    #320

    i_bits= 1'b1;

    #640

    i_bits= 1'b1;

    #2560

    i_bits= 1'b0;

    #2560

    i_bits= 1'b1;

    #2560

    i_bits= 1'b0;

    end

end

always #5 i_clk=~i_clk;

endmodule

0sj_006m`