基于FPGA的2FSK调制解调系统,包含testbench,高斯信道模块,误码率统计模块,可以设置不同SNR

131 阅读4分钟

1.算法仿真效果

      本系统在以前写过的FSK调制解调系统的基础上,增加了高斯信道模块,误码率统计模块,可以验证不同SNR情况下的FSK误码情况。

 

vivado2019.2仿真结果如下(完整代码运行后无水印):

 

SNR=16db

 

59d490940aa700348aaaac2ededabf51_watermark,size_14,text_QDUxQ1RP5Y2a5a6i,color_FFFFFF,t_100,g_se,x_10,y_10,shadow_20,type_ZmFuZ3poZW5naGVpdGk=.jpg

 

SNR=10db

 

d7f1fa43952f94a97c119a25af3dc31c_watermark,size_14,text_QDUxQ1RP5Y2a5a6i,color_FFFFFF,t_100,g_se,x_10,y_10,shadow_20,type_ZmFuZ3poZW5naGVpdGk=.jpg

 

SNR=5db

 

b95c351020d6cdf4019d376163f7cc91_watermark,size_14,text_QDUxQ1RP5Y2a5a6i,color_FFFFFF,t_100,g_se,x_10,y_10,shadow_20,type_ZmFuZ3poZW5naGVpdGk=.jpg

 

SNR=0db

 

f0a90e578f2ddcd36173b7696e32e3e9_watermark,size_14,text_QDUxQ1RP5Y2a5a6i,color_FFFFFF,t_100,g_se,x_10,y_10,shadow_20,type_ZmFuZ3poZW5naGVpdGk=.jpg

 

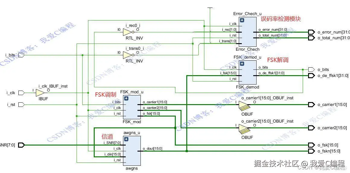
RTL结构图如下:

 

0d38c0408888fc1fd1f6fb86f92d7eaa_watermark,size_14,text_QDUxQ1RP5Y2a5a6i,color_FFFFFF,t_100,g_se,x_10,y_10,shadow_20,type_ZmFuZ3poZW5naGVpdGk=.jpg

 

2.算法涉及理论知识概要

        频移键控是利用载波的频率变化来传递数字信息。数字频率调制是数据通信中使用较 早的一种通信方式,由于这种调制解调方式容易实现,抗噪声和抗衰减性能较强,因此在 中低速数字通信系统中得到了较为广泛的应用。

 

        在二进制频移键控中,幅度恒定不变的载波信号的频率随着输入码流的变化而切换(称为高音和低音,代表二进制的1 和0)。产生FSK 信号最简单的方法是根据输入的数据比特是0还是1,在两个独立的振荡器中切换。采用这种方法产生的波形在切换的时刻相位是不连续的,因此这种FSK 信号称为不连续FSK 信号。由于相位的不连续会造频谱扩展,这种FSK 的调制方式在传统的通信设备中采用较多。随着数字处理技术的不断发展,越来越多地采用连继相位FSK调制技术。目前较常用产生FSK 信号的方法是,首先产生FSK 基带信号,利用基带信号对单一载波振荡器进行频率调制。相位连续的FSK信号的功率谱密度函数最终按照频率偏移的负四次幂衰落。如果相位不连续,功率谱密度函数按照频率偏移的负二次幂衰落。

 

2-FSK功率谱密度的特点如下:

 

(1) 2FSK信号的功率谱由连续谱和离散谱两部分构成,离散谱出现在f1和f2位置;

 

(2) 功率谱密度中的连续谱部分一般出现双峰。若两个载频之差|f1 -f2|≤fs,则出现单峰。

 

PSK:在相移键控中,载波相位受数字基带信号的控制,如在二进制基带信号中为0时,载波相位为0或π,为1时载波相位为π或0。载波相位和基带信号有一一对应的关系,从而达到调制的目的。

 

  在二进制频移键控(2FSK)中,当传送“1”码时对应于载波频率,传送“0”码时对应于载波频率。 2FSK信号波形可看作两个2ASK信号波形的合成,下图是相位连续的2FSK信号波形。

 

6.png  

        FSK信号的解调也有非相干和相干两种,FSK信号可以看作是用两个频率源交替传输得到的,所以FSK的接收机由两个并联的ASK接收机组成。

 

       FSK:频移键控是利用两个不同频率f1和f2的振荡源来代表信号1和0,用数字信号的1和0去控制两个独立的振荡源交替输出。对二进制的频移键控调制方式,其有效带宽为B=2xF+2Fb,xF是二进制基带信号的带宽也是FSK信号的最大频偏,由于数字信号的带宽即Fb值大,所以二进制频移键控的信号带宽B较大,频带利用率小。

 

       FSK功率谱密度的特点如下:

 

(1) 2FSK信号的功率谱由连续谱和离散谱两部分构成,离散谱出现在f1和f2位置;

 

(2) 功率谱密度中的连续谱部分一般出现双峰。若两个载频之差|f1 -f2|≤fs,则出现单峰。

 

3.Verilog核心程序 `//调制

FSK_mod FSK_mod_u(

.i_clk     (i_clk),

.i_rst     (i_rst),

.i_bits    (i_bits),

.o_carrier1(o_carrier1),

.o_carrier2(o_carrier2),

.o_fsk     (o_fsk)

);

 

 

 

awgns awgns_u(

    .i_clk(i_clk),

    .i_rst(i_rst),

    .i_SNR(i_SNR), //这个地方可以设置信噪比,数值大小从-10~50,

    .i_din(o_fsk),

    .o_noise(),

    .o_dout(o_fskn)

    );

 

//解调

FSK_demod FSK_demod_u(

.i_clk     (i_clk),

.i_rst     (i_rst),

.i_fsk     (o_fskn),

.o_de_fsk1 (),

.o_de_ffsk1(o_de_ffsk1),

.o_bits    (o_bits)

);

 

 

 

 

//error calculate

Error_Chech Error_Chech_u(

    .i_clk(i_clk),

    .i_rst(i_rst),

    .i_trans({~i_bits,1'b1}),

    .i_rec({~o_bits,1'b1}),

    .o_error_num(o_error_num),

    .o_total_num(o_total_num)

    );

0sj_005m`