硬件开发笔记(二十八):TPS54331电源设计(一):5V电源供电原理图设计

227 阅读4分钟

前言

  电源供电电路设计很重要,为了更好的给对硬件设计有需求的人,特意将电源设计的基础过程描述出来。   本篇描述设计常用的12V转5V电路3A。


TPS54331(DC-DC稳压器)

概述

  TPS54331器件是一款28V、3A非同步降压转换器,集成有一个低 RDS(on) 的高侧MOSFET。为了提高轻负载条件下的效率,将自动激活脉冲跳跃Eco-mode特性。此外,1μA 的关断电源电流使得此器件可用于电池供电类应用。具有内部斜坡补偿的电流模式控制简化了外部补偿计算,并在允许使用陶瓷输出电容器的同时减少了元件数量。一个电阻分压器对输入欠压锁定的迟滞进行编程。过压瞬态保护电路可限制启动期间和瞬态条件下的电压过冲。逐周期电流限制方案、频率折返和热关断特性可在过载条件下对器件和负载施加保护。   TPS54331 器件可采用 8 引脚 SOIC 封装和 8 引脚 SOPowerPAD 集成电路封装,这些封装经过内部优化可改进热性能。

特性

  • 3.5V 至 28V 输入电压范围
  • 可调节输出电压低至 0.8V
  • 集成式 80mΩ 高侧 MOSFET 支持高达 3A 的持续输出电流
  • 使用脉冲跳跃 Eco-mode 在轻负载条件下实现高效率
  • 570kHz 固定开关频率
  • 1μA 关断静态电流(典型值)
  • 可调节慢启动限制浪涌电流
  • 可编程 UVLO 阈值
  • 过压瞬态保护
  • 逐周期电流限制、频率折返和热关断保护
  • 采用易于使用的 SOIC8 封装或热增强型 SOIC8PowerPAD™ 集成电路封装
  • 使用 TPS54331 并借助 WEBENCH® PowerDesigner 创建定制设计方案
  • 使用 TPS62933 实现具有更高频率、更低 IQ 和改 进 EMI 的 30V 输入电压转换器

应用

  • 消费类应用,诸如机顶盒、 CPE 设备、 LCD 显示屏、外设和电池充电器
  • 工业用和车载音频电源
  • 5V、 12V 和 24V 分布式电源系统

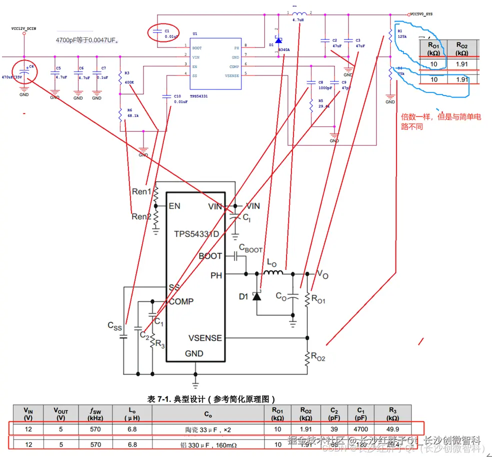
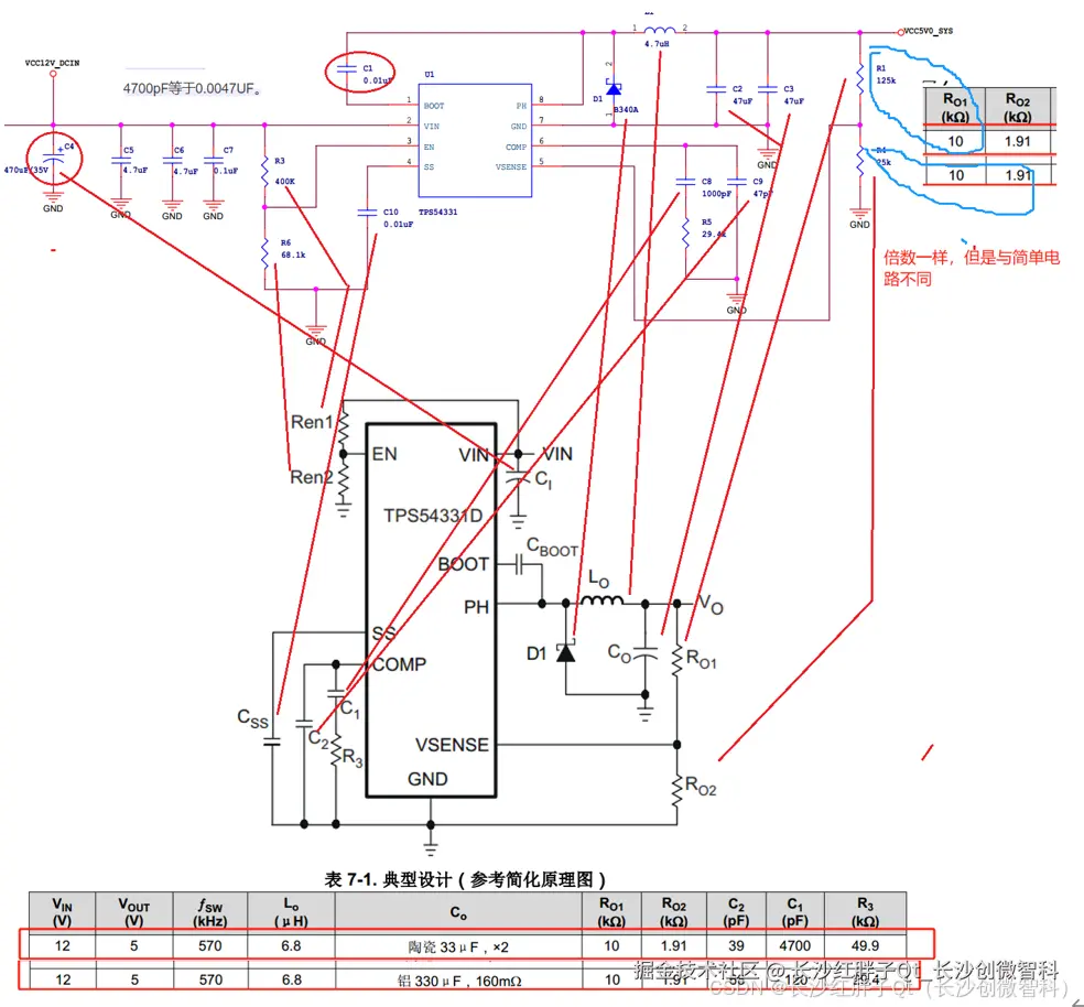
简化版原理图以及典型设计

  在这里插入图片描述

  在这里插入图片描述

  其中电容的材质并没有那么重要,大电容是储能,小电容是滤波作用。   由此可以看出。   对于同系列不同型号的电流输出,查看Io(最大值)如下:   在这里插入图片描述

  TPS54331封装:D封装和DDA封装,DDA多了个pin9,来实现   在这里插入图片描述

  描述不一样看,实际查看DR就是D封装的:   在这里插入图片描述


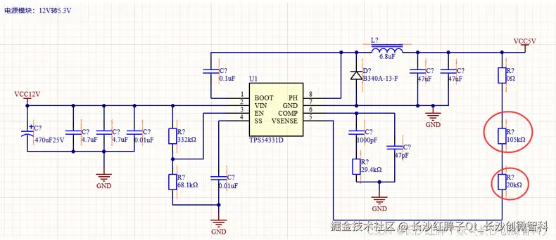
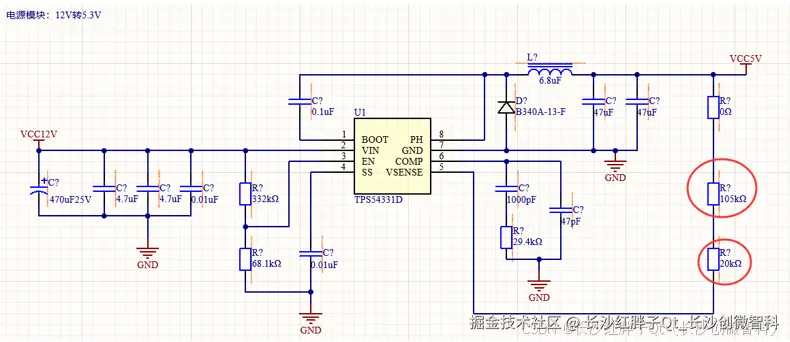
12V转5V电路

  芯片厂提供了设计模拟软件,但是不想麻烦了。

步骤一:参考简化设计图

  有简化设计图就参考简化设计图:   在这里插入图片描述

  在这里插入图片描述

  看下底板的图:   在这里插入图片描述

  分析后:   在这里插入图片描述

步骤二:与应用典型电路对比

  以上是相对简单电路,对不上,话有个典型电路,下面是datasheet的应用典型电路:   在这里插入图片描述

  目测两个都可以,那么用典型电路:   在这里插入图片描述

  就用这个电路,调整电阻、电感和和电容来控制输出电压大小。

步骤三:调整输出电压

  TPS54331 器件的输出电压可从外部通过电阻分压器网络进行调节。   在这里插入图片描述

5V = 0.8V x ( R5/R6 + 1)
R5/R6 + 1 = 5/0.8
R5/R6 = 6.25 - 1
R5/R6 = 5.25

  由于阻值选择高精度1%的电阻,然后最好是标准的,可查看《硬件实用技巧:电阻精度和常用阻值表》,选择阻值R6为20KΩ,R5为105KΩ。   在这里插入图片描述

  电容,不调整。

步骤四:调整电感

  在这里插入图片描述

Lmin = (5V x (12V – 5V) / (12V x 0.3 x 3A x 570kHz)
Lmin = (5V x 7V) / (3.6V x 3A x 570kHz)
Lmin = 35 / (10.8 x 570000)
Lmin = 35 / 6156000
Lmin = 0.00000568551(H)
Lmin = 5.68551(uH)

  选个大一点的6.8uH即可。   下面使用0.2计算一次:

Lmin = (5V x (12V – 5V) / (12V x 0.2 x 3A x 570kHz)
Lmin = (5V x 7V) / (2.4V x 3A x 570kHz)
Lmin = 35 / (7.2 x 570000)
Lmin = 35 / 3384000
Lmin = 0.00001034278(H)
Lmin = 10.34278(uH)

  选用0.2得到的就是10.3uH,选大一点的就是12uH。(注意,我们跟其他原理图一样使用6.8uH)。

步骤五:控制电源芯片使能

  加一个自锁控制开关控制EN使能   在这里插入图片描述