干货 | 选择“正激”还是“反激”?这份宝典请收好~

192 阅读14分钟

这期唯样商城为您整理开关电源的选择。

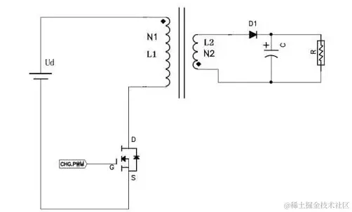
反激式

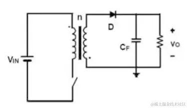
反激式开关电源是指使用反激高频变压器隔离输入输出回路的开关电源。“反激”指的是在开关管接通的情况下,当输入为高电平时输出线路中串联的电感为放电状态;相反,在开关管断开的情况下,当输入为高电平时输出线路中的串联的电感为充电状态。

upfile

upfile

工作原理:  
变压器的一次和二次绕组的极性相反,这大概也是Flyback名字的由来: 
a、当开关管导通时,变压器原边电感电流开始上升,此时由于次级同名端的关系,输出二极管截止,变压器储存能量,负载由输出电容提供能量。 
b、当开关管截止时,变压器原边电感感应电压反向,此时输出二极管导通,变压器中的能量经由输出二极管向负载供电,同时对电容充电,补充刚刚损失的能量。

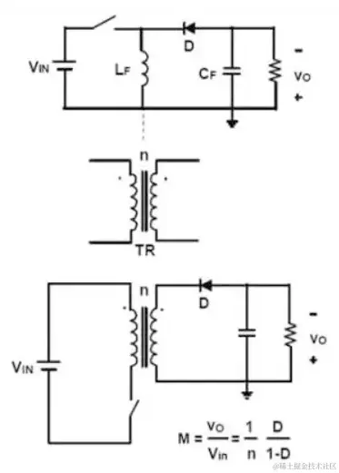
反激电路的演变:
可以看作是隔离的Buck/Boost电路:

upfile

upfile

在反激电路中,输出变压器T除了实现电隔离和电压匹配之外,还有储存能量的作用,前者是变压器的属性,后者是电感的属性,因此有人称其为电感变压器,有时我也叫它异步电感,而选择好的电感就在唯样商城。

正激电源

正激式变压器开关电源输出电压的瞬态控制特性和输出电压负载特性,相对来说比较好,因此,工作比较稳定,输出电压不容易产生抖动,在一些对输出电压参数要求比较高的场合,经常使用。
所谓正激式变压器开关电源,是指当变压器的初级线圈正在被直流电压激励时,变压器的次级线圈正好有功率输出。

upfile

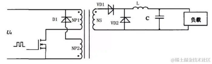
单端正激式:

upfile

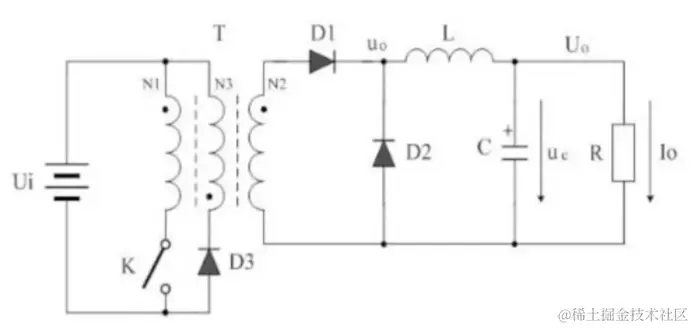
双管正激式:

upfile

由上三张图可知,反激的变压器可以看作一个带变压功能的电感,是一个buck-boost电路。正激的变压器是只有变压功能,整体可以看成一个带变压器的buck电路。二次侧接第一个整流二极管的负端接电解电容的是反击,接电感的是正激。
总地来说,正激反激工作原理不同,正激是初级工作次级也工作,次级不工作有续流电感续流,一般是CCM模式。功率因数一般不高,而且输入输出和变比占空比成比例。反激是初级工作,次级不工作,两边独立开来,一般DCM模式下,理论上是单位功率因数,但是变压器的电感会比较小,而且需要加气隙,所以一般适合中小功率情况.一般的电源书都会有具体的介绍和设计公式。
正激变压器是理想的,不储能,但是由于励磁电感(Lp)是有限值,励磁电流使得磁芯B会大,为避免磁通饱和,变压需要辅助绕组进行磁通复位;反激变压器工作形式可以看做耦合电感;电感先储能,再放能。由于反激变压器的输入、输出电压极性相反,固当开关管断开之后,次级可以提供磁芯一个复位电压,因而反激变压器不需额外增加磁通复位绕组。

主要区别

正激反激主要区别在高频变压器的工作方式不同但它们在同一象限上。正激是当变压器原边开关管导通时同时能量被传递到负载上,当开关管截止是变压器的能量要通过磁复位电路去磁。反激是和正激相反,当原边开关管导通时给变压器存储能量。但能量不会加在负载上,当开关管截止时,变压器的能量释放到负载侧。正激开关电源,后面多的那个二级管是续流二级管,一般输出部分还会多加一个储能电感,正激和反激最重要的区别是变压器初次级的相位是反相的。

最大区别

正激与反激的工作最大区别是,当开关管关断时,正激的输出主要靠储能电感和续流二级管来维持输出,而反激的输出主要靠变压器次级释放能量来维持输出。正激电路不宜做多路输出,正激电路要用脉宽调整做稳压必须在次极整流以后串电感,不然输出电压主要由输入决定,与脉宽影响不大,脉宽只影响输出纹波。如用正激电路做多路输出原理上存在的问题:如每路输出不用电感,那么对输入变化没有稳压作用,且没有开关电源应有的安全性。如果每路加电感:那么输出电压在理论上与负载大小有关,不参与反馈的回路就不正。
反激电路在原理上就适合多路输出稳压。反激电路首先储能,后把能量按各路的电压比率供应给每一路,先可以认为每路的输出比例是不变的(实际有误差看下面),按电流谁需要多给谁多的原则分配。

关于反馈

被反馈的这一路总是很准的因为就是按它来反馈的,但反馈的一路一定要有一点负载。不然会加大输出各路间的不平衡。可以用多路加权来进行反馈,就可以使误差的矢量和为零,通俗点让误差在各路间均衡,哪路的权重大,哪路的精度就高。变压器遵守各个瞬态电压比等于线圈比,这是理解中用得最多的一个条件。

关于开关电源

正激式是开关管导通时变压器次级电路工作,反激式是开关管截止时变压器次级电路工作(开关截止,主级能量传递给次级,次级工作开关闭合,主级电感线圈存储能量)。正激式开关电源输出必需有续流二极管而反激式没有(它们的变压器绕法也不一样。反激式变压器初次极工作时间相反,而正激式初次极工作时间相同)。正激跟反激相比最大的问题的用的器件更多,虽然好像没多几个,但都是必不可少,而且成本都是很高的。电路比反激式变压器开关电源多用一个大储能滤波电感,以及一个续流二极管。正激式变压器开关电源输出电压受占空比的调制幅度,相对于反激式变压器开关电源来说要低很多。因此,正激式变压器开关电源要求调控占空比的误差信号幅度比较高,误差信号放大器的增益和动态范围也比较大。
正激式变压器开关电源为了减少变压器的励磁电流,提高工作效率,变压器的伏秒容量一般都取得比较大,并且为了防止变压器初级线圈产生的反电动势把开关管击穿,正激式变压器开关电源的变压器要比反激式变压器开关电源的变压器多一个反电动势吸收绕组。因此,正激式变压器开关电源的变压器的体积要比反激式变压器开关电源的变压器的体积大。
正激式变压器开关电源还有一个更大的缺点是在控制开关关断时,变压器初级线圈产生的反电动势电压要比反激式变压器开关电源产生的反电动势电压高。因为一般正激式变压器开关电源工作时,控制开关的占空比都取在0.5左右,而反激式变压器开关电源控制开关的占空比都取得比较小。

应用区别

正激式变压器不蓄积能量,只担负偶合传输,反激式变压器需把开通过程中的能量蓄积在本身,关断过程中再释放:正激式绕组同相位,反激式绕组反相;正激式变压器不用调节电感值,反激式需调节。变压器可以在唯样商城购买。正激式工作存在剩磁为防饱和需消磁电路,本身不蓄能需要蓄能线圈和续流二极管,反激式不用。
反激主要用在150-200瓦以下的情况,正激则用在150w到几百瓦之间。之所以反激更广范就是因为我们日常中100w以下的电源比较常见,应用比较常见,所以也就比较广泛啦。原理就是一个通过储能再通过变比进行变压的,一个是直接通过变比进行变压的。正激初级绕组同名端都是正极所以叫正激,反激一个在正,一个在负所以叫反激。
反激式可做小功率,成本低,调试相对简单些,所以在小功率电源中常用。它们的区别:主变压器方面, 正激的需增加消磁绕组,当然也有的用增加两个二极管在主绕组进行消磁,无论如何正激电源必须增加消磁回路。反激不用增加输出储能电感,因为能量能储存在次级线圈中 ,正激须增加输出储能电感,且整流部分需增加续流二极管。
一般在100W以内我们习惯用反激拓扑来做,超过100W的用正激比较合适。为何?
在计算反激开关电源时,反激功率做得越大,原边电感量肯定是越小的,这跟拓扑的特性有关,我们先来分析一下反激的工作过程:

upfile

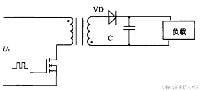
上图为反激的基本拓扑,当MOS开关管开通时,变压器原边绕组上正,下方,此时变压器副边绕组上负下正,整流二极管VD截止,在MOS开通的时段,变压器的励磁能量由于没有通路释放从而全部存储在变压器中。当MOS开关管关闭之后,变压器原边绕组电位变成下正上负,根据同名端,此时副边绕组的电位为上正下负,整流二极管VD导通,变压器释放能量,磁芯复位。
就是这样周而复始,使输出稳压。
由于这种不断存储又释放存储又释放的工作模式决定变压器的是很容易饱和的,为了控制变压器不饱和,通常的做法就是加气隙。
为了方便,我们用反激DCM的公式,简单说明一下

upfile

Lp:原边感量,Ip:原边电流,Vin最低输入电压,D:占空比,P输入功率,f开关频率我们通过几个简单的公式就可以看出,反激电源的原边电感量是受到了限制的。

upfile

我们再通过上面的公式,可知感量和Lp和峰值电流定了之后,要使磁芯不饱和,我们只能通过增大Np匝数来降低磁通密度,Np增大了,Lp是定了磁芯必然要加气隙。有计算经验的人都知道,反激变压器尤其是功率打了变压器感量都是比较小的。

下面我们来看看正激:

upfile

上图为正激电源的基本拓扑,开关MOS管开通时,原边绕组NP1为上正下负,根据同名端判定此时副边绕组NS也为上正下负,输出整流二极管VD1是导通的,原边导通的同时副边也导通,能量每个周期都能够得到即时释放。变压器不存在存储阶段,虽然原边也有比较大的电流,但这电流大部分都是由副边折射过来的,初级和次级是同时有电流的,而且产生的磁感应强度相等,方向相反,当负载变重,初级电流也相应加大,抵消了磁芯磁场的变化,所以正激不用考虑正激的电感量的大小,绕多大就是多大。
当然别忘记还有一部分励磁电流,但由于电感量很大励磁电流是很小的,开关MOS开通时,(不考虑功率部分,只考虑励磁电流)变压器原边电感上阵下负,励磁电流线性上升,等到开关MOS关闭时,NP1绕组下正上负,此时通过同名端可知,NP2上正下负D1导通,原边电感存储的励磁能量通过NP2和D1释放出去,返回到输入大电容上,磁芯复位。当然变压器也存在漏感,这部分漏感就生了正激的尖峰电压。
通过上面的对比,我们可知,同样一个功率变压器,可得到如下结论。

1、反激变压器的电感量很小,而正激变压器的电感量很大。
2、反激变压器通过副边输出绕组复位,正激变压器有专门的复位绕组复位。
3、反激变压器需要复位的励磁能量但同时也是整个功率部分的能量,正激变压器复位的也是励磁部分的能量,但这个励磁能量不包含功率部分的能量(暂且用能量这个词,能明白就好)。

我们通过上面几个结论急需来分析一下:
首先说反激,电感量跟正激比很小的。我们都只到变压存在的漏感与很多因素有关,由于感量小,变压器只要有一点漏感,这个漏感在整个原边电感的占比是比较大的,而电感的能量1/2LpIp^2在电感和漏感中的比例是按照感量大小的比例来分配的,一旦漏感比例大了,漏感中存储的能量是不能转化到副边,大部分是通过其它通路来消耗(转换成损耗)的,可想而知,功率越大,感量越小,漏感比例越容易变大,造成的损耗也将越来越大,不但损耗超大而且这个漏感造成的尖峰将随功率的增大而越来越大,非常难处理,或者说到了一定的功率量,根本无法处理。
我们再看正激,电感量跟反激比是很大的。由于感量大,变压器就算有一定的漏感,但这个漏感在整个变压器中所占的比例也是比较小的。漏感占比很小,浪费的能量肯定比较小,所产生的尖峰也很好处理。
通过上面的简单描述,我相信大家也明白为何反激电源的功率就是做不大?并且还可以印证我们平时测量反激时DS尖峰是比较高的,而正激DS尖峰是非常小的。
部分内容整理自:

1、《为何“正激”比“反激”可以做更大的功率?》出处不详,出处360图书馆 2018-08-23  Esniper

2、《什么是正激与反激,它们有什么区别?》出处不详,出处360图书馆 2018-06-08  长寿石

本文转载自:网络声明:本文为转载文章,转载此文目的在于传递更多信息,版权归原作者所有,如涉及侵权,请后台联系小编进行处理。

作为国内领先的电子元器件线上授权代理商,唯样商城有超10万种现货库存,2000万型号数据库,满足您的元器件正品现货采购需求!(买电子元器件就上唯样商城)