Vishay | 反射传感器简化光电开关设计

116 阅读6分钟

本文为大家介绍如何利用反射传感器的优势,以简化并改进微型光学传感器的设计。

反射传感器是设计微型光电开关的得力助手。它们精巧直观,可用来简化人机交互。这些传感器通常隐藏在红外 ( IR ) 透镜盖后面,当手指或其他物体接触镜盖表面时,传感器会迅速做出响应。

光学传感器或反射传感器可用来简化设计过程,便于设计直观、智能且操作可靠的按钮,是一种既简单又高效的结构:

1. 传感器一端装有发射红外光的发射器

2. 当手指或任何物体靠近时,会受到这种光束的照射

3. 反射信号在另一端的探测器产生光电流

这些传感器的工作是无形的,没有运动部件或摩擦,几乎没有磨损此外,光学传感器可以进行修正和微调,避免镜盖表面湿气、水、污垢和划痕的影响。(找元器件现货上唯样商城)即使带着手套操作,它们也可以高效运行。需要特别注意的是,与应用集成的传感器一样,要想取得理想的结果,必须考虑各种严峻挑战。对于光学传感器来说,这些挑战主要是应用环境和机械条件的限制。

环境挑战

想象一下:阳光和典型光源等外部干扰会造成探测器环境噪声,这是需要解决的问题。这种情况下,我们要考虑由外围孔径反射,以及镜盖表面污垢、水、湿气或划痕所引起的偏移电流。这种偏移电流会增大接近信号,提高输出信号的总振幅。

如果设计阶段不考虑这些因素,噪声信号强度会增大到超过设定的阈值,从而导致误测。为防止这种情况,设计传感器时应最大限度减少这些环境因素的影响,以保持正常的信噪比。

机械挑战

为美观起见,传感器通常隐藏在红外透镜盖下面,或者光学传感器观测孔保持最小尺寸。此外,为了给紧密排列在一起的多个按钮留出空间,传感器占位面积应尽可能小。这样一来,一方面传感器封装尺寸受到严格的机械约束,另一方面对发射角度/观测特性有严格要求。

应用场景

了解了采用反射传感器设计光电开关涉及的环境和机械挑战,接下来我们深入探讨三个具体应用场景。

01

阳光直射下工作的车载触控开关

由于体积小巧,光学传感器按钮可以放在车内任何地方。不过,为了适应车辆可变条件,必须达到高标准可靠性。同时,需要考虑温度波动和阳光的影响等因素。

传感器可通过优化孔径保证正确定向,以遮挡破坏性的阳光。此外,传感器封装设计要消除所有引起麻烦的光波长。这意味着,传感器只对发射器波长范围内的光做出响应,已滤除大部分环境噪声。

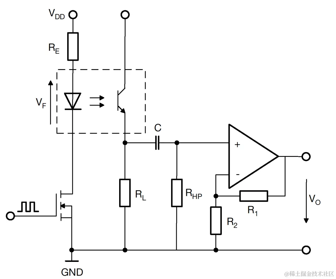
您可以在探测器一端配置 DC 光抑制电路和高通滤波器,进一步增强传感器的功能,如图 1 所示。这种电路确保只探测和放大脉冲发射器信号。

图片图 1 :探测器配置 DC 光抑制电路和高通滤波器


02

密闭空间光学按钮面板

当设计需要在有限空间配置多个按钮时,非常适合使用配有发射器的传感器,这种发射器可利用光照强度高,光输出强的垂直腔面发射激光器 ( VCSEL )。

VCSEL 窄发射角大大减小了镜盖造成的偏移,使传感器特别适合在透明材料下工作。此外,传感器的光照模式和紧凑尺寸允许其极为紧密地并排放置。事实上,排列密度仅受手指宽度的限制。得益于 VCSEL 的光照模式,您可以为镜盖找一个产生偏移最小的位置。这个最佳点最好由距离曲线来确定。

距离曲线( 图 2 )表示传感器的相对输出信号与透镜或镜片距离的关系。大约 2 mm 距离内信号足够低。这表明理想情况下,镜片应保持在这个范围内,最大距离不超过 2 mm,以最大限度减小偏移,从而提高之前提到的信噪比。

图片I  Crel - 相对集电极电流                                                               z - 距离图 2 :距离曲线表示传感器相对输出信号与透镜或镜片距离的关系。

03

适用于恶劣工业或医疗环境的按钮

如您的目标是设计坚固耐用的按钮,用于严苛的工业或医疗应用。光电按钮表面光滑,没有藏污纳垢的缝隙,因此便于清洁。然而,关键是传感器不能因液体或污垢触发。而且,即使手指定位不准,不是直接落在传感器上方,也可以识别按压动作。由于红外发射器的发射角宽,光电按钮对镜盖表面污垢的敏感度下降。这种广角发射扩大了光照功率的分布区域。此外,广角发射便于探测未直接放在传感器上的手指。重要的是,这种环境中经常使用的手套不会造成问题,传感器很容易探测。  图 3 模型是一种满足这些标准的简化版实用按钮设计。传感器在距传感器顶部 3 mm 、厚度为 2 mm 的红外透镜聚碳酸酯盖下工作。孔径设计足够大,适应传感器广角发射,从而最大限度减小偏移噪声。  图片图 3为使其对阳光不敏感,设计采用图 1 所示电路拓扑结构。发射器的脉冲频率为 5 kHz 。增加的高通滤波器使截止频率低于脉冲频率,且有效抑制 50 Hz 典型市电交流声。  输出信号可直接连接模-数转换器做进一步处理。通过校准,传感器可以忽略孔径引起的偏移。这种设计非常稳定,对外部因素造成的误触发具有很高的抵抗能力,性能极为可靠。