远距离串口通讯电路

49 阅读1分钟

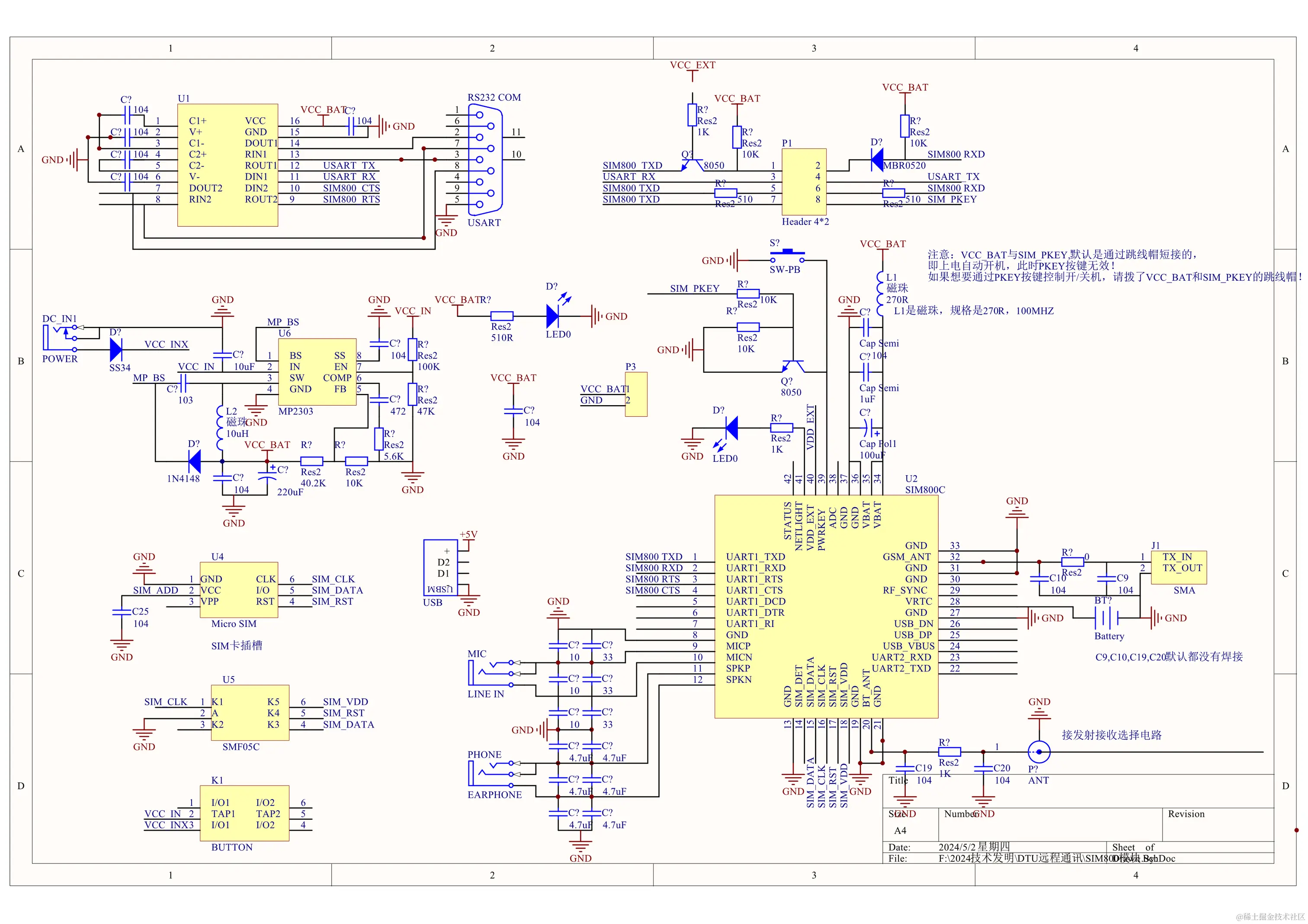
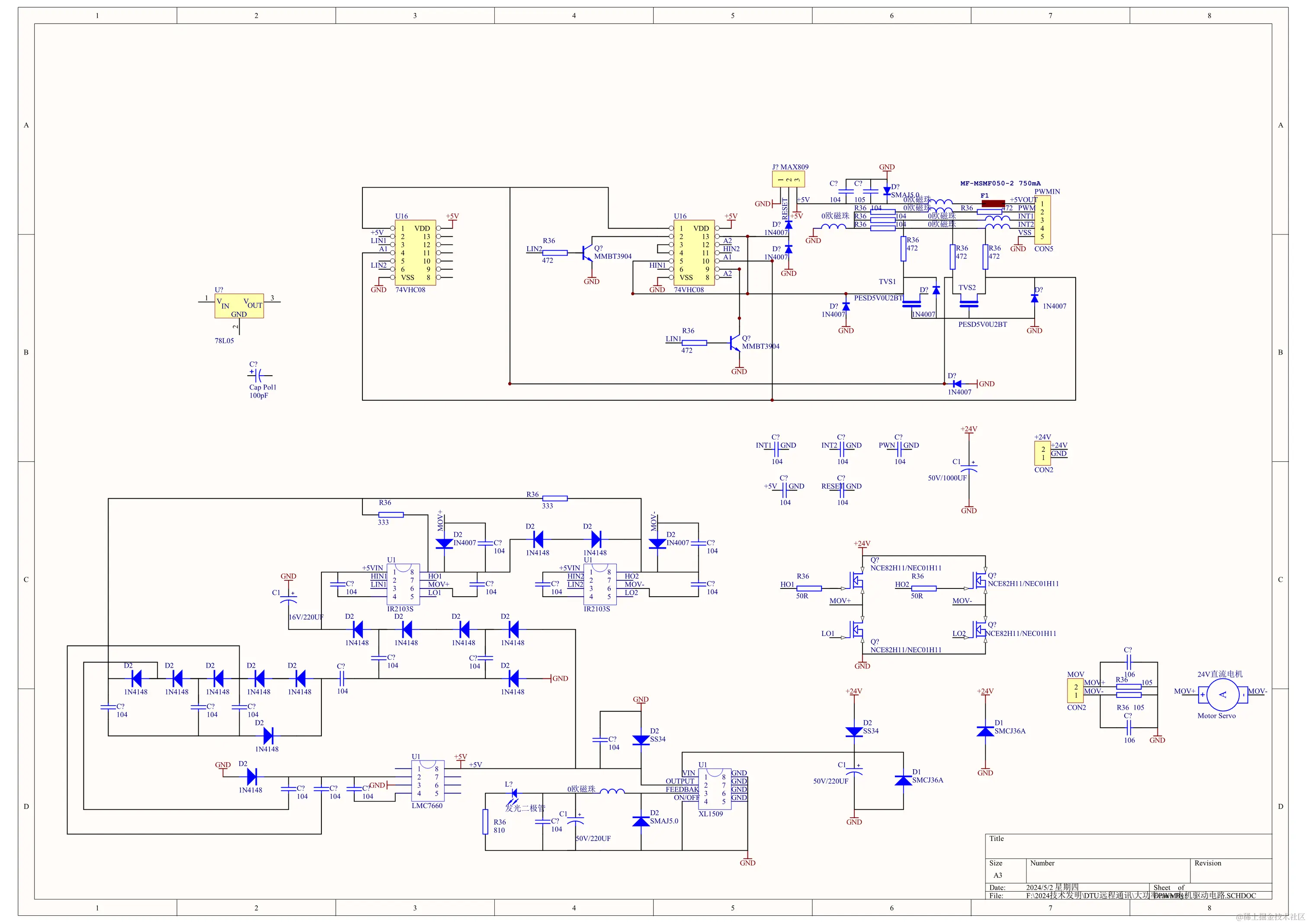
下面介绍一种远距离串口通讯电路 该电路将DTU模块SIM800C的射频信号,经过芯片SKY13335-381LF把发射接收信号分离,经过芯片HMC624LP4E放大驱动,通过JMD1无线电台电路发射出去。这样就增大了DTU模块的通讯距离。该电路的相关下载网址是:

链接:pan.baidu.com/s/13cdgYMZF… 提取码:6qz9

链接:pan.baidu.com/s/1D9jg1AZF… 提取码:do5z

www.123pan.com/s/g0jijv-Jf… 提取码:0oFthttps://115.com/s/swzkjbh33u5?password=hdf3# 访问码:hdf3 微云文件分享:串口远程通讯电路下载地址:share.weiyun.com/Hplf645S www.alipan.com/s/NJtWH6wCM… 链接:pan.quark.cn/s/70e6b0e0e… 链接:pan.baidu.com/s/1py0eGGQo… 提取码:6262

1.png

2.png

3.png

4.png

5.png

6.png