抗噪/防干扰LCD显示液晶段码驱动VK2C22A/B 广泛应用于单相/三相电子智能电表

75 阅读9分钟

VK2C22是一个点阵式存储映射的LCD驱动器,可支持最大176点(44SEGx4COM)的LCD屏。 单片机可通过I2C接口配置显示参数和读写显示数据,也可通过指令进入省电模式。 其高抗干扰,低功耗的特性适用于水电气表以及工控仪表类产品。L23+01

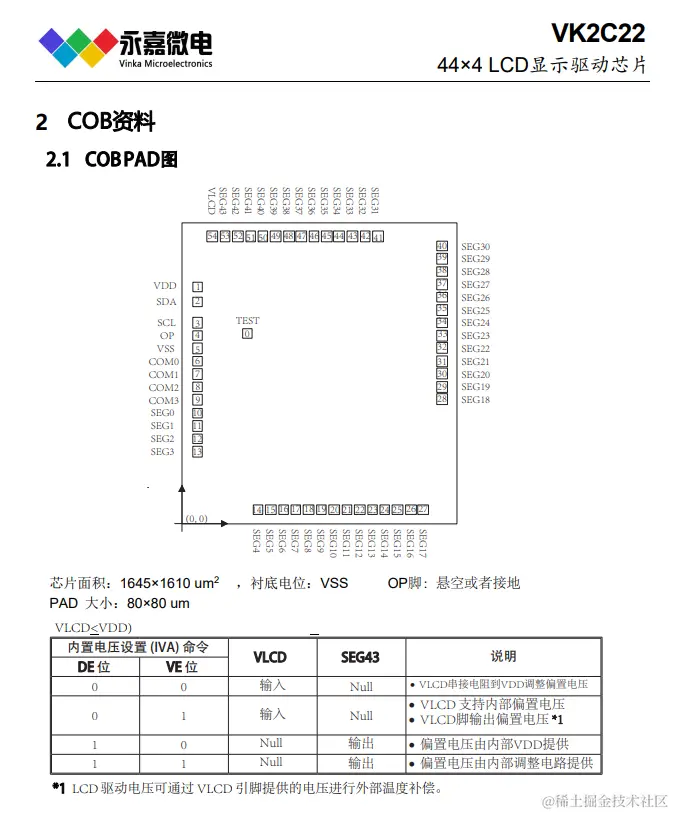
image.png

image.png

特点: • 工作电压 2.4-5.5V

• 内置32 kHz RC振荡器

• 偏置电压(BIAS)可配置为1/2、1/3

• COM周期(DUTY)为1/4

• 内置显示RAM为44x4位

• 帧频可配置为80Hz、160Hz

• 省电模式(通过关显示和关振荡器进入)

• I2C通信接口

• 显示模式44x4

• 3种显示整体闪烁频率

• 软件配置LCD显示参数

• 读写显示数据地址自动加1

• VLCD脚提供LCD驱动电压源(<5.5V)

• 内置16级LCD驱动电压调整电路

• 内置上电复位电路(POR)

• 低功耗、高抗干扰 LCD/LED控制器及驱动器系列芯片简介如下:

RAM映射LCD控制器和驱动器系列:

image.png VK1024B  2.4V~5.2V   6seg4com  63   62    偏置电压1/2 1/3   S0P16  省电模式 沈经理:135 5474 4703 VK1056B  2.4V~5.2V   14seg4com   143  142   偏置电压1/2 1/3   SOP24  省电模式

VK1056C  2.4V~5.2V   14seg4com   143  14*2    偏置电压1/2 1/3   SSOP24 省电模式

VK1072B  2.4V~5.2V   18seg4com   183  18*2    偏置电压1/2 1/3   SOP28  省电模式

VK1072C  2.4V~5.2V   18seg4com  183  18*2    偏置电压1/2 1/3   SOP28  省电模式

VK1072D  2.4V~5.2V   18seg4com  183  18*2   偏置电压1/2 1/3   SSOP28 省电模式

VK1088B  2.4V~5.2V   22seg4com  223   222   偏置电压1/2 1/3 QFN32(44mm PP=0.4mm)超小体积

VK1128C    2.4V~5.2V    32seg4com   323    322     偏置电压1/2 1/3  QFN48 (55mm PP=0.35mm)超小体积

VK0192M   2.4V~5.2V   24seg*8com              偏置电压1/4      LQFP44 省电模式

VK0256   2.4V~5.2V   32seg*8com             偏置电压1/4      QFP64  省电模式

VK0256B  2.4V~5.2V   32seg*8com              偏置电压1/4      LQFP64 省电模式

VK0256C  2.4V~5.2V   32seg*8com             偏置电压1/4     LQFP52 省电模式

VK0384   2.4V~5.2V     48seg*8com              偏置电压1/4       LQFP64 省电模式

VK1621     2.4V~5.2V   32seg4com  323 32*2        偏置电压1/2 1/3    LQFP44(QFP44正方形)/LQFP48/SSOP48/SDIP28;DICE/DIE裸片(绑定COB);COG(绑定玻璃)          省电模式

VK1622    2.4V~5.2V   32seg*8com              偏置电压1/4   LQFP44/LQFP48/LQFP52/LQFP64/QFP64;DICE/DIE裸片(绑定COB);COG(绑定玻璃) 省电模式

VK1623    2.4V~5.2V   48seg*8com              偏置电压1/4      LQFP100/QFP100;DICE/DIE

裸片(绑定COB);COG(绑定玻璃)  省电模式

VK1625   2.4V~5.2V   64seg*8com             偏置电压1/4      LQFP100/QFP100;DICE/DIE

裸片(绑定COB);COG(绑定玻璃)  省电模式

VK1626   2.4V~5.2V   48seg*16com             偏置电压1/5      LQFP100/QFP100;DICE/DIE裸片(绑定COB)  省电模式

——————————————————————————————————————————————————

高抗干扰LCD液晶控制器及驱动系列:

VK1C21A  2.4~5.2V  32seg*4com       偏置电压1/2 1/3  3线/4线通讯接口   SSOP48;DICE/DIE裸片(绑定COB);COG(绑定玻璃)     高抗干扰/抗噪/低功耗

VK1C21B  2.4~5.2V  32seg*4com       偏置电压1/2 1/3  3线/4线通讯接口   LQFP48;DICE/DIE裸片(绑定COB);COG(绑定玻璃)     高抗干扰/抗噪/低功耗

VK1C21C  2.4~5.2V  32seg*4com       偏置电压1/2 1/3  3线通讯接口        LQFP44;DICE/DIE裸片(绑定COB);COG(绑定玻璃)     高抗干扰/抗噪/低功耗

VK1C21D  2.4~5.2V  18seg*4com       偏置电压1/2 1/3  3线通讯接口    SOP28  高抗干扰/抗噪/低功耗

VK1C21DA  2.4~5.2V  18seg*4com       偏置电压1/2 1/3  3线通讯接口    SSOP28 高抗干扰/抗噪/低功耗

VK1C21E   2.4~5.2V  14seg*4com       偏置电压1/2 1/3  3线通讯接口    SOP24  高抗干扰/抗噪/低功耗

VK1C21EA   2.4~5.2V  14seg*4com       偏置电压1/2 1/3  3线通讯接口    SSOP24 高抗干扰/抗噪/低功耗

———————————————————————————————————————————————————

VK2C21A  2.4~5.5V  20seg4com  168  偏置电压1/3 1/4  I2C通讯接口   SOP28;DICE/DIE裸片(绑定COB);COG(绑定玻璃)     高抗干扰/抗噪/低功耗

VK2C21AA  2.4~5.5V  20seg4com  168  偏置电压1/3 1/4  I2C通讯接口   SSOP28;DICE/DIE裸片(绑定COB);COG(绑定玻璃)     高抗干扰/抗噪/低功耗

VK2C21B  2.4~5.5V  16seg4com  128  偏置电压1/3 1/4  I2C通讯接口  SOP24;DICE/DIE裸片(绑定COB);COG(绑定玻璃)     高抗干扰/抗噪/低功耗

VK2C21BA  2.4~5.5V  16seg4com  128  偏置电压1/3 1/4  I2C通讯接口  SSOP24;DICE/DIE裸片(绑定COB);COG(绑定玻璃)     高抗干扰/抗噪/低功耗

VK2C21C  2.4~5.5V  12seg4com  88   偏置电压1/3 1/4  I2C通讯接口  SOP20;DICE/DIE裸片(绑定COB);COG(绑定玻璃)     高抗干扰/抗噪/低功耗

VK2C21D  2.4~5.5V  8seg4com  48  偏置电压1/3 1/4  I2C通讯接口  NSOP16;DICE/DIE裸片(绑定COB);COG(绑定玻璃)     高抗干扰/抗噪/低功耗

VK2C22A  2.4~5.5V    44seg*4com      偏置电压1/2 1/3  I2C通讯接口  LQFP52;DICE/DIE裸片(绑定COB);COG(绑定玻璃)     高抗干扰/抗噪/低功耗

VK2C22B  2.4~5.5V  40seg*4com      偏置电压1/2 1/3  I2C通讯接口  LQFP48;DICE/DIE裸片(绑定COB);COG(绑定玻璃)     高抗干扰/抗噪/低功耗

VK2C23A  2.4~5.5V  56seg4com   528 偏置电压1/3 1/4  I2C通讯接口  LQFP64;DICE/DIE裸片(绑定COB);COG(绑定玻璃)     高抗干扰/抗噪/低功耗

VK2C23B  2.4~5.5V  36seg*8com      偏置电压1/3 1/4   I2C通讯接口  LQFP48;DICE/DIE裸片(绑定COB);COG(绑定玻璃)     高抗干扰/抗噪/低功耗

VK2C24A  2.4~5.5V  72seg4com  688 60*16  偏置电压1/3 1/4 1/5  I2C通讯接口  LQFP80;DICE/DIE裸片(绑定COB);COG(绑定玻璃)     高抗干扰/抗噪/低功耗

VK2C24B  2.4~5.5V  56seg4com  528 44*16  偏置电压1/3 1/4 1/5  I2C通讯接口  LQFP64;DICE/DIE裸片(绑定COB);COG(绑定玻璃)     高抗干扰/抗噪/低功耗

——————————————————————————————————————————————————

超低功耗LCD液晶控制器及驱动系列:

VKL060   2.5~5.5V 15seg*4com  偏置电压1/2 1/3  I2C通讯接口 SSOP24  超低功耗/抗干扰

VKL076   2.5~5.5V 19seg*4com  偏置电压1/2 1/3  I2C通讯接口 SSOP28  超低功耗/抗干扰

VKL128   2.5~5.5V 32seg*4com  偏置电压1/2 1/3  I2C通讯接口 LQFP44  超低功耗/抗干扰

VKL144A  2.5~5.5V 36seg*4com  偏置电压1/2 1/3  I2C通讯接口 TSSOP48超低功耗/抗干扰

VKL144B  2.5~5.5V  36seg4com  偏置电压1/2 1/3  I2C通讯接口 QFN48(66超小体积) 超低功耗/抗干扰

——————————————————————————————————————————————————

静态显示LCD液晶控制器及驱动系列:

VKS118  2.4~5.2V 118seg*1com  偏置电压 --     4线通讯接口  LQFP128  可视角大,对比度好,不闪烁

VKS232  2.4~5.2V 116seg*2com  偏置电压1/1 1/2    4线通讯接口  LQFP128 可视角大,对比度好,不闪烁

(永嘉微电/VINKA原厂-FAE技术支持,主营LCD驱动IC; LED驱动IC; 触摸IC; LDO稳压IC; 水位检测IC)

LCD驱动、液晶显示IC、LCD显示、液晶显示、显示LCD、段码液晶屏驱动、LCD液晶显示、段码屏LCD驱动、LCD显示驱动芯片、LCD显示驱动IC、液晶驱动原厂、LCD屏驱动、液晶屏驱动、驱动LCD、驱动液晶、LCD驱动控制器、液晶显示驱动原厂、段码LCD驱动、液晶段码屏驱动、液晶显示驱动芯片、点阵式液晶显示驱动、点阵式液晶显示IC、液晶驱动IC、液晶驱动芯片、LCD芯片、液晶芯片、液晶驱动控制器、液晶IC、段码驱动显示IC、笔段式液晶驱动、LCD液晶显示驱动、液晶LCD显示驱动、段码屏驱动厂家、段码驱动IC、段码驱动芯片、段码屏显IC、LCD显示IC、笔段式LCD驱动、LCD显示芯片、段码屏显示IC、段码屏显示芯片、LCD段码液晶驱动、段码LCD液晶驱动、段码驱动原厂、液晶显示芯片、段式液晶驱动、段码显示IC、LCD液晶屏驱动、笔段LCD驱动、LCD段码屏驱动、液晶屏驱动IC、液晶屏驱动芯片、液晶段码LCD驱动、液晶LCD段码驱动、LCD驱动器、液晶驱动电路、LCD驱动IC、断码LCD驱动、段码屏驱动原厂、LCD驱动厂家、LCD屏驱动IC、点阵式LCD驱动、LCD屏驱动芯片、点阵段码屏驱动、点阵液晶屏驱动、段码液晶驱动芯片、段码屏驱动、LCD驱动原厂、LCD驱动芯片、LCD段码驱动、LCD液晶驱动、液晶驱动IC原厂、液晶显示驱动IC、点阵LCD驱动、段式LCD驱动、LCD显示驱动、液晶显示驱动、段码液晶驱动