应用方案 | 通讯芯片D3232简介

78 阅读1分钟

一、应用领域

D3232芯片主要用于工控主板、工业控制器、程序烧录下载器、仿真器、新能源充电桩等众多涉及RS232通讯的产品。

二、基本特性

D3232芯片由两个线路驱动器、两个线路接收器和双电荷泵电路组成,具有HBM>±15kV、CDM>±2kV的ESD保护能力,并且接收端输入电压最高允许>±25V。D3232在异步通信控制器与串行端口连接器之间提供电气接口,内置的电荷泵和四个小型外部电容器支持由 3.0V至5.5V 单电源供电。D3232芯片支持高达256kbs 的串行数据传输速率,驱动器输出压摆率最高为 30V/μs。

芯片采用SOP16/DIP16封装。

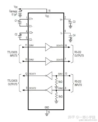
三、引脚信息

1脚:C1电容器正极;

2脚:正电荷泵输出(外接储存电容器正极)

3脚:C1电容器负极;

4脚:C2电容器正极;

5脚:C2电容器负极;

6脚:负电荷泵输出(外接储存电容器负极)

7脚:RS232驱动输出2

8脚:RS232接收输入2

9脚:TTL/CMOS接收器输出2

10脚:TTL/CMOS驱动器输入2

11脚:TTL/CMOS驱动器输入1

12脚:TTL/CMOS接收器输出1

13脚:RS232接收器输入1

14脚:RS232驱动输出1

15脚:电源地

16脚:电源正

四、参考设计