T-NPC三电平电路的双脉冲与短路测试

124 阅读4分钟

1

T-NPC三电平电路的换流方式与双脉冲测试方法

由于技术的发展和应用的需要,T型三电平应用越来越广,我们开发了IGBT7 1200V 62mm共发射极模块,最大规格电流为800A,以及PrimePACK™3+封装的的共集电极模块,规格为2400A/1200V,采用了IGBT7大功率芯片,单桥臂即可实现兆瓦级功率。而中小功率Easy封装则单模块集成了T型三电平的桥臂供选择。本文从分析T-NPC三电平电路的换流入手,介绍了双脉冲与短路测试技术,对电路设计和验证有参考价值。

下文将采用基于62mm的T-NPC系统给出测试波形。

图片图片

图1 T-NPC三电平桥臂

图片

图2 T-NPC三电平桥臂输出电压电流波形

图2所示为T-NPC桥臂在输出功率因数为零时一个工频周期内输出电压及电流的波形,二者相位差为90度,一个周期可分为ABCD段,包含T-NPC电路工作的四种换流方式。

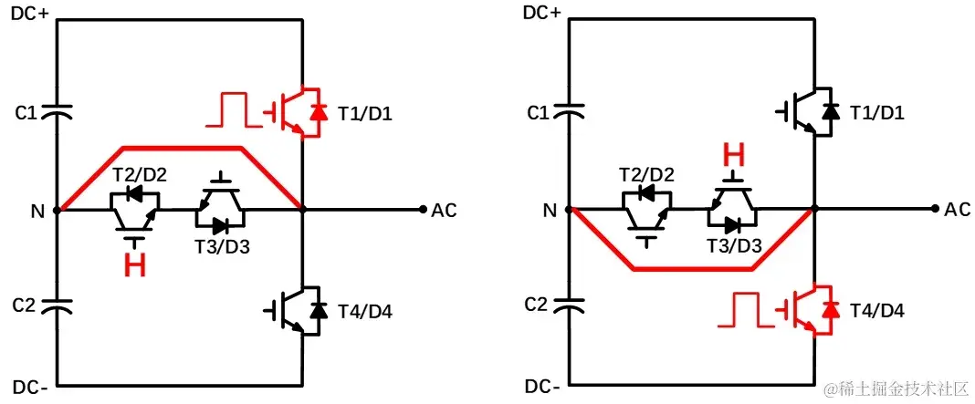
A时段(V>0,I>0)与C时段(V<0,I<0)为互补的逆变工况,此时电压与电流方向相同,NPC桥臂中点输出电平在±Vdc和0跳变,换流回路如图3、图4虚线所示。

图片

图3 T1与D3换流及DPT方法

图片

图4 T4与D2换流及DPT方法

对A时段进行DPT,具体设置见下表:

图片

对C时段进行DPT,具体设置见下表:

图片

图5图6所示为应用FF600R12KE4+FF600R12KE4_E的DPT实测波形。

图片

图5 T4关断,VDC=425V,Ic=600A

图片

图6 T4开通,D2反向恢复,VDC=425V,Ic=40A

B时段(V>0,I<0)和D时段(V<0,I>0)为互补的整流工况,此时电流与电压方向相反,换流回路如图7图8虚线所示。

图片

图7 T3与D1换流及DPT方法

图片

图8 T2与D4换流及DPT方法

对B时段工况进行DPT,具体配置如下图:

图片

对D时段工况进行DPT,具体配置如下表:

图片

图9与图10是模拟D时段工况进行测试的示例波形:

图片

图9 T2关断,VDC=425V,Ic=600A

图片

图10 T2开通,D4反向恢复,VDC=425V,Ic=40A

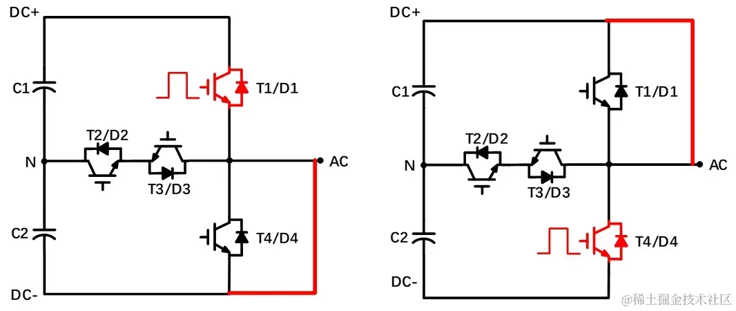
值得说明的是,T-NPC桥臂横管关断的平台电压为半母线电压,竖管在正常开关时序下关断的平台电压也为半母线电压,上述双脉冲测试方法也是模拟半母线的工况。但在实际应用过程中如果出现异常封波横管先关断则竖管会直接换流,竖管关断时承受的电压变为全母线电压,在测试中也可以模拟此种极端工况进行双脉冲测试(同两电平电路双脉冲测试配置)。

图片

图11 竖管换流DPT方法

下表展示了全母线工况下对T4进行测试的电路配置,要测试T1使用对称的配置即可。

图片

2

T-NPC三电平电路的短路测试

对于T-NPC三电平桥臂,通常有以下几种短路测试方案:

1.

AC点与直流中点短接,模拟竖管开通时短路,短路电流流过T1或T4,器件退饱和时承受半母线电压。

图片图片

图12 NPC桥臂短路(VDC=425V,Tc=25℃,竖管短路特性非常一致)

2.

AC点与DC+或DC-短接,模拟全母线电压情况下,竖管T1与T4的开通短路行为。

图片图片

图13 主桥臂短路(VDC=850V,Tc=25℃,竖管短路特性非常一致)

3.

AC点与DC+或DC-短接,模拟横管开通短路行为,此时横管承受半母线电压。短路电流流过T3,D2,或者T2,D3。

图片图片

图14 T2/T3短路测试(VDC=425V,Tc=25℃,横管短路特性非常一致)

(注:实测波形均基于FF600R12KE4+FF600R12KE4_E构成的T-NPC桥臂)

总结

本篇分析了T-NPC三电平电路的几种不同换流工况,基于此,通过调整电感位置及功率器件的驱动方式可以模拟实际工况进行对应的双脉冲测试,同时结合英飞凌62mm功率模块实测波形也给出了T-NPC三电平桥臂的几种短路工况评估方法供大家参考应用。(买电子元器件就上唯样商城)