双脉冲测试波形分析

273 阅读1分钟

一、双脉冲测试的作用

双脉冲测试,可以获取IGBT或SiC等器件的动态参数,如开通时间,关断时间,Eon,Eoff,Isc等。

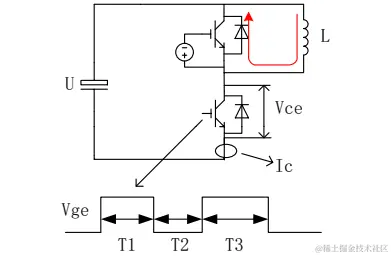
二、双脉冲测试基本电路原理

image.png

上管始终处于关断状态,只有续流二极管起作用,此处也可用单个二极管代替,二极管的工作过程下文会介绍;下管如图所示接探测工具:高压隔离探头获取Vce,罗氏线圈电流探头取Ic,Vge接方波使下管始终处于开通及关断状态。

三、脉冲波形分析

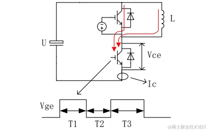
下管在T0时刻开始开通,电流走向如图所示: image.png

波形如图所示:

这里解释一下Ic的波形产生: I=(U*t)/L,此时电流取决于开通时间,所以电流波形呈现出线性上升的趋势。

image.png

下管在T1时刻关断,电流如图所示:

image.png

image.png

波形如图:此时二极管起续流作用,这里解释一下二极管反向恢复电流的形成过程:当二极管由正向导通转为反向恢复时,二极管需要释放一部分储存的电荷,这时,反向恢复电流与正向导通电流相反,此时,会出现如图所示的电流尖峰。

image.png

假如我们延长下管的导通时间,波形会如何? 由于母线寄生电感的存在,且di/dt较大(负反向),根据公式:U=-L*(di/dt),所以产生电压尖峰 image.png