电力、电气、电工知识汇总

1,038 阅读35分钟

内容包括变压器感应电势公式中“4.44”的由来,电感磁饱和的原因与理论分析,三相交流电基础,继电保护相关内容(高压开关分合原理、自动重合闸、防跳、备自投等)。紫色文字是超链接,点击自动跳转至相关博文。持续更新,原创不易! 

目录:

一、变压器感应电势中4.44的由来
二、电感磁饱和的原因与理论分析

1、关于BH

2、电感磁饱和的原因

3、电感饱和的理论分析

4、磁性材料的特性

1)元素周期表   2)磁性元素周期表
三、三相交流电基础

1、****三相电原理********

2、线与相电流的关系与区别

3、相电压和线电压公式与口诀

1)线电流和相电流的关系与区别_相电压和线电压公式   2)相电压和线电压口诀

3)三相平衡负载两种接法中线电压和相电压、线电流和相电流的关系

4、三相电功率

1)视在、有功、无功功率及功率因素   2)瞬时功率

四、继电保护

1、继电保护概述

1)出口动作时间35mS   2)整定   3)三相与其颜色的对应记忆   4)预伏故障   5)序分量计算

2、自动重合闸

1)重合闸起动条件   2)重合闸类型   3)一次重合闸脉冲原理

4)自动重合闸原理逻辑图   5)自动重合闸的动作时间整定原则

3、高压开关的合分闸原理

4、防跳

1)防跳概念   2)开关的输出防跳   3)合闸信号的输入防跳

5、备自投(BZT)

1)备自投介绍   2)备自投的常用方式   3)备自投动作逻辑   4)基本原则与运行原则

5)​厂家备自投介绍​   6)母联充电保护和简单母线保护

6、低频减载

1)基本原理   2)ALF基本要求   3)自动低频减载闭锁方式的分析

附录

1、搜索百度云盘“三相电功率的计算(南瑞)”

2、参考****线电压与相电压********

3、****电气、电子电路符号与表示方法********

4、为什么插座是左零右火


一、变压器感应电势中4.44的由来

《电网进网作业许可证考试参考教材.高压理论部分》第二章讲,根据电磁感应定律。

一次侧绕组感应电势为:E1= 4.44 ƒ Ν1 фm   ①

二次侧绕组感应电势为:E2= 4.44 ƒ Ν2 фm   ②

其它部分我们不补充了,单说系数“4.44”的由来。我们学习技术的时候不能死记,有一点疑问就要想出来:为什么是“4. 44”呢?简单地说,和有效值有关,但我们要更深一步,了解电磁感应原理了。

看上图。根据法拉第电磁感应定律,电路中感应电动势的大小,跟穿过这一电路的磁通变化率成正比。写成公式就是:

编辑

这是微分式,用普及式可表示为:

编辑

“Δ”表示增量,或变化量。“e”是感应电动势,“N”是线圈匝数,“ф”是主磁通,“t”是时间。此式说明,电路中感应电动势的大小,跟穿过这一电路的磁通变化率成正比。也就是磁力线切割线圈越快,感应电动势越高。用“-”号表示感应电动势与输入电压方向相反。

上图假定变压器是空载的,在左侧一次绕组N1输入电压、流过空载电流、建立空载磁场,产生主磁通Фm(Фm是交变磁通的最大值,具有交变性质,符号上边应点圆点,字库没有此种字型),通过铁芯磁路,与一次、二次线圈全部匝数交链,分别产生感应电动势E1、E2,于是,式2可以分别表示一次、二次线圈感应电动势为:

编辑

编辑

e1、 e2分别为一次、二次线圈感应电动势的瞬时值

假定主磁通Фm按正弦规律变化,把微分计算出来:

dФ/dt=d(Фmsin(ωt))/dt=Ф'msin(ωt)+Фm[sin(ωt)]'=Фm*[cos(ωt)](ωt)'=Фm[cos(ωt)]*(ω't+ωt')=Фmωcos(ωt),并考虑Em=√2E,式3变为:

e1=-N1·dФ/dt=-N1ωФmcosωt=-Em1cosωt

从上式中,将后两个步骤列出:

-N1ωФmcosωt =-Em1cosωt 移项得到:

Em1=N1ωФm

电动势Em是最大值,取有效值(Em除以 √2),并考虑到ω=2πƒ,为:

E1=2πƒ N1Фm / √2=√2π N1Фm=4.44ƒ N1Фm ,再写一遍:

E1=4.44ƒ N1Фm (式5)

仿此:

E2=4.44ƒ N2Фm (式6)

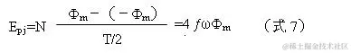
“4.44“就是这么来的,是电动势由最大值Em换算为有效值,系数为√2=1.414,再乘以公式中已有的常数π=3.1416得来的。所以书上在说到电压、电流时,一再强调有效值,就是这个意思。实际上,平时在不做特别说明时,都是指的有效值,在这里强调是因为强调这个算法。本文的推导说明同时是为了对变压器原理的理解。

下边提到的第二种算法或许有用。当变压器输入电压不是正弦波时,感应电动势的平均值从-Фm到Фm半个周期内的平均变动速率乘以匝数计算,即:

编辑

验算时注意,1/T=ƒ。

所以一般来说感应电动势的有效值为:

E=4Kbx ƒωФm (式8)

Kbx为波形因数,它等于交变波形有效值E与平均值Epj的比:

Kbx =E/Epj =Em×0.707/(Em×0.637)=1.11

当感应电动势为正弦波时,变压器感应电动势为:

E=4×1.11 ƒωФm=4.44 ƒωФm (式9)

仍然是4.44,但这是用一般公式得出的,仅限于正弦波,其它波形就不一定是“4.44”了。

二、感应磁饱和的原因与理论分析

1、关于BH

编辑

以磁感应强度B为纵轴,磁场强度H为横轴作图,原点表示磁化之前物质处于磁中性状态,B = H = 0,当H开始增加时,B随之增加。如右上图中a,称为起始磁化曲线。当H从Hm减小时,B沿滞后于H的曲线SR减小,这就是磁滞现象。当H = 0时,B = Br称为保留剩磁。

当B = 0时,H = -Hc,Hc称为矫顽力。当磁场沿Hm→0→Hc→-Hm→0→Hc→Hm次序变化时,相应的B沿一条闭合曲线变化(如上图),这个曲线就是磁滞回线。若铁磁材料在交变电场中不断反复被磁化、去磁化,那么材料在这个过程中要消耗额外的能量,称为磁滞损耗,其值与磁滞回线面积成正比。

2、电感磁饱和的原因

电子在原子外层绕著数层轨道旋转,每一层电子旋转都会依愣次定律产生一微弱的磁场,每一层的磁力不同、方向也不同,但合力为零,没有磁性。当一线圈通电流,同样的依愣次定律产生一磁场,磁力线穿过磁性材料(铁心),磁性材料内原子的电子旋转轨道开始转向,以抵消线圈产生的磁力线,线圈电流越大,越多磁性材料电子的旋转方向改变,最后所有磁性材料电子旋转方向都相同时,就是磁饱和。

3、电感饱和的理论分析

电感理计算称步:********开关电源的设计****2、电感量的计算

空心线圈结构的电感可认为不会饱和,带铁心回路的电感存在饱和问题。 电感L随着磁路的饱和而变小。理论依据如下:

设电感绕组等效匝数N匝,等效磁路长度len,通入电流I,磁路的等效截面积S,μ磁导率,Φ磁通,H磁场强度,B磁感应强度。

编辑

由:Φ= BS, B = μH, Hlen = NI并根据电感的定义,可得:自感L = NΦ/I= N(BS)/I = NHS)/I = N*(μHlenS)/(Ilen) = N*(μNIS)/(Ilen) = N^2μS/len。

当通入电感的电流很大时,μ=B/H,H很大,B已达到最大值不再变化,那么μ趋向于零,所以相应的自感L也趋向于零。

μ=导磁率(magnetic permeability of material) (Henrys/meter)

导磁率又称导磁系数,是衡量物质的导磁性能的一个系数,以字母μ表示,单位是亨/米。μ等于磁介质中磁感应强度B与磁场强度H之比,即通常使用的是磁介质的相对磁导率μr,其定义为磁导率μ与真空磁导率μ0之比,即μ=B/H。

磁导率表示物质磁化性能的一个物理量,是物质中磁感应强度B与磁场强度H之比,又称为绝对磁导率。物质的绝对磁导率和真空磁导率(设为μ0=4π*10^-7H/m)比值称为相对磁导率,也就是我们一般意义上的磁导率。

4、磁性材料的特性

物质大都是由分子组成的,分子是由原子组成的,原子又是由原子核和电子组成的。在原子内部,电子不停地自转,并绕原子核旋转。电子的这两种运动都会产生磁性。但是在大多数物质中,电子运动的方向各不相同、杂乱无章,磁效应相互抵消。

因此,大多数物质在正常情况下,并不呈现磁性。铁、钴、镍或铁氧体等铁磁类物质有所不同,它内部的电子自旋可以在小范围内自发地排列起来,形成一个自发磁化区,这种自发磁化区就叫磁畴。铁磁类物质磁化后,内部的磁畴整整齐齐、方向一致地排列起来,使磁性加强,就构成磁铁了。磁铁的吸铁过程就是对铁块的磁化过程,磁化了的铁块和磁铁不同极性间产生吸引力。参见“磁性产生原理”。

1)元素周期表

编辑


2)磁性元素周期表
​编辑

绿色表示具有铁磁性的元素,在元素下方的数字表示相应的居里温度。

三、三相交流电基础

1、三相电原理****

2、线与相电流的关系与区别

编辑

在三相交流系统中,连接电源中点和负载中点的导线, 称为中线(有时以大地作为中线,此时中线又称为地线),三相电源中三个绕组末端,也可以是三个绕组首端)的连接点,称为三相电源中点或中性点,三相负载星形连接点,称为负载的中点或中性点。在输电线路中使用三角形连接,无需中性线;配电线路转换为星形连接,这样方便提供220V民用电(三相四线)。

发电机或变压器绕组两端电压称为相电压,而三相导线的两线之间的电压称为线电压;流过端线的电流称为线电流,流过各相绕组或各相负载的电流称为相电流。所谓线电压指的是线与线之间电压380,相电压是线与零之间的电压220。

相电压:三相电源中星型负载两端的电压称相电压。用UA、UB、UC表示。

相电流:三相电源中流过每相负载的电流为相电流,用IAB、IBC、ICA表示。

线电压:三相电源中,任意两根导线之间的电压为线电压,用UAB、UBC、UCA表示。

线电流:从电源引出的三根导线中的电流为线电流,用IA、IB、IC表示。

编辑

对三角形接线,线电压就等于相电压;

对星形接线,则线电压与相电压之间的关系为UAB=UAN-UBN、UBC=UBN-UCN和UCA=UCN-UAN。

若三相电源的相电压为正序(负序)对称组,则三相线电压也为正序(负序)对称组。这对三角形电源(或三角形负载)是不言而喻的。对星形电源(或星形负载),以正序对称组为例,有:

UAB=UAN-UBN= √3UAN

UBC=UBN-UCN= √3UBN

UCA=UCN-UAN=√3 UCN

可见,在对称三相电路中,不论三相电源或三相负载,在三角形接法时有Ul=Up,在星形接法时有Ul= √3Up,这里Ul和Up分别为线电压和相电压的有效值。

3、相电压和线电压公式与口诀

1)线电流和相电流的关系与区别_相电压和线电压公式

编辑

编辑

编辑

编辑

编辑

Uab是指向Ua的矢量,从图可得Ua=Uab+Ub,故Uab=Ua-Ub

搜索百度云盘“三相电功率的计算(南瑞)”


编辑

U线=根号3*U相,I线=I相的由来

编辑


编辑


编辑

编辑

编辑


 

编辑

编辑

编辑

在三角形联结中,测量相电压和线电压的两点是相同的,所以两者必然也会相等;而一个线电流将分成两个相电流(一个出线端连着两相绕组),所以线电流一定会大于相电流。

在星形联结中,则刚好相反,一个线电压包含着两个相电压,所以说线电压一定会大于相电压;而相电流就是线电流,也就是说它们两者相等。

因为三相电压也好,三相电流也好,它们之间的关系都不是简单的代数关系,而是向量关系,即矢量关系,所以不能用简单的加减关系来处理,而应用矢量的加减关系来确定。

编辑


2)相电压和线电压口诀

三相电压分相、线,火零为相、火火|线。

三相电流分相、线,绕组为相、火线|线。

说明:

  对于三相电源,其输出电压和电流都有相和线之分,分别叫做“相电压”、“线电压”和“相电流”、“线电流”。本口诀给出的是它们的定义,为了方便,其中输出线的名称均用了俗称,即相线叫火线,中性线叫零线,另外,在实际应用中,不一定引出中性线,此时中性线即代表中性点。

(1)对于电压,相电压是指火线与零线之间的电压,即口诀中所说的“火零为相”;线电压是指火线与火线之间的电压,即口诀中所说的“火火|线”。由三相电源的两种接法可以看出,对于星形接法,可存在上述两种电压值;对于三角形接法,由于没有零线,所以好像只能有线电压,而不存在相电压,实际上不是,因为相电压的严格定义是“每一相绕组两端的电压”,所以说,三角形接法中相电压和线电压是相等的, 在口诀说成“火零为相”是为了实际应用时判定方便。

(2)对于电流,相电流是指流过每一相绕组的电流,即口诀中所说的“绕组为相”;线电流是流过每一条火线的电流,即口诀中所说的“火线|线”。


3)三相平衡负载两种接法中线电压和相电压、线电流和相电流的关系

口诀:

  电压加在三相端,相压线压咋判断?

  负载电压为相压,两电源端压为线。

角接相压等线压,星接相差根号三。

  电压加在三相端,相流线流咋判断?

  负载电流为相流,电源线内流为线。

星接相流等线流,角接相差根号三。

说明:

  三相负载接成三角形或星形并接通三相电源时,和三相电源一样,也有线电压和相电压、线电流和相电流四个电量出现。这四个电量的定义以及相互之间的数值和向量关系与三相电源基本相同,不同之处只在于电源是输出量,而负载是输入量。

  口诀“负载电压为相压,两电源端压为线”是说,每相负载两端的电压叫作相电压,每两个与电源相接的端点之间的电压叫作线电压。相电压和线电压在数值上的关系与三相负载的接法有关,三相负载为三角形联结(简称角接)时,相电压和线电压相等;三相负载为星形联结(简称星接)时,线电压是相电压的√3倍。 即口诀中所说的“角接相压等线压,星接相差根号三”。

  口诀“负载电流为相流,电源线内流为线”是说,每相负载中流过的电流为相电流,流过每条电源线中的电流为线电流。线电流与相电流的关系也与三相负载的接法有关。当三相负载为三角形联结时,每一线电流都分成两路,其中一路为一相,另一路由两相串联组成,所以线电流要大于相电流,即线电流是相电流的√3倍;当三相负载为星形联结时,线电流和相电流相等。

上述关系如图2所示。

编辑

4、三相电功率

1)视在、有功、无功功率及功率因素

编辑

星形接法三相交流功率的计算:

P总=3U相I相COSΦ=3U线/(根号3)I相COSΦ=根号3U线I相COSΦ,I相=I线,P总=根号3U线I线COSΦ。

三角形接法三相交流功率的计算:

P总=3U相I相COSΦ=3U相I线/根号3COSΦ=根号3U相I线COSΦ,U相=U线,P总=根号3U线I线COSΦ。

在功率一定下,U越大(输送电用高压),I越小,在输电线上的损耗Q=I^2RT越小。


2)瞬时功率

功率是指单位时间内所做功的多少P=dW/dt,即功率是描述做功快慢的物理量。功的数量一定,时间越短,功率值越大。所做的功W=∫Pdt是功率对时间的积分。

​编辑

编辑

四、继电保护

1、继电保护概述

它是对电力系统中发生的故障或异常情况进行检测,从而发出报警信号,或直接将故障部分隔离、切除的一种重要措施。 因在其发展过程中曾主要用有触点的继电器来保护电力系统及其元件(发电机、变压器、输电线路等),使之免遭损害,所以也称继电保护。


1)出口动作时间35mS

正弦一个周期时间20mS+继电器从接受到指令到触点有效闭合的时间15mS。测试方法详见“产品测试与实验汇总四、断路器分闸、合闸时间测试”。


2)整定

(1)整定范围:0.1In20In(0.1至20倍额定电流),比如电流互感器600:5,可整定范围60A1200A之间。

(2)一次侧显示精度:3%,比如200A绝对精度194A~206A,300A绝对精度291A~209A。


3)三相与其颜色的对应记忆

记得一个姓名,黄绿红对应ABC。


4)预伏故障

电力系统的电气设备或输电线路有可能在未投入运行前就已存在绝缘故障,甚至处于短路状态,这种故障称为预****伏故障。


5)序分量计算

正序、负序、零序的计算,输入相应的参数即可直接计算,方便快捷。基于VB的软件含有原代码。

编辑

2、自动重合闸

在电力系统中输电线路是发生故障最多的设备而且它发生的故障大都属于瞬时性的。因此自动重合闸在高压输电线路上得到极广泛的应用。自动重合闸主要用于架空线路。

1)重合闸起动条件

重合闸的启动条件是断路器由合闸位置状态转为分闸位置状态且有电流速断、电流限时速断、定时限过流或接地保护中某一项保护动作。


2)重合闸类型

检同期、检无压或不检三种重合闸方式。

(1)检同期:检同期的条件有两个

第一个是同期电压和母线电压幅值大于50V;

第二是同期电压和母线电压相角小于300。同期电压可以通过软件控制字进行选择,可选Ua,Ub,Uc,Uab,Ubc,Uca中的任意一项作参考。

(2)检无压:重合闸中投检无压时,判断同期电压是否存在,如果保护检测到没有同期电压(电压小于6V时为无压状态)则重合闸动作;如果同期电压存在,则判断同期电压大小,电压大于45V时则转入检同期,电压在6V至45V之间时重合闸失败。

(3)不检:当投不检时,不判断同期电压,只要保护动作后经过重合闸延时就会自动重合闸。

(4)举例说明

编辑

假设此时I3在合位,I1、I2在分位,I1投检无压时检测到1母2母无压,I1合闸,I2投检同期,此时检测到1母2母有压同期,I2合闸。10KV系统一般用三合二,很少有检无压、检同期。

三合二运行方式通常是两路电源不允许并列运行,都是分列运行,或者单一电源同时带两段负荷运行,有相应的检压电路,没有检同期电路。

对于双侧电源线路的自动重合闸,要考虑断路器跳闸后,电力系统可能分列为两个独立部分,有可能进入非同步运行状态。因此除应满足基本要求外,还必须考虑在某些情况下,线路发生故障两侧断路器断开之后,线路两侧电源之间有可能失去同步,即线路两侧电源间电动势、相位差增大。因此,后合闸一侧的断路器在进行重合闸时,必须确保两电源间的同步条件,才能合闸并列。


3)一次重合闸脉冲原理

常规重合闸装置利用电容器充电延时15s来构成一次合闸脉冲元件。当断路器合闸后将充电标志位清零并开始充电延时,延时15s后置充电标志位为“1”,以此来模拟一次合闸脉冲元件的电容的充电和放电,以保证第二次不重合。重合闸的延时为0s、2s,超过5s后将不再重合。


4)自动重合闸原理逻辑图

编辑


5)自动重合闸的动作时间整定原则

(1)单侧电源线路所采用的三相重合闸时间,除应大于故障点熄弧时间及周围介质去游离时间外,还应大于开关及操作机构复归原状准备好再次动作的时间。 

(2)双侧电源线路的自动重合闸时间,除了考虑单侧电源线路重合闸的因素外,还应考虑线路两侧保护装置以不同时限切除故障的可能性及潜供电流的影响。

计算公式为:tset.min≥t1+t2+t-t3。

式中:tset.min--重合闸最小整定时间;t1--对侧保护有足够灵敏度的延时段动作时间,如只考虑两侧保护均为瞬时动作,则可取为零;t2--断电时间,三相重合闸不小于0.3s;220kv线路,单相重合闸不小于0.5s;330~500kv线路,单相重合闸的最低要求断电时间,视线路长短及有无辅助消弧措施(如高压电抗器带中性点小电抗)而定;t3--开关固有合闸时间;t--裕度时间。 

(3)发电厂出线或密集型电网的线路三相重合闸,其无电压检定侧的动作时间一般整定为10s;单相重合闸的动作时间由运行方式部门确定,一般整定为1.0s左右。 

(4)单侧电源线路的三相一次重合闸的动作时间不宜小于1s;如采用二次重合闸,第二次重合闸动作时间不宜小于5s。

3、高压开关的合分闸原理

编辑

编辑

编辑

编辑

编辑

编辑

4、防跳

1)防跳概念

防跳是防止“开关跳跃”的简称。所谓跳跃是指由于合闸回路手合或遥合接点粘连等原因,造成合闸输出端一直带有合闸电压。当开关因故障跳开后,会马上又合上,保护动作开关会再次跳开,因为一直加有合闸电压,开关又会再次合上。所以对此现象,通俗的称为“开关跳跃”。防跳的本质是防合。 以下说法更易理解:

运行人员手动合闸断路器于故障线路上,断路器又被继电保护装置动作于跳闸,由于控制开关位于“合闸”位置,会引起断路器重新合闸,断路器将会出现连续跳闸、合闸跳跃现象,断路器应装设防止断路器多次连续跳闸、合闸的跳跃闭锁装置。


2)开关的输出防跳

编辑

编辑

40.5kV 充气柜二次原理图分析 - 知乎类同,百度网盘已收录。

编辑


3)合闸信号的输入防跳

合闸信号:由微机综保或按钮发出的合闸指令;

分闸信号:由微机综保或按钮发出的分闸指令。

比如永磁控制器或永磁模块,输出损坏后,施加合闸信号开关并不动作,故可不予考虑。但输入的合闸信号持续时,需要考虑做防跳。

当合闸操作后,如外加合闸信号尚未解除,此时有外加分闸信号,则允许进行分闸操作,并在进行分闸操作后,闭锁第二次合闸操作。当外加合闸信号撤除后重新加入时,若满足合闸条件,则允许进行合闸操作。

5、备自投(BZT)

1)备自投介绍

(1)概述

两个电源互为备用,当1路电源失电的情况下,另1路电源能够自动投入,就是备用电源自动投入,简称备自投(BZT)。

它可以提高供电可靠性、简化继电保护配置、限制短路电流并提高母线残压, 是电力部门为保证用户连续可靠供电的重要手段。

许多工厂企业中的备用柴油发电机组也经常采用备自投控制。当主电网失电,备自投控制系统自动控制柴油发电机组起动、合闸,自动投入运行。一般有双电源自动转换开关,一备一用,一路出现问题,另外一路自动投入,有电网对电网模式, 有电网对发电机模式。下图列出了线路备自投与母联备自投的线路情况。

编辑

图4.5.1 线路备自投

编辑

图4.5.2 母联备自投

母联备自投用于两路电源的自动快速互投。一般用在双电源系统中,两台进线电源柜供电时母联不投入,在一路电源进线停电时分断,并可自动投入母联开关,实现让一路电源带系统的所有设备。

备自投动作过程:两路进线开关柜中,当检测到本侧电源失压,备自投保护启动跳本侧开关,确认本侧开关跳开后,同时检测两侧电源进线侧电压,有一侧电压大于70V(相当于7kV), 则合母联开关。

备自投保护必须在充电完成后才能动作,而充电完成的条件就包括母联开关处于工作位置、处于分闸位置、两侧至少一侧电源大于70V、进线开关有电且进线开关处于合位。


(2)关于自投与自复与互为备用

Q:什么是自投自复功能?

A:当主电源正常有电时,主电源自动投入,备用电源备用,当主电源失电时,控制装置使主电源断路器断开,备用电源断路器闭合,备用电源供电;当主电源恢复供电时,控制装置使备用电源断路器断开,主电源断路器闭合,恢复主电源断路器供电。

Q:什么是自投不自复功能(或互为备用)?

A:当主电源正常有电时,主电源自动投入,备用电源备用,当主电源故障或失电时备用电源投入,若主电源恢复正常时,不再自动切换到主电源供电。只有当人为切换或备用电源故障或失电时才能切换到主电源供电。


2)备自投的常用方式

编辑

母线I或母线既是工作电源又是备用电源的方式也称为暗备用方式。

变电站备自投原理较简单,不管多复杂的备自投方式,都是下面两种备自投方式的组合:

(1)变压器备自投方式及低压分段开关自投方式

(2)进线备自投方式及高压分段开关备自投方式


3)备自投动作逻辑

其动作逻辑中设有闭锁条件、启动条件、检查条件。当启动条件全部满足,闭锁条件不满足时,出口动作。检查条件用于检测动作成功与否。另外为防止装置误动,在动作判别中设计有充电条件,只有充满电后才开放出口逻辑。


4)基本原则与运行原则

(1)应遵循的基本原则

满足充电条件

工作母线失压(非PT断线造成)

检查有无其他外部条件闭锁备自投

跳开与原工作电源相连接的断路器,以免备用电源合闸于故障

检查备用电源是否合格,如满足要求则合上工作母线与备用电源相连的断路器

备自投只能动作一次


(2)运行原则

备用侧的电压应处于正常运行范围,备用设备应处于正常的准备状态下,备自投装置方可动作。

工作电源侧的电压就低于预定数值,并且持续时间大于预定时间,方可动作。

备自投装置只允许备投一次,动作于永久故障的设备上时应加速跳闸,闭锁备自投装置。

逻辑回路应用PT断线闭锁功能,手动跳闸闭锁及保护闭锁功能。

备自投装置动作后先追跳工作电源断路器,确认工作电源断路器断开后,备自投装置才能投入备用电源开关。

整定时既保证追跳和自投的时间差合理、可靠,又保证失压时间短。

站内如有两套及以上备自投装置,则各级备自投装置应相互配合。

在两台电源设备(互为暗备用时)同时运行在重负荷情况下,如存在一台电源设备故障跳闸有可能造成另一台电源设备过负荷的情况时,可采取如下措施:

电流自投,通过电流的整定,允许变压器在一定负荷范围内备用自投。

负荷联切,即通过备自投装置动作后联切一部分负荷,同时应闭涣这些线路的重合闸。联切负荷时应更加根据负荷性质来整定,逐级切除非重要用户。


5)厂家备自投介绍

如目录跳转内容,详细介绍备自投、电动机保护、线路保护。


6)母联充电保护和简单母线保护

(1)母联充电保护

在母联开关上设相电流或零序电流保护,作为专用的母联充电保护。如果母联开关合于有故障母线,充电保护会立即跳开母联开关,并且保护动作时,充电保护会闭锁母差保护,防止事故扩大化。

母线充电良好后,该保护应退出运行,因其定值小时限短,容易误动,为防止运行人员误投或漏退充电保护,充电保护由回路自动实现,仅在运行人员合母联开关时自动投入 (从分到合的一定时间后) ,并延迟一定时限后自动退出。


(2)反向联锁母线保护

西门子7SJ62综保的每一个过流保护元件都可以用一个开关量输入进行闭锁。一个设置参数决定了这个开关量输入运行是常开或者常闭模式。这就使得在一个辐射系统或者开环系统中,使用“反向联锁”来实现母线保护成为可能。

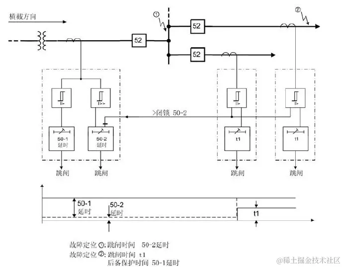
这个原理通常使用在一个带有多条馈线的中等电压母线来供电的配电系统,作为简单的母线保护。反向联锁原理基于以下原则:具有一个短时间延迟50-2延迟的母线馈线跳闸的时限过流保护不依赖于馈线的等级时限,除非下一个负载侧的时限过流保护启动闭锁了母线保护。最接近故障点的保护总是在短延时后跳闸,因为这个保护不能被一个位于故障之后的保护闭锁。

时限保护50-1延迟或者51时限作为备用保护仍然有效。负载侧保护继电器的启动信号输出,通过一个在馈线侧保护继电器的开关量输入,被用作输入信息“>BLOCK 50-2”。

编辑

6、低频减载

1)基本原理

低频减载又称自动按频率减负载,或称低周减载(简称AFL),是保证系统安全稳定的重要措施之一。当电力系统出现严重的有功功率缺额时,通过切除一定的非重要负载来减轻有功缺额的程度,使系统的频率保持在事故允许限额之内,保证重要负载的可靠供电。

频率的测量方法移步:STM32单片机-输入捕获、FFT测频

编辑

图4.6.1 自动低频减载工作原理

基本级的作用是根据系统频率下降的程序,依次切除不重要的负载,以便限制系统频率继续下降。例如,当系统频率降至f1时,第一级频率测量元件启动,经延时Δt1后执行元件CA1动作,切除第一级负载ΔP1;当系统频率降至f2时,第二级频率测量元件启动,经延时Δt2后元件CA2动作,切除第二级负载ΔP2。如果系统频率继续下降,则基本级的n级负载有可能全部被切除。

当基本级全部或部分动作后,若系统频率长时间停留在较低水平上,则特殊级的频率测量元件fsp启动,以延时Δtsp1后切除第一级负载Δpsp1;若系统频率仍不能恢复到接近于fn,则将继续切除较重要的负载,直至特殊级的全部负载切除完。

基本级第一级的整定频率一般为47.5~48.5Hz,最后一级的整定频率一般为46~46.5Hz,相领两级的整定频率差取0.4~0.5Hz。当某一地区电网内的全部自动按频率减负载装置均已动作时,系统频率应恢复到48~49.5Hz以上。

特殊级的动作频率可取47.5~48.5Hz,动作时限可取15~25S,时限级差取5S左右。


2)ALF基本要求

能在各种运行方式和功率缺额的情况下,有效地防止系统频率下降至危险点以下;

切除的负载应尽可能少,无超调和悬停现象;

应能保证解列后的各孤立子系统也不发生频率崩溃;

馈电线路故障或变压器跳闸造成失压,负载反馈电压的频率衰减时,低频减负载装置应可靠闭锁;

电力系统发生低频振荡时,不应误动;

电力系统受谐波干扰时,不应误动。


3)自动低频减载闭锁方式的分析

(1)时限闭锁方式。通过带0.5S延时出口的方式实现,曾主要用于由电磁式频率或晶体管频率继电器构成的低频减载装置中。但当短时消失或重合闸过程中,如果负载中比例较大,则由于电动机的反馈作用,母线电压衰减较慢,而电动机转速却降低较快,此时即使带有0.5S延时,也可能引起低频减载的误动;同时当基本级带0.5S延时后,对仰制频率下降不利。目前这种闭锁方式一般不用于基本级,而用于整定时间较长的特殊级。


(2)低电压带时限闭锁。利用电源断开后电压速度下降来闭锁低频减载。由于电动机电压衰减较慢,因此必须带有一定的时限才能防止误动。特别是在受端接有小电厂或同步调相机以及容性负载比较大的降压变电站内时,很易产生误动。另外,采用低电压闭锁也不能有效的防止系统振荡过程中频率变化而引起的误动。


(3)低电流闭锁方式。该闭锁方式是利用电流断开后电流减小的规律来闭锁低频减载。该方式的主要缺点是电流定值不易整定,某些情况下易出现拒动的情况,同时,当系统发生振荡时,也容易发生误动。目前这种方式一般只限于电源进线单一、负载变动不大的变电站。


(4)滑差闭锁方式:亦称频率变化率闭锁方式,利用从闭锁级频率下降至动作级频率的变化速度(ΔfΔ/t)是否超过某一数值来判断是系统功率缺额引起的频率下降还是电动机反馈作用引起的频率下降,从而决定是否进行闭锁。 为躲过短路的影响,也需带有一定延时。目前这种闭锁方式在实际中被广泛应用。

附录

1、搜索百度云盘“三相电功率的计算(南瑞)”

2、参考线电压与相电压****

3、电气、电子电路符号与表示方法****

4、为什么插座是左零右火

因为人的右手的握住插头时,大拇指在左边。为降低尽可能的伤害,故零线置为左边,火线置于右边,自然上边就是地线了。

编辑


万事须己运,他得非我贤。青春须早为,岂能长少年。觉得不错,动动发财的小手点个赞哦!