电阻选型及应用中的可靠性问题

825 阅读8分钟

电阻选型及应用中的可靠性问题

关键词:电阻选型 可靠性 应用环境 参数 案列分析 温漂

一、电阻的定义

电阻(Resistor)是一种用来限制电流流动的无源电子元件。它的工作原理遵循欧姆定律V=IR,其中V代表电压(V),I代表电流(A),R就是电阻(Ω)。电阻的基本作用是把电能转化为热能或其它形式的能量,从而减少流过电路的电流量。

二、电阻的分类

电阻的种类很多,普通常用的电阻有碳膜电阻、水泥电阻、金属膜电阻、线绕电阻等;特殊电阻有压敏电阻、热敏电阻、光敏电阻等。不同类型的电阻,其特性参数都有一定的差异,在电路使用时需要考虑的重点也不一样。在电路设计中如果忽略了电阻的某些特殊参数,可能会使产品的稳定性和可靠性得不到保证。正确的理解电阻各个参数以及不同电阻的选型注意事项,全面的理解电阻在电路中起到的真正作用,才能够在电路设计中从基本的层面上来保证产品的功能和性能。

 

碳膜电阻:采用高温真空镀膜技术将碳紧密附在瓷棒表面形成碳膜,然后加适当接头切割,并在其表面涂上环氧树脂密封保护而成的,碳氢化合物在真空中高温热分解的碳沉积在基体上的一种薄膜电阻。价格低廉,性能稳定,阻值与功率范围宽。

 

金属膜电阻:采用高温真空镀膜技术将镍铬或类似的合金紧密附在瓷棒表面形成皮膜,经过切割调试阻值,以达到最终要求的精密阻值,然后加适当接头切割,并在其表面涂上环氧树脂密封保护而成。

 

线绕电阻:线绕电阻器是用电阻丝绕在绝缘骨架上构成的。电阻丝一般采用具有一定电阻率的镍铬、锰铜等合金制成。

 

水泥电阻:是将电阻线绕在无碱性耐热瓷件上,外面加上耐热、耐湿及耐腐蚀之材料保护固定并把绕线电阻体放入方形瓷器框内,用特殊不燃性耐热水泥充填密封而成。它属于功率较大的电阻,能够允许较大电流的通过。

 

压敏电阻:压敏电阻是一种限压型保护器件。利用压敏电阻的非线性特性,当过电压出现在压敏电阻的两极间,压敏电阻可以将电压钳位到一个相对固定的电压值,从而实现对后级电路的保护。

 

热敏电阻:热敏电阻是一种传感器电阻,其电阻值随着温度的变化而改变。按照温度系数不同分为正温度系数热敏电阻PTC和负温度系数热敏电阻NTC。正温度系数热敏电阻器的电阻值随温度的升高而增大,负温度系数热敏电阻器的电阻值随温度的升高而减小,它们同属于半导体器件。

 

光敏电阻:光敏电阻或光导管,常用的制作材料为硫化镉,另外还有硒、硫化铝、硫化铅和硫化铋等材料。这些制作材料具有在特定波长的光照射下,其阻值迅速减小的特性。这是由于光照产生的载流子都参与导电,在外加电场的作用下作漂移运动,电子奔向电源的正极,空穴奔向电源的负极,从而使光敏电阻器的阻值迅速下降。

三、电阻的应用环境

1、限流:电阻可以限制通过电路的电流大小,这是电阻最基本的功能。

 

2、降压:当电流通过电阻时,会在电阻两端产生电压降,即电阻消耗了一部分电压。

 

3、分压:将不同的电阻组合在电路中可以实现对电压的分配,构成分压器。这是电路设计中常用的方法,用于获得不同的电压级别。

 

4、分流:通过电阻的并联来实现分流。

 

5、发热:电阻通电后会发热,这个原理应用于各种电热设备,如电炉、电热水壶等。

 

6、防护:压敏电阻,能够用于过压保护和浪涌防护;熔断电阻可以在电流超出规定值时断开电路,起到保护作用。

 

7、上拉和下拉:在复杂的电路和单片机中,有时会使用上拉或下拉电阻,保持电路稳定。

 

8、延时:电阻还可以与电容结合构成RC延时电路,用来控制电路中信号的延迟时间。

 

四、电阻选型应注意参数

电阻选型应用主要关注的参数有:

1、阻值

2、精度

3、功率

4、封装

5、温漂(阻值会随着温度变化而变化)

五、电阻参数选择的案列分析

案列1、电阻阻值和精度选择的案列分析

以一个实际的工程案列来给大家解释一下电阻阻值和精度选择在硬件电路设计中的重要性。在我之前的设计中遇到过一个问题,PCIE转双百兆网网,出现网口找不到的情况:

电路拓扑如下图所示:

图片1.png

PCIE通过switch(PI7C9XPI7C9X2G404SV)桥芯片,一分二为两个PCIE接口再通过芯片转换为两个百兆网接口,测试发现两个以太网接口有时候能识别,有时候不能识别,最总定位到switch(PI7C9XPI7C9X2G404SV)芯片供电问题。芯片供电要求如下图所示:

图片2.png

芯片供电拓扑如下图所示:

图片3.png

如上图框图所示,设计期望V1=V2=V3=1V,实际测试与期望设计实际上存在偏差,因为我们的所有器件都不是理想器件,都有误差。

误差点1:

 V1=0.8 * (1+R1/R2) 

设:V1 = 1V   R1 = 100R   R2 = 400R

因为 R1,R2的精度为±1%   R1=99R101R  R2=396R404R

按设计输出1V算,实际输出为:0.996V~1.004V

误差点2:

V2=V1-Z1*(I1+I2)

设:Z1阻抗为0.01R,Z1的阻抗也是有误差的我们就按0.009R~0.011R算

由于I1是给CPU供电负载可能会变化,按照1A~2A算,I2按1A算

按V1等于1V标准输出计算:V2实际值为:0.967V~0.982V

误差点3:

V3=V2-Z3*I2

设:Z1阻抗为0.01R,Z1的阻抗也是有误差的我们就按0.009R~0.011R算

I2按1A算

按V2等于1V标准输出计算:V3实际值为:0.989V~0.991V

 

三个误差点相互叠加V3的实际值:0.952~0.977,很有可能电压值就落在芯片手册要求的工作范围外。在叠加纹波等影响导致芯片不能正常工作。

 

注意:由上述案列得出,我们在做电源完整性测试的时候,一定要去关注用电芯片引脚处的电压值,大多数时候我们都是测试电源芯片芯片输出处的电压值,没有考虑到电源轨路径上的线损,导致出现可靠性问题。

案列2、电阻功耗和封装选择的案列分析

功耗实际上与封装有关系,只是封装海域绝缘间距和爬电距离这方面有关系贴片电阻功率对应关系如下表

图片4.png

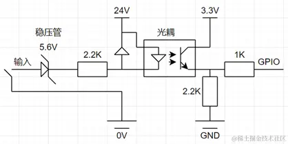
如下图工控领域的典型DI输入电路作为实例解释电阻功耗的问题。

图片5.png

图中2.2K的电阻使用0603封装电阻,额定功耗1/10W,实际功耗约为0.12W,超过了其额定功率,在试验测试时没有出现问题,但是量产之后,时间长了,这个电阻就断开了,导致电路失效。

电阻我们一般会做2倍降额,才认为电路是可靠的,比如实际功耗1/8W,应该选择而定功率1/4W的电阻,也就是选1206封装的,而不是选0805封装的。

 

注意:电阻封装除了功率这个参数外,还有绝缘间距爬电距离这些参数需要去考虑,这些参数对后边产品EMC问题有很大关系。

案列3、电阻温漂参数的案列分析

温漂是电子器件的一个特性,只是取决于我们对这个参数是否敏感,笔者以大学时参加电子设计大赛电子称项目举例,电子称关键器件:应变片(压敏电阻),运放 ADC,如下图所示:

图片6.png

由于应变片对温度敏感,且该电路中存在小信号放大电路,微弱的变化都会影响到采样结果,电子称的精度,所以在设计时需要考虑温漂这个参数

 

注意:在医疗和芯片封测领域,存在较多的小信号和微弱信号的采集放大电路,这种电路中需要高度关注温漂这个参数。