应用方案 | 内置ALC的音频前置放大器D2538A和D3308芯片

89 阅读2分钟

一、应用领域

 D2538A和D3308是芯谷科技推出的两款内置ALC(音频限幅器)的前置音频放大器芯片,其中D2538A为单通道,D3308为双通道,它特别适用于胎心仪、个人医疗防护、立体声收录机、盒式录音机等涉及音频放大与限幅的产品方案。

二 、 功能介绍

  音频前置放大器的功能是把前级输入的音频信号或话筒采集的声音信号进行适当放大,然后作为后级电路的输入信号,这里的信号放大幅度在保证尽量不失真的前提下必须有一定的限制,才能使后级电路工作在预设的正常范围内,而ALC音频前置放大器可以使幅度较高的信号不会被一直线性放大。如果本身幅度就比较高的音频信号放大倍数仍然太高的话会至少出现两个问题:1、信号出现严重削顶失真;2、后级电路可能由于输入信号幅度太高而工作异常,比如声音太大、严重失真、喇叭损坏、功放芯片工作异常或损坏等。 D2538A和D3308具有音频放大器作用的同时,还内置了ALC电平控制功能,可以实现当输入信号幅度太大的时候,仍能保持预设的最高输出电平在极低失真的前提下稳定输出,进而保证后级电路的输入信号在预设的幅度范围内。

三、基本特性

图片

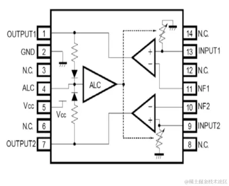
四、引脚信息

1、D2538A引脚信息

图片图片图片图片

   2、D3308引脚信息

图片图片

引出端功能符号(括号内为SOP14的管脚号)

图片

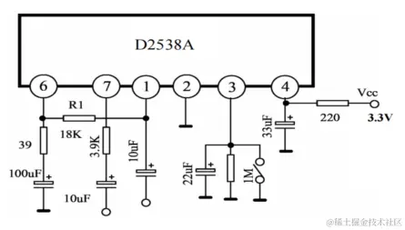
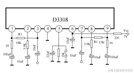
五、参考设计

1、D2538A参考设计

图片

2、D3308参考设计

图片