车辆管理系统设计与实践

566 阅读3分钟

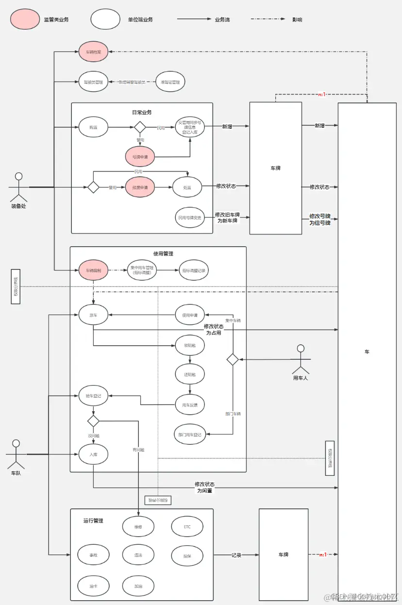
车辆管理系统是针对车辆信息、行驶记录、维护保养等进行全面管理的系统。本文将介绍车辆管理系统的设计原则、技术架构以及实践经验,帮助读者了解如何构建一个高效、稳定的车辆管理系统。e4956585a6f540e78b464da2b131a5e6.png

  1. 系统设计原则

在设计车辆管理系统时,需要遵循以下设计原则:

  • 模块化设计:将系统拆分为多个独立的模块,每个模块负责不同的功能,便于扩展和维护。
  • 数据一致性:确保系统中各个模块之间的数据一致性,避免数据冗余和不一致。
  • 用户友好:设计简洁直观的用户界面,提供良好的用户体验。
  • 安全性保障:加强系统的安全性设计,包括用户身份认证、数据传输加密等。58cb63f5adbe4b7296e267d0b25f9040.png
  1. 技术架构设计

车辆管理系统的技术架构包括以下几个方面:

  • 前端:可以使用React、Vue.js等前端框架开发用户界面,提供用户操作的入口。
  • 后端:选择Spring Boot、Django等后端框架进行开发,处理业务逻辑、数据存储等。
  • 数据库:使用MySQL、MongoDB等数据库存储车辆信息、行驶记录、维护保养记录等。
  • 云服务:考虑使用云计算服务进行部署,提高系统的可扩展性和灵活性。42cfc5816c124170a25fb4dcd2f870ff.png
  1. 数据模型设计

在数据库设计方面,需要设计以下几个关键数据模型:

  • 车辆信息管理:包括车辆基本信息、车牌号、车辆型号、购买日期等。
  • 行驶记录管理:记录车辆的每次行驶记录,包括起始地点、目的地点、里程数、行驶时间等。
  • 维护保养管理:记录车辆的维护保养情况,包括保养时间、保养内容、费用等。5851d98195344a1a9495aa824c0916cd.png
  1. 实现与测试

在实际开发中,需要按照敏捷开发方法,逐步实现系统的各个模块,并进行单元测试和集成测试,确保系统的稳定性和功能完备性。同时,可以进行用户使用场景的测试,检验系统的用户友好度和实用性。356f989a2de24a7581bb1e7fb48742f9.png

  1. 实践经验分享6ded225fbf914047a7c54c41f6742498.png

在实际实践中,需要注意以下几点:aea6e74b0a0449eca9068904b6dbd66c.png

  • 与车辆设备的接口对接:确保系统能够与车载设备、GPS定位系统等进行数据交互。
  • 定期数据备份:定期对系统数据进行备份,避免数据丢失或损坏。
  • 用户培训与反馈:为用户提供系统培训,收集用户反馈意见,不断优化系统功能和用户体验。9bc28238d43b45439bbfb685e2f96a33.png

总结:

通过合理的设计和实践,一个高效、稳定的车辆管理系统能够提高车辆信息管理的效率和精度,为企业或个人提供更好的车辆管理服务。