用环状天线测向电压表鉴相器电路定位的无线电测向仪

163 阅读2分钟

用环状天线测向电压表鉴相器电路定位的无线电测向仪

用环状天线测向电压表鉴相器电路定位的无线电测向仪,是通过相互垂直的两个环状天线接收远处高频信号发生器发出的信号,来实现测量信号发生器方向的仪器。当环状天线面向高频信号发生器的方向时,它接收的信号强度最大,当环状天线偏移高频信号发生器的方向时,它接收的信号强度弱。环状天线将接收到的信号送到收音机电路,电压表接到收音机话筒两端,信号强时,收音机话筒发出的声音大,电压表显示电压高,信号弱时,收音机话筒发出的声音小,电压表显示电压小。

还可以直接将环状天线的信号经过放大后接到示波管的X,Y轴,当X,Y轴电压最大时,环状天线对应的方向就是高频信号发生器的方向。

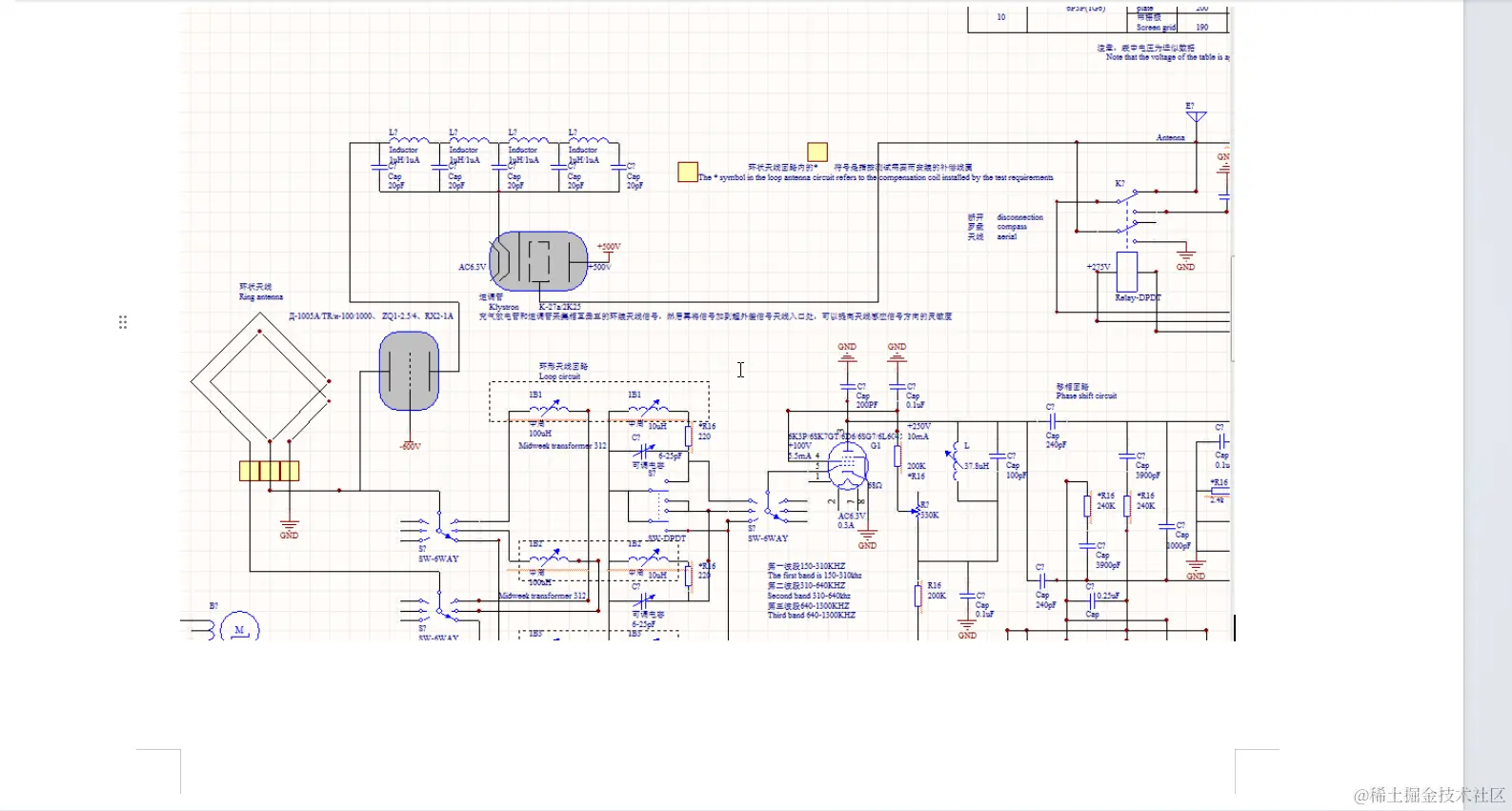
充气放电管和速调管采集相互垂直的环状天线信号,然后再将信号加到收音机超外差信号天线入口处,可以提高天线感应信号方向的灵敏度。

当声音最强时,环状天线对准的方向就是高频信号发生器的方向。直流电机转动换装天线转动,换装天线转动带动小线圈产生感应信号输出收音机接收电路,根据收音机话筒声音大小测定信号源方向。带动另外一组大线圈产生感应信号,经过放大后输出到示波器X,Y轴,显示信号大小,从而测定信号发出方向。话筒声音最大时,电压表电压最大时,示波器X,Y轴信号最大时,环状天线指向的方向就是高频信号发生器的方向。

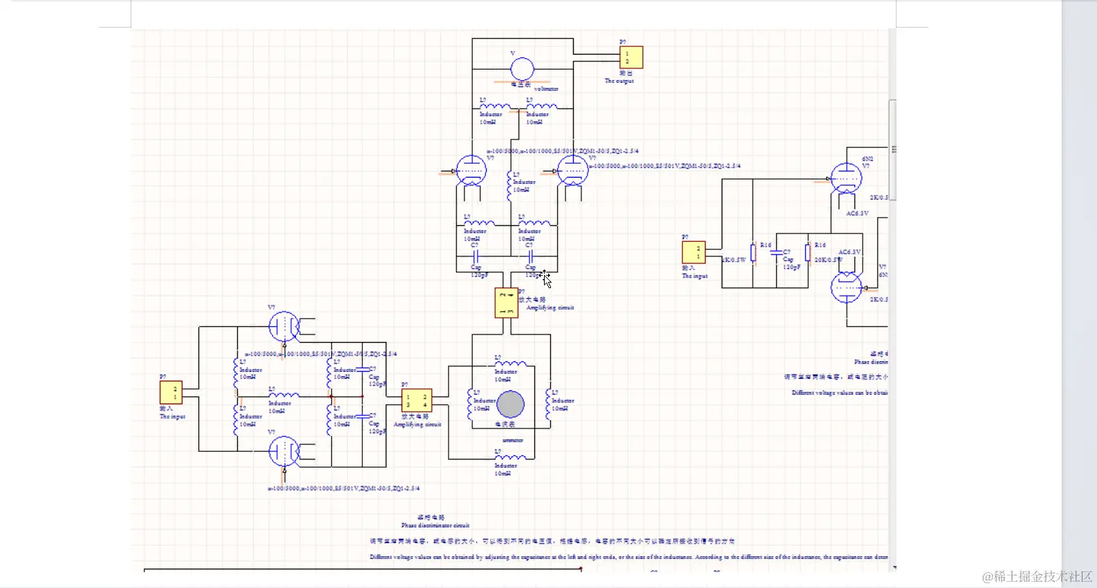
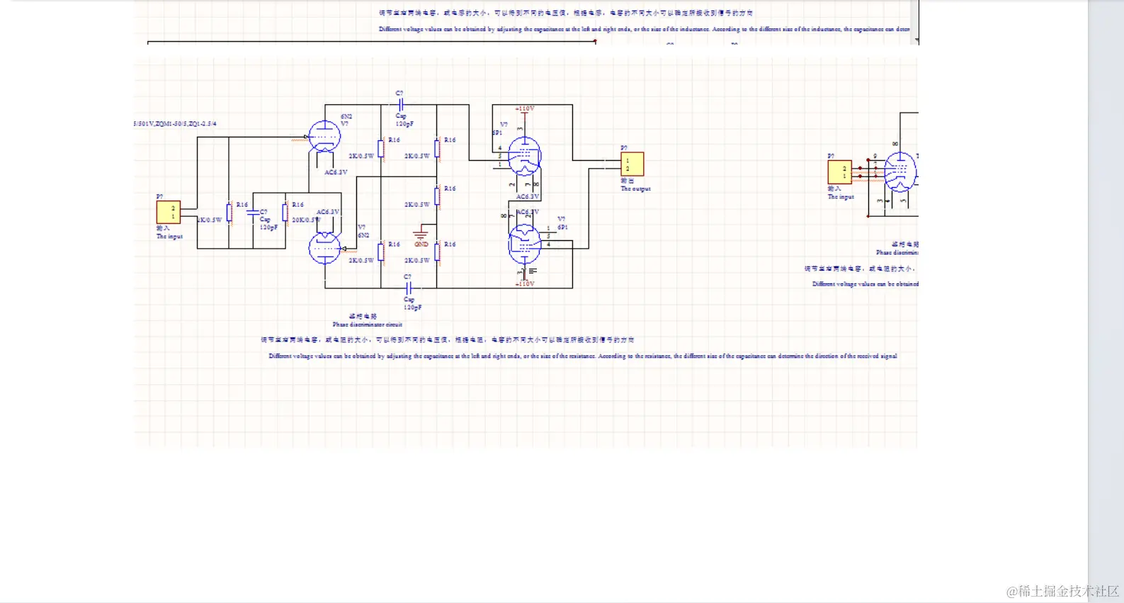
还可以利用鞭状天线接收的信号经过放大器放大后,传递给鉴相器,鉴相器的输出端接上电压表。鉴相器就是将接收到的正弦波信号的相位显示出来,不同的相位对应不同的电压。调节鉴相器的电容,电阻,电感,使电压表的电压高低发生变化,当在最高位置电压时,对应的电压相位就是高频信号发生器的方向。不同,电容,电阻,电感,对应不同的高频信号发生器的方向。它的电路图下载网址是:链接:share.weiyun.com/JcZTG9eU

链接:pan.baidu.com/s/1jx6S9wk5…

提取码:sh35

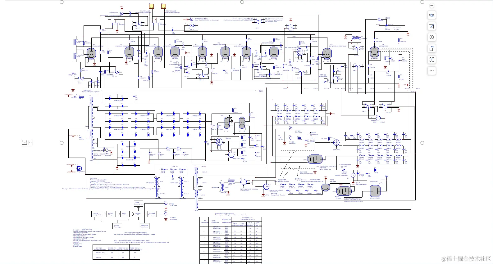
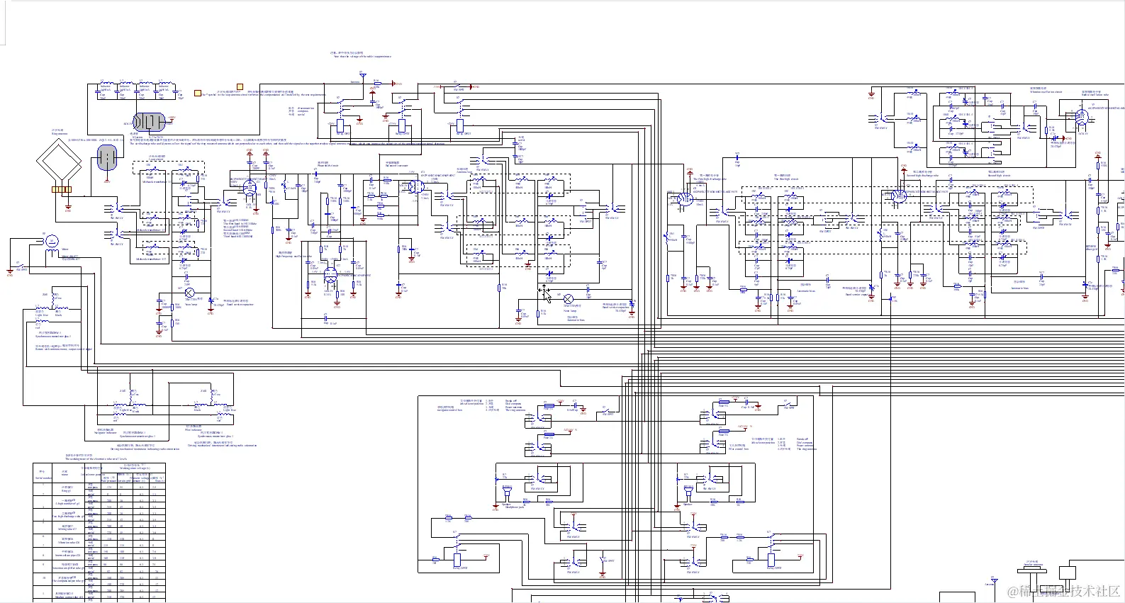
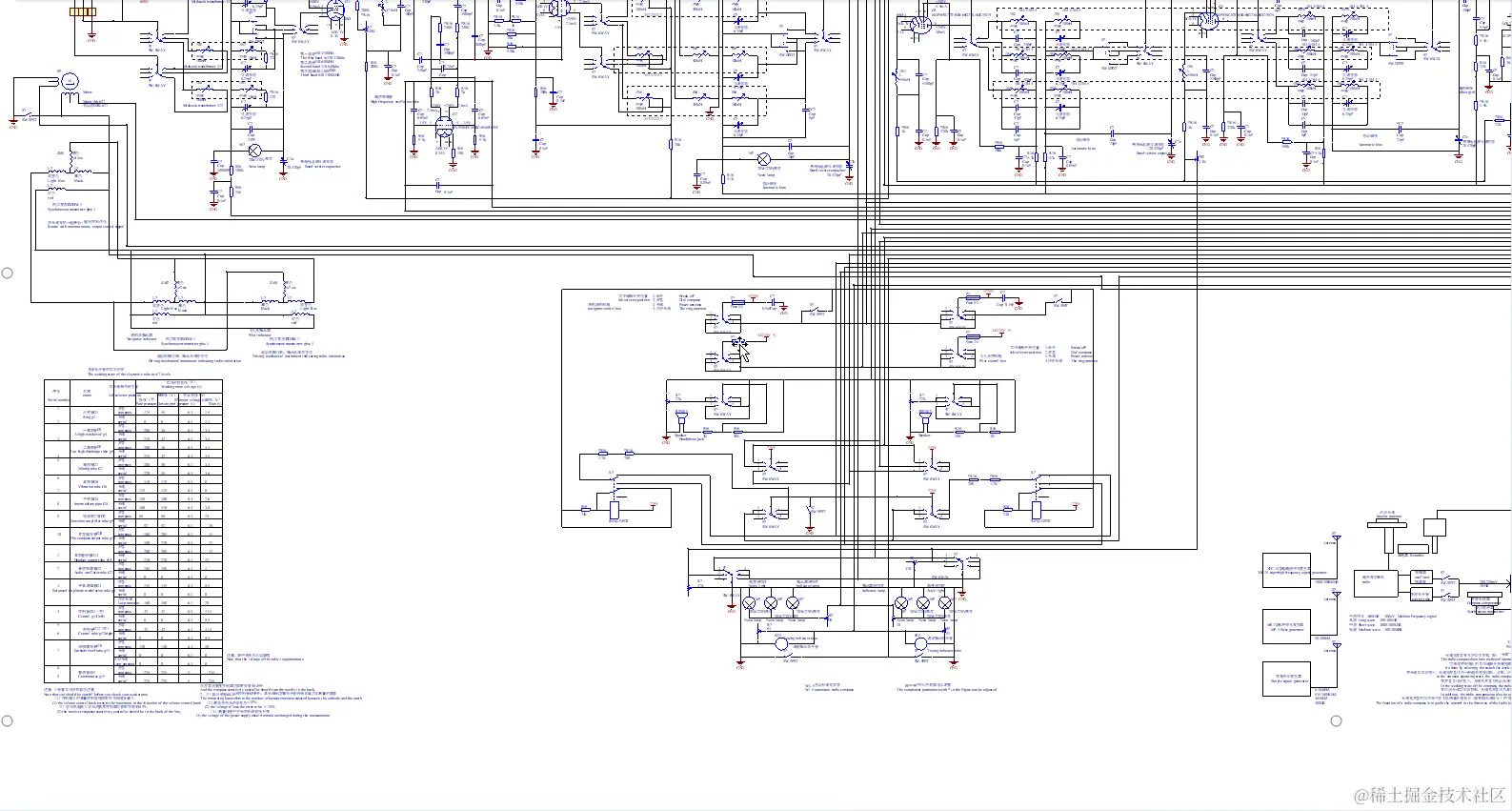
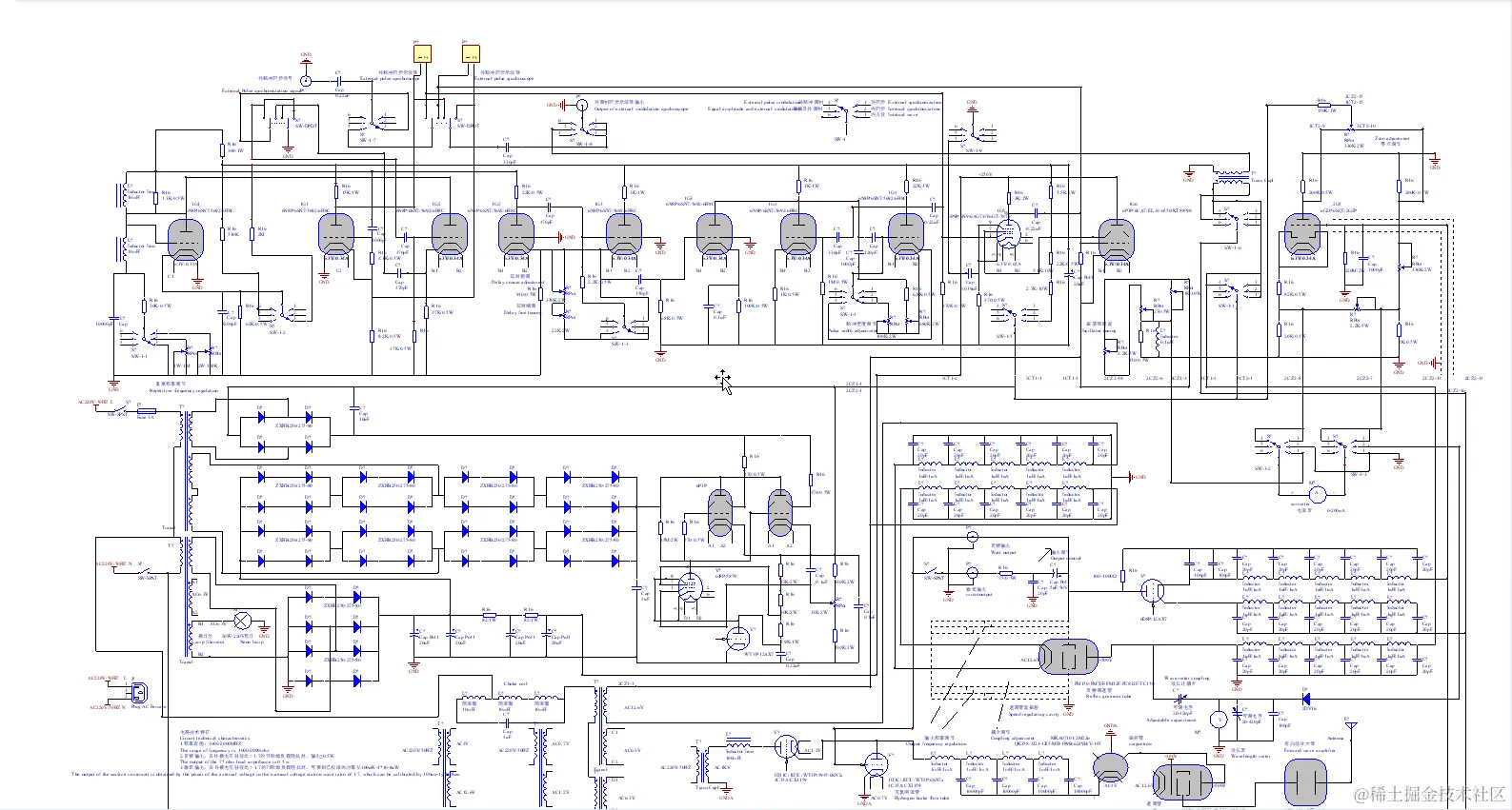
电路图如下:

 

 

  搜狗截图20240221171524.png

  搜狗截图20240221171540.png

搜狗截图20240221171549.png

搜狗截图20240221171556.png

搜狗截图20240221171603.png

搜狗截图20240221171611.png

搜狗截图20240221171619.png

搜狗截图20240221171626.png

搜狗截图20240221171645.png

搜狗截图20240221171653.png

搜狗截图20240221171706.png

搜狗截图20240221171740.png

搜狗截图20240221171748.png

搜狗截图20240221171758.png

搜狗截图20240221171805.png

搜狗截图20240221171816.png

搜狗截图20240221171823.png

搜狗截图20240221171835.png

搜狗截图20240221171845.png