用行波管磁控管发射气体放电管接收的对讲机

85 阅读1分钟

用行波管磁控管发射气体放电管接收的对讲机

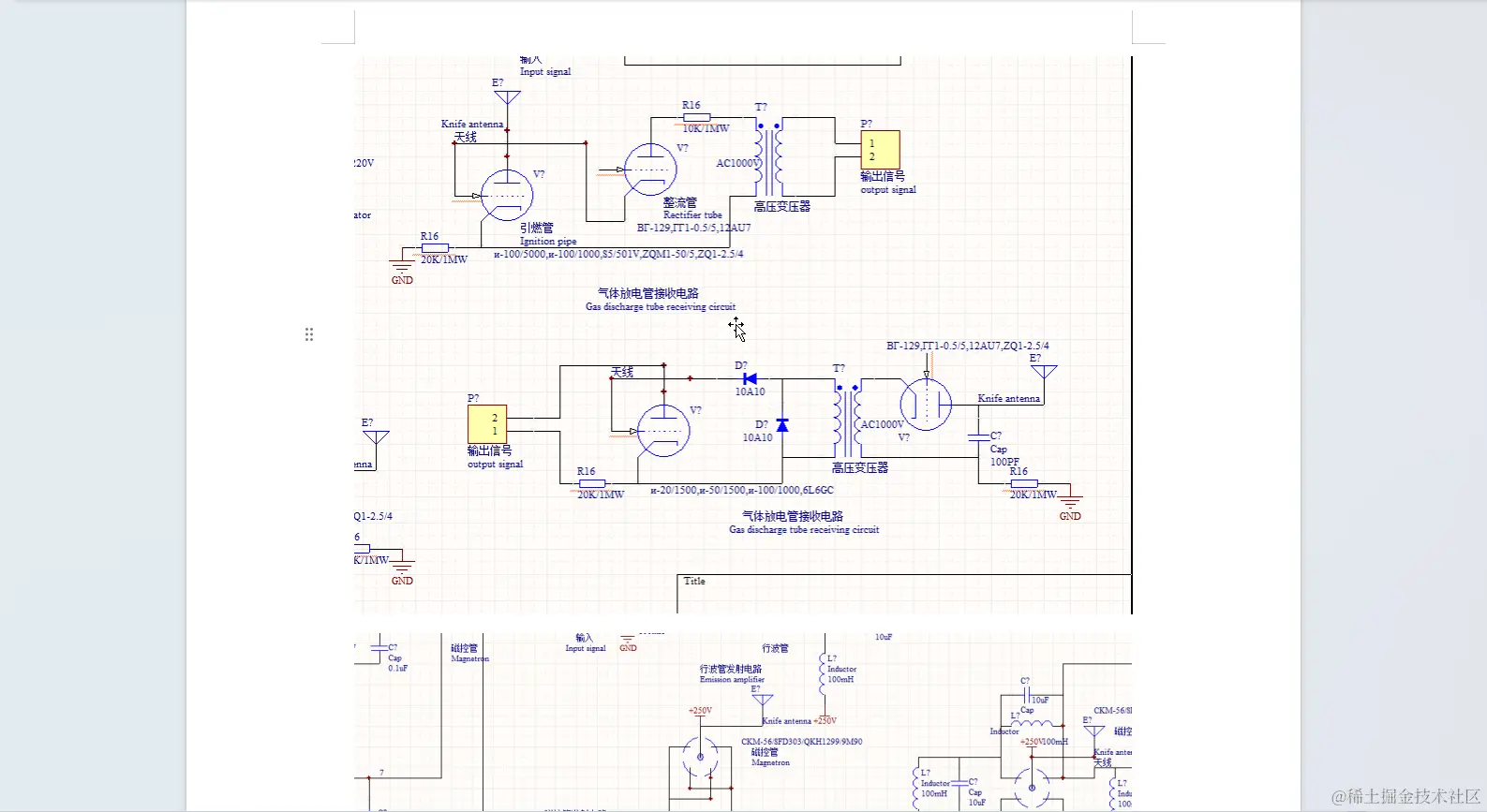
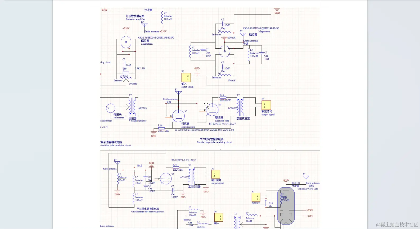
用行波管磁控管发射气体放电管接收的对讲机是一种和一般对讲机类似的对讲机,不同的是,它在普通对讲机发射,接收电路上重新加装了发射,接收电路,普通对讲机原来的电路并没有得到破坏,只是在原电路的基础上加装了行波管,或磁控的变压器放大发射电路,充气放电管,引燃管,闸流管,稳压管,变压器放大接收电路。这样做出来的对讲机灵敏度更高,可靠性更强。它的电路图下载网址是:链接:share.weiyun.com/RkW4sxWq.,

链接:share.weiyun.com/UundI5NM.,

链接:share.weiyun.com/XFEi5roa

链接:pan.baidu.com/s/1YvZpUmUm…

提取码:tteh

它的接收发射电路图如下:

 

 

搜狗截图20240221173339.png

搜狗截图20240221173349.png

搜狗截图20240221173357.png

搜狗截图20240221173406.png

搜狗截图20240221173413.png

搜狗截图20240221173421.png

搜狗截图20240221173430.png

搜狗截图20240221173440.png

搜狗截图20240221173451.png