用示波器和电视机接收信号的雷达

90 阅读3分钟

用示波器和电视机接收信号的雷达

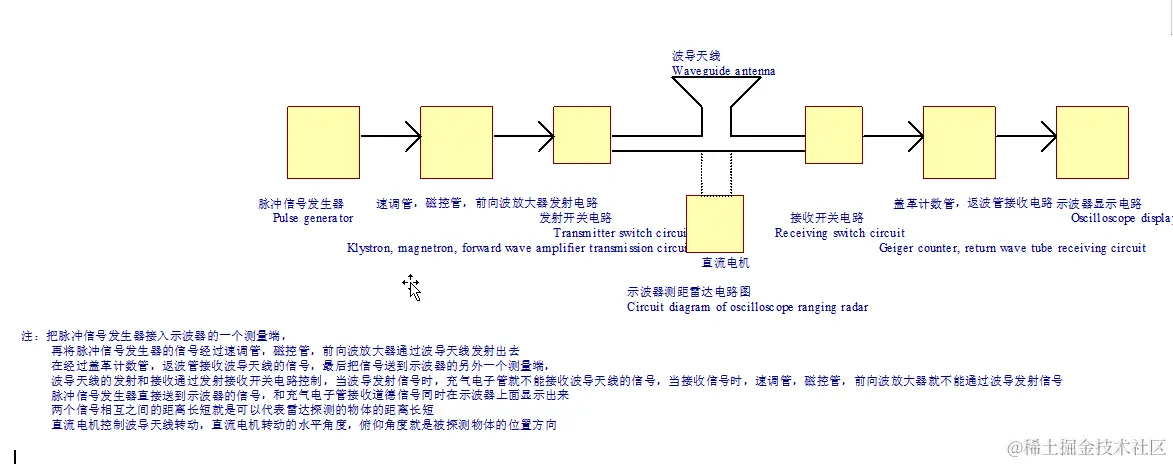
用示波器和电视机接收信号的雷达是一种使用示波器接收脉冲信号发生器发射的信号,电视机接收被行波管,磁控管发射的摄像管信号的雷达。首先使用示波器的一个测量端测量脉冲信号发生器发出的方波信号。再把这个信号通过磁控管,速调管,前向波放大器发射电路传输到波导天线,并发射出去,去探测物体。波导天线利用盖革计数器,返波管接收电路接收被探测物体反射的信号,再把这个信号送到上面那个示波器的另外一个测量端测量信号的强度。这两个信号在示波器上面相距的距离长短,代表了被探测物体距雷达发射位置的距离远近,两个信号的距离越长,被探测物体距离雷达发射端越远。两个信号的距离越短,被探测物体距离雷达发射端越近,它们两者成正比。接收信号电压越低,证明信号被反射的越弱。接收信号电压越高,证明信号被反射的越强。

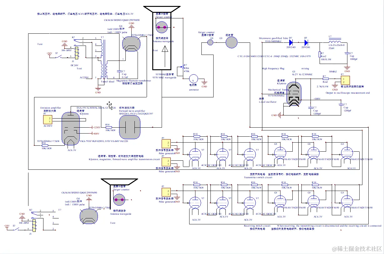
波导天线的发射和接收不能同时进行,当波导天线发射信号时,发射电路和波导天线连接,接收电路就和波导天线断开。当波导天线接收信号时,发射电路和波导天线断开,接收电路就和波导天线连接。波导天线的发射和接收受开关电路控制。磁控管,速调管,前向波放大器发射电路可以将信号放大到1000V左右并发射出去。盖革计数器,返波管接收电路具有放大作用,可以接受几毫伏的信号。

同时还可以使用行波管,磁控管将摄像管采集的图像信号通过波导天线发射出去,去探测物体。再利用光电管,充气离子管,水银整流管,采集波导天线上接收的被探测物体反射信号。再把这个信号送到电视机显示出来。电视机显示的信号强度越大证明信号距雷达发射天线越近,反之越远。把上面摄像管的信号直接送到电视机显示,和上面的信号在电视机的显示可以做对比。

波导天线的发射和接收不能同时进行,当波导天线发射信号时,发射电路和波导天线连接,接收电路就和波导天线断开。当波导天线接收信号时,发射电路和波导天线断开,接收电路就和波导天线连接。波导天线的发射和接收受开关电路控制。磁控管,行波管发射电路可以将信号放大到1000V左右并发射出去。光电管,充气离子管,水银整流管接收电路具有放大作用,可以接受几毫伏的信号。

还可以用一个直流电机控制波导天线的水平旋转,可以用电机同步发送机,旋转变压器,自整角机记录电机的旋转角度,当天线探测到物体时,电机的旋转角度就是探测物体的水平方位角。
还可以用一个直流电机控制波导天线的垂直旋转,可以用电机同步发送机,旋转变压器,自整角机记录电机的旋转角度,当天线探测到物体时,电机的旋转角度就是探测物体的俯仰方位角。

上面的示波器,脉冲信号发生器,摄像管,电视机的电路图的下载网址是:

链接:share.weiyun.com/UyxAEbCe

share.weiyun.com/obLdShyJ

 

链接:pan.baidu.com/s/1tb4y6ZdP…

提取码:u25k

电路图如下所示:

 

 

搜狗截图20240221170109.png

搜狗截图20240221170117.png

搜狗截图20240221170127.png

搜狗截图20240221170140.png

搜狗截图20240221170150.png