工作电压范围宽的国产音频限幅器D2761用于蓝牙音箱,输出噪声最大仅-90dBV

118 阅读1分钟

近年来随着相关技术的不断提升,音箱也逐渐从传统的音箱向智能音箱、无线音箱升级。同时在消费升级的背景下,智能音箱成为人们提升生活品质的方式之一。智能音箱是智能化和语音交互技术的产物,具有点歌、购物、控制智能家居设备等功能,给人们生活带来了便捷,渗入人们的日常生活空间,通过蓝牙连接音箱即可在手机上进行播放、切换、暂停音乐等操作。

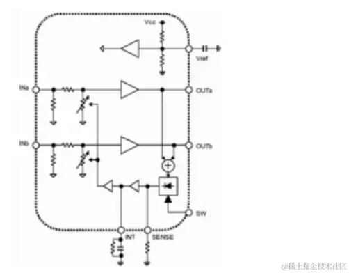
D2761音频限幅器的作用是保护扬声器所设计的音频限幅器,其限幅值(阈值)可通过外接电阻来调节,适合在个人电脑、便携式音响等系统中作音频限幅用。客户项目是做桌面式蓝牙音箱,应用在家庭式,办公室中,推荐了芯谷音频限幅器D2761可用来去除杂波干扰,使扬声器播出音乐的音质提高。

D2761是颗音频限幅器,其具有以下优势:

  1. 工作电压范围宽,能达到+2.7V~13.0V,具有输入电压宽的特点。

  2. 可调电阻来设定限幅值,外接电阻调节限幅范围:0.2V ~ 1V,限幅值可通过外接电阻来调节,方便设计电路。

  3. 输出噪声低:最大值 -90dBV,降噪的效果好

  4. 双极工艺技术,使芯片的工艺优越,提高出产的质量,缩短研发时间

image.png 综上所述,D2761可满足蓝牙音箱保护扬声器的功能