1996-2019年长丰猎豹汽车维修手册和电路图线路接线资料更新至汽修帮手资料库

经过整理,1996-2019年长丰猎豹汽车维修手册和电路图已经更新至汽修帮手资料库内,覆盖市面上99%车型,包括维修手册、电路图、新车特征、车身钣金维修数据、全车拆装、扭力、发动机大修、发动机正时、保养、电路图、针脚定义、模块传感器、保险丝盒图解对照表位置等等!

覆盖车型: 2019年猎豹CS10维修手册和电路图

2018长丰猎豹CS9 EV维修手册和电路图

2018年长丰猎豹Mattu维修手册和电路图

2018年长丰猎豹C5 EV维修手册和电路图

2017年长丰猎豹Q6电路图

2017年长丰猎豹CS10维修手册和电路图

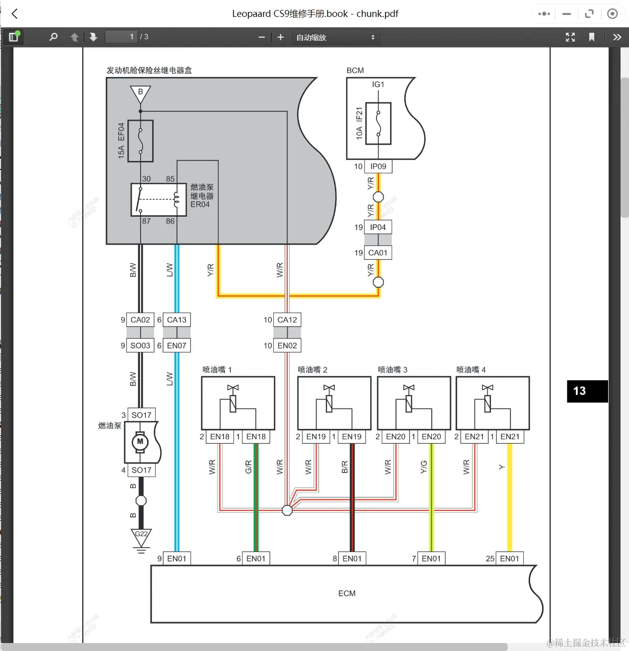
2017-2018年长丰猎豹CS9维修手册和电路图

2016年长丰猎豹CT7维修手册和电路图

2016年长丰猎豹CS7维修手册和电路图

2016年长丰猎豹CS5飞腾维修手册和电路图

2015年长丰猎豹Q6维修手册和电路图

2014年长丰猎豹CS10维修手册和电路图

2013年长丰猎豹黑金刚电路图

2013年长丰猎豹Q6奇兵维修手册

2013-2016年长丰猎豹CS6维修手册和电路图

2011年长丰猎豹CT5维修手册和电路图

2009年长丰猎豹CS7维修手册和电路图

2007年长丰猎豹CS6维修手册和电路图

2002年长丰猎豹飞腾维修手册

1996-2005年长丰猎豹维修手册和电路图

1996-2019年长丰猎豹汽车维修手册和电路图[资料更新]

1996-2019年长丰猎豹汽车维修手册和电路图[资料更新]

1996-2019年长丰猎豹汽车维修手册和电路图[资料更新]

1996-2019年长丰猎豹汽车维修手册和电路图[资料更新]

1996-2019年长丰猎豹汽车维修手册和电路图[资料更新]

1996-2019年长丰猎豹汽车维修手册和电路图[资料更新]

1996-2019年长丰猎豹汽车维修手册和电路图[资料更新]

1996-2019年长丰猎豹汽车维修手册和电路图[资料更新]

1996-2019年长丰猎豹汽车维修手册和电路图[资料更新]