常见的1-2-3位数码管接线详解

454 阅读1分钟

今天玩数码管的时候接触到了数码管的接线,分享一下供刚开始接触的童鞋参考

首先了解什么是数码管

数码管是一种可以显示数字和其他信息的电子设备,是显示屏其中一类, 通过对其不同的管脚输入相对的电流,会使其发亮,从而显示出数字,然后显示出时间、日期、温度等所有可用数字表示的参数。通常用在空调、热水器、冰箱等电器中。

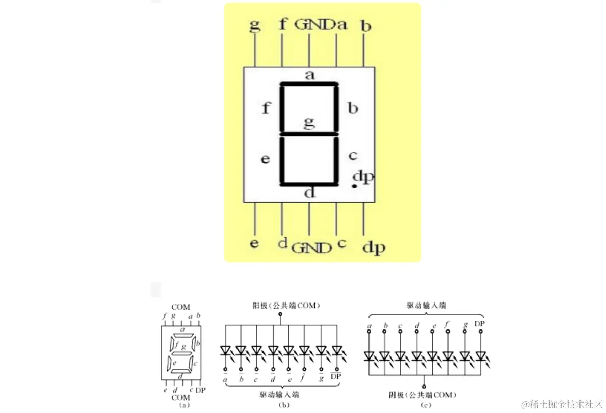
那么数码管引脚图是怎样的呢?下面我们就来说说常见的一位、两位和四位的数码管引脚图。

1位数码管引脚接线图

数码管有两种接法,共阴(AS)或共阳(BS),如果共阴就接低电平,共阳就接高电平。

2位数码管引脚接线图

4位数码管引脚接线图

其中,1、2、3、4分别是自左至右的4位数码管位置;a、b、c、d、r、f、g、h分别对应数码管的8段,接单片机I/O口由高位至低位