Chapter 6 Converter Circuits

68 阅读4分钟

Chapter 6 Converter Circuits

分析了一些converter例如buck, boost, buck–boost, C´uk, voltage-source inverter. 我们不禁会问,这些converter从哪里来?我们还能得到其他什么converter?

这一章就讲电路的变形,移位和简化. 例如把输入输出掉头就变成boost converter. casecode converter,简化电路我们就能得到buck–boost, C´uk converter.

另外本章也会介绍变压器隔离的dc-dc converter. transformer可以得到很大和很conversion ratio

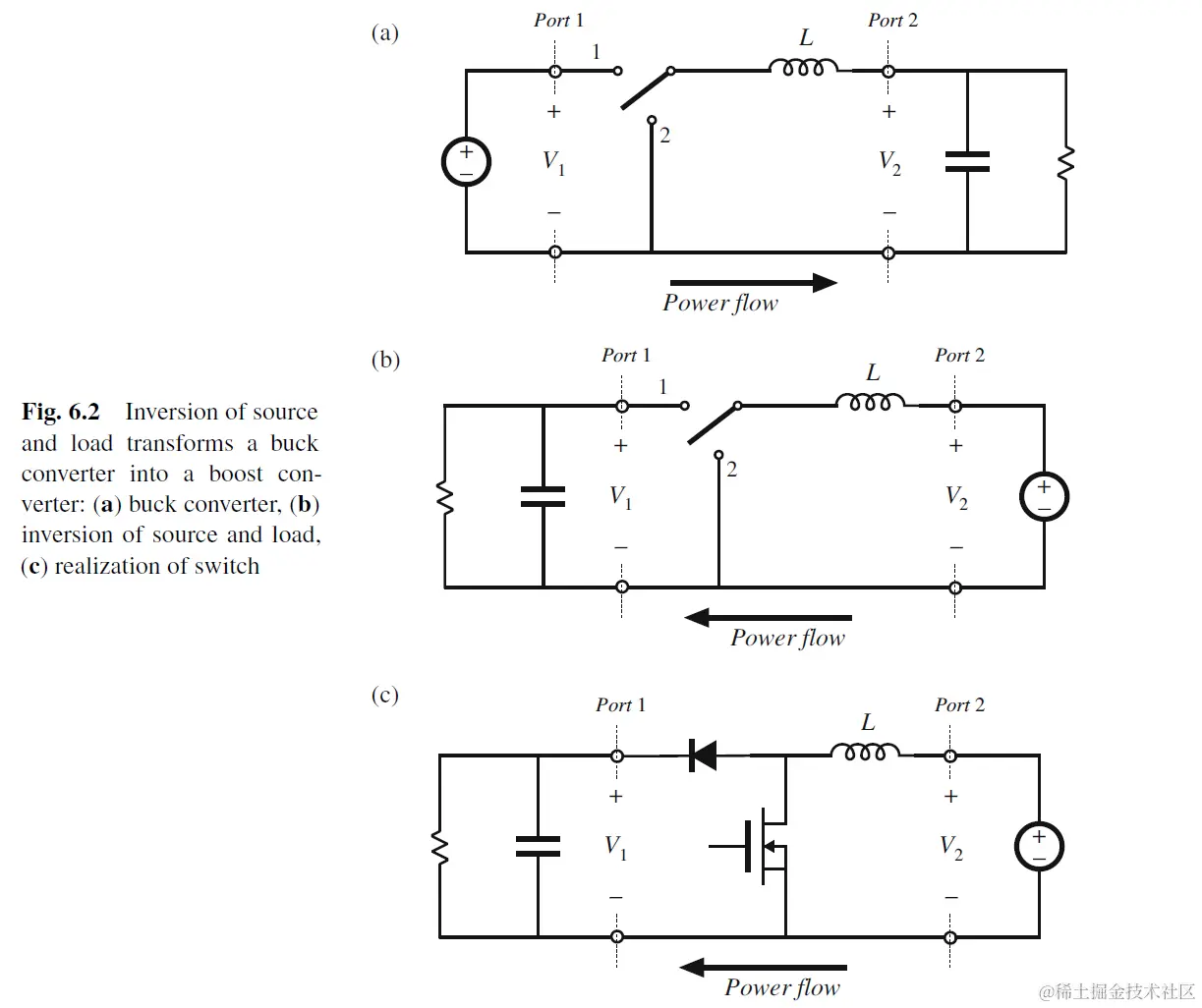
6.1 Circuit Manipulations

Buck和boost转换就是power flow从左到右, 或者从右到左. switch实现都一样.

6.1.2 Cascade Connection of Converters

buck-boost converter就是buck串联boost

经过一系列变换就可以用单刀双掷开关组成buck-boost converter

Cuk Converter本质是boost 串联buck converter. cuk继承了boost输入电流nonpulsating和buck converter输出电流nonpulsating的特点.

6.2 A Short List of Converters

根据拓扑变形, 可得常见的converter拓扑

单电感拓扑:

双电感拓扑

6.3 Transformer Isolation

对于需要隔离的场景, 需要用到变压器(transformer)

v1(t)n1=v2(t)n2=v3(t)n3\frac{v_{1}(t)}{n_{1}}=\frac{v_{2}(t)}{n_{2}}=\frac{v_{3}(t)}{n_{3}}
0=n1i1(t)+n2i2(t)+n3i3(t)0=n_{1}i_{1}(t)+n_{2}i_{2}(t)+n_{3}i_{3}(t)

magnetizing inductance很大, 因此im(t) << i1'(t). i1'(t) ≈ i1(t).

magnetizing inductance导致transformer会饱和.

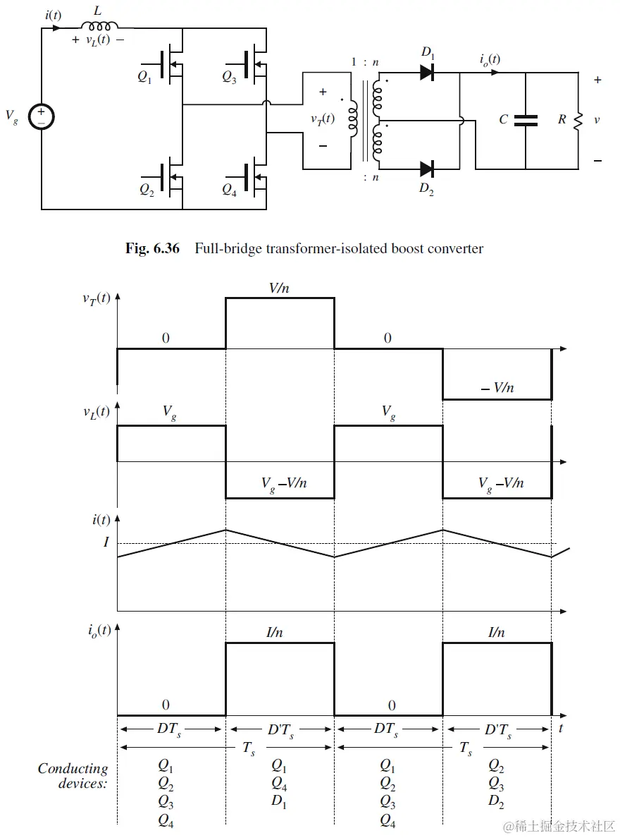
6.3.1 Full-Bridge and Half-Bridge Isolated Buck Converters

full-bridge transformer-isolated buck converter

其switch 导通时序为

0 < t < DTs, Q1,Q4 on, Vt=Vg, 因此D5 on. Vs=nVg.

DTs < t < Ts, Q1,Q2,Q3, Q4 off. Vt=0. iD5+iD6=i(t), iD5=iD6=1/2i(t)

考虑im电流(im<<ni)

iD5=0.5i(t)-1/(2n)im. iD6=0.5i(t)+1/(2n)im.

Ts < t < 2Ts 开关相似, 除了电压加到LM上反向了. Vt=-Vg. 导致im上电流变小.

在实际使用中由于两个phase switch开关时间的mismatch会造成voltage imbalance, 导致变压器饱和.

解决办法可以放一个电容串联变压器primary side. imbalance会在电容上加一个dc voltage而不是变压器上. 还有一个办法就是用电流模控制, 可以省掉电容.

输出电压:

V=vs=nDVgV=\left\langle v_{s} \right\rangle =nDV_{g}

Q1和Q2不能同时on, 否则shoot-through串通

D1和D4钳位switch的peak voltage不超过Vg

full-bridge结构通常用于功率不低于750W的converter.

half-bridge transformer-isolated buck converter

Q3和Q4被换成Ca和Cb. 由于伏秒平衡, Cb上电压为Q2上的dc component电压即0.5Vg

输出电压:

V=0.5nDVgV=0.5nDV_{g}

半桥converter相比全桥, switch流过的电流加倍. 因此半桥converter的功率比起全桥会小一些.

Ca电容可以省掉, current mode控制不适用半桥converter.

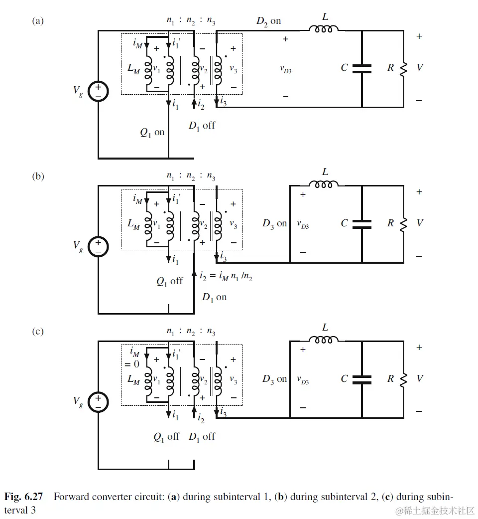
6.3.2 Forward Converter

forward converter拓扑如下图所示. 其只需要一个switch, 因此适用于功率比全桥和半桥更小的应用. 当n1=n2, duty cycle limited 0<D<0.5.

0<t<DTs, Q1 on, D2 on, VD3=n3/n1*Vg

DTs<t<D2Ts, Q1 off, im电流需要继续流, 因此流入primary side的电流反向, 导致D1 on, D3 on

当magnetizing current im 为零, D1 reverse-biased. Q1, D1, and D2 off

primary winding 的平均电压:

v1=DVg+D2(Vgn1/n2)+D3(0)=0\left\langle v_{1} \right\rangle =DV_{g}+D_{2}(-V_{g}n_{1}/n_{2})+D_{3}(0)=0

D3>=0

D11+n2n1D\le \frac{1}{1+\frac{n_{2}}{n_{1}}}

当n1=n2, Duty cycle limit为 D<=1/2

输出电压:

vD3=V=n3n1DVg\left\langle v_{D3} \right\rangle=V=\frac{n_{3}}{n_{1}}DV_{g}

DTs<t<D2Ts, Switch Q1 off, 其承受最大电压为:

max(VQ1)=Vg(1+n1n2)\text{max}(V_{Q1})=V_{g}(1+\frac{n_{1}}{n_{2}})

Q1耐压至少为2倍Vg, 考虑到ringing, Q1耐压得取更高.

A two-transistor version of the forward converter如下图所示. Q1和Q2 gate signal一样, 同开同关.

对于forward converter, transformer magnetizing current不能为负, 因此half of the core B–H loop can be used

6.3.3 Push-Pull Isolated Buck Converter

push-pull isolated buck converter 如下图所示

V=nDVgV=nDV_{g}

push-pull 结构容易造成变压器饱和.

6.3.4 Flyback Converter

Flyback变形于buck-boost converter. 把buck-boost电感换成变压器就成flyback converter

Flyback工作原理:

0<t<DTs, during subinterval 1, Q1 on, D1 off. magnetizing inductor电流增大.

DTs<t<Ts, during subinterval 2, Q1 off, magnetizing inductor电流流出primary side, 因此流入secondary side, D1 on

VL=D(Vg)+D(Vn)=0\left\langle V_{L} \right\rangle =D(V_{g})+D'(-\frac{V}{n})=0

因此输出电压:

V=nDDVgV=n\frac{D}{D'}V_{g}

magnetizing current i, I:

I=nVDRI=\frac{nV}{D'R}

flyback converter 用在50W-100W功率场景, 也用于高压 输入的电视机和显示屏.

flyback的 transistor switch的耐压为Vg+V/n, 在实际应用中算上ringing 需要来耐压值更高. 由于flyback要工作在DCM, 因此LM值更小, 导致peak current更高.

6.3.5 Boost-Derived Isolated Converters

Transformer-isolated boost converters和管子的开关顺序如下所示

subinterval 1, 所有管子on, Vg接到L, D1和D2反向偏置, iL变大

subinterval 2, Q1, Q4 on, L通过Q1和Q4接到Vg, 因此D1 on.

然后重复这个过程, Q2,Q3 on

vL=D(Vg)+D(VgVn)=0\left\langle v_{L} \right\rangle =D(V_{g})+D'(V_{g}-\frac{V}{n})=0

Conversion Ratio

M(D)=VVg=nDM(D)=\frac{V}{V_{g}}=\frac{n}{D'}

6.3.6 Isolated Versions of the SEPIC and the C´uk Converter

SEPIC converter如下图所示

Conversion Ratio:

M(D)=VVg=nDDM(D)=\frac{V}{V_{g}}=\frac{nD}{D'}

工作原理:

Isolated inverse-SEPIC结构如下图所示

Isolated c'uk converter如下图所示: