2015-2023年款宝骏汽车维修手册和电路图线路接线图已更新至汽修帮手资料库

经过整理,2015-2023年款宝骏汽车全系列已经更新至汽修帮手资料库内,覆盖市面上99%车型,包括维修手册、电路图、新车特征、车身钣金维修数据、全车拆装、扭力、发动机大修、发动机正时、保养、电路图、针脚定义、模块传感器、保险丝盒图解对照表位置等等!

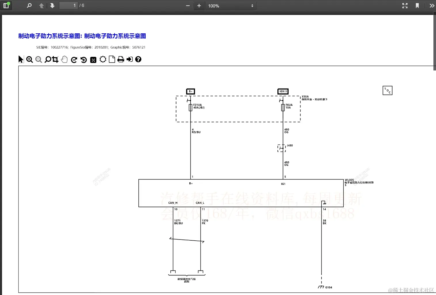
汽修帮手汽车维修资料库提供各大厂家车型维修手册、电路图、新车特征、车身钣金维修数据、全车拆装、扭力、发动机大修、发动机正时、保养、电路图、针脚定义、模块传感器、保险丝盒图解对照表位置等,并长期保持高频率资料更新!

覆盖车型:

2023年宝骏云朵维修手册和电路图

2023年宝骏悦也维修手册和电路图

2021年宝骏Valli维修手册和电路图

2021年宝骏RS-7维修手册和电路图

2020年宝骏RC-5维修手册和电路图

2020年宝骏RC-5W维修手册和电路图

2020-2022年宝骏RS-3维修手册和电路图

2020-2022年宝骏E300 E300P维修手册和电路图

2019-2021年宝骏RC-6维修手册和电路图

2019-2021年宝骏510维修手册和电路图

2019-2020年宝骏RS-5维修手册和电路图

2019-2020年宝骏RM-5维修手册和电路图

2018年宝骏E100电路图

2017年宝骏E100E200维修手册和电路图

2017年宝骏310W电路图

2017-2021年宝骏730维修手册和电路图

2017-2021年宝骏530维修手册和电路图

2017-2018年宝骏510电路图

2016-2018年宝骏310 电路图

2015年五菱宝骏330维修手册和电路图

2015年宝骏560维修手册和电路图

2014年五菱宝骏610维修手册和电路图

2014-2017年宝骏730维修手册和电路图

微信截图_20240103153601.png

微信截图_20240103153652.png

微信截图_20240103153711.png

微信截图_20240103153726.png

微信截图_20240103153808.png

微信截图_20240103153842.png

微信截图_20240103153858.png

微信截图_20240103153921.png 2013年宝骏630维修手册和电路图