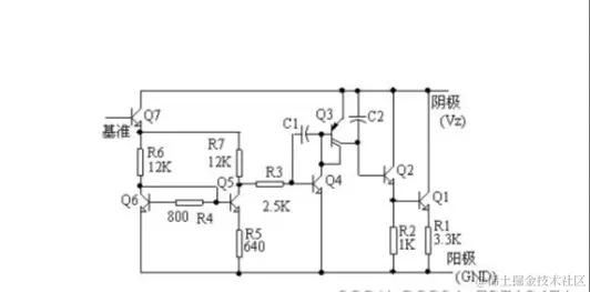
可应用于电脑主板等产品上的精密基准电路WL431 输出电压可设定 响应速度快 青牛科技vxQNKJSY 2024-01-03 40 阅读1分钟 WL431为三端可调节精密基准源。通过两个外接电阻,输出电压可在Vref约2.5 V )到36V连续调节。该电路输出阻抗小(0.2Q)。 开启特性好,在许多应用场合,它能较好地替换齐纳=极管。 主要特点:● 温度系数 50pmC ● 在工作温度范围内有温度补偿 ● 输出电压可设定 ● 响应速度快 ● 输出噪声低封装形式:T0-92、SOT-23 应用: ● 图形插件 ● 电脑主板 ● 电压适配器 ● 开关电源 ● 充电器