【51单片机】数码管与LCD1602

255 阅读7分钟

一、静态数码管

1、数码管介绍

LED数码管:有多个发光二极管封装在一起的"8"字型的显示器

2、数码管引脚定义

分为:共阴极连接(多)、共阳极连接

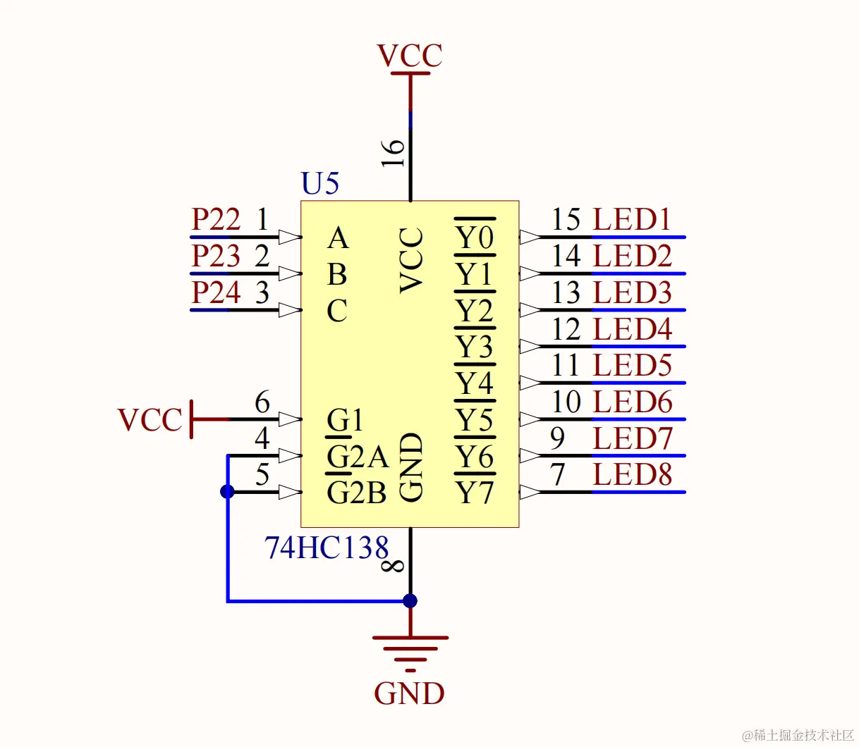
图片仅供参考,以图纸为准

公共端:接地 => 供电

位选端:用来选择哪个需要点亮 => 段码

3、八位一体数码管

  1. 控制P22、P23、P24控制138译码器
  2. 控制P00~P07,指定段码数据

11个引脚(8+3)控制8个数码管 => 同一时刻只有一个被选中

公共端(3) => 138译码器(3 -> 8) => 控制点亮哪个数码管

位选端(8) => 控制数码管哪个二极管被点亮

74HC245(双向数据缓冲器):控制数据传输方向,将控制信号变为供电信号。

准双向口输出配置:"弱上拉、强上拉"

准双向口输出类型可用作输出和输入功能而不需重新配置口线输出状态。这是因为当口线输出为1时驱动能力很弱,允许外部装置将其拉低。当引脚输出为低时,它的驱动能力很强,可吸收相当大的电流。准双向口有3个上拉品体管适应不同的需要。

4、138译码器

G1、G2A、G2B:使能端,G2A、G2B低电平有效,G1高电平有效

A、B、C:译码输入端,高电平有效

Y0-Y7:译码输出端,低电平有效

5、代码实现

#include <REGX52.H>
void main() {
    while(1) {
		P0=0x3F;
    }
}

二、动态数码管

1、动态数码管原理

利用余晖效应快速扫描

2、数码管的消影

理想:「位选 段选」 「位选 段选」 「位选 段选」 ...

现实:位选 「段选 位选」 段选 ... => 产生重影

解决方法:Delay() + 段选清零

3、数码管的驱动方式

1、单片机直接扫描:硬件设备简单,但会耗费大量的单片机CPU时间

2、专用驱动芯片(TM1640):内部自带显存、扫描电路,单片机只需告诉它显示什么即可

4、代码实现

#include <REGX52.H>
#include "Delay.h"

//数码管段码表
unsigned char NixieTable[]={0x3F,0x06,0x5B,0x4F,0x66,0x6D,0x7D,0x07,0x7F,0x6F};

//数码管显示子函数
void Nixie(unsigned char Location,Number)
{
	switch(Location)		//位码输出
	{
		case 1:P2_4=1;P2_3=1;P2_2=1;break;
		case 2:P2_4=1;P2_3=1;P2_2=0;break;
		case 3:P2_4=1;P2_3=0;P2_2=1;break;
		case 4:P2_4=1;P2_3=0;P2_2=0;break;
		case 5:P2_4=0;P2_3=1;P2_2=1;break;
		case 6:P2_4=0;P2_3=1;P2_2=0;break;
		case 7:P2_4=0;P2_3=0;P2_2=1;break;
		case 8:P2_4=0;P2_3=0;P2_2=0;break;
	}
	P0=NixieTable[Number];	//段码输出
	Delay(1);				//显示一段时间
	P0=0x00;				//段码清0,消影
}

三、模块化编程

1、模块化编程简介

传统方式编程:所有的函数均放在main.c里,若使用的模块比较名。则一个文件内会有很多的代码,不利于代码的组织和管理,而且很影响编程者的思路

模块化编程:把各个模块的代码放在不同的.c文件里,在h文件里提供外部可调用函数的声明,其它.c文件想使用其中的代码时,只需要#include "xxx.h"文件即可。使用模块化编程可极大的提高代码的可阅读性、可维护性、可移植性等

2、模块化编程框图

3、C预编译

C语言的预编译以#开头,作用是在真正的编译开始之前,对代码做一些处理(预编译)

预编译含义
#include <REGX52 .H>把REGX52.H文件的内容搬到此处
#define PI 3.14定义PI,将I替换为3.14
#define ABC定义ABC
#ifndef __XXX_H__如果没有定义__XXX_H__
#endif与#ifndef,#if匹配,组成"括号"

4、注意事项

  1. c文件:函数、变量的定义
  2. h文件:可被外部调用的函数、变量的声明
  3. 任何自定义的变量、函数在调用前必须有定义或声明(同一个.c),使用到的自定义函数的.c文件必须添加到工程参与编译
  4. 使用到的.h文件必须要放在编译器可寻找到的地方 (工程文件夹根目录、安装目录、自定义)

四、LCD1602调试工具

1、LCD1602概述

使用LCD1602液晶屏作为调试窗口,提供类似printf函数的功能,可实时观察单片机内部数据的变换情况,便于调试和演示。

提供的LCD1602代码属于模块化的代码,使用者只需要知道所提供函数的作用和使用方法就可以很容易的使用LCD1602

LCD1602会与LED和数码管冲突,属于正常行为

2、LCD1602使用

导入<LCD1602.h>头文件,调用api接口即可

LCD1602驱动代码下载

#ifndef __LCD1602_H__
#define __LCD1602_H__

//用户调用函数:
void LCD_Init();
void LCD_ShowChar(unsigned char Line,unsigned char Column,char Char);
void LCD_ShowString(unsigned char Line,unsigned char Column,char *String);
void LCD_ShowNum(unsigned char Line,unsigned char Column,unsigned int Number,unsigned char Length);
void LCD_ShowSignedNum(unsigned char Line,unsigned char Column,int Number,unsigned char Length);
void LCD_ShowHexNum(unsigned char Line,unsigned char Column,unsigned int Number,unsigned char Length);
void LCD_ShowBinNum(unsigned char Line,unsigned char Column,unsigned int Number,unsigned char Length);

#endif

#include <REGX52.H>

//引脚配置:
sbit LCD_RS=P2^6;
sbit LCD_RW=P2^5;
sbit LCD_EN=P2^7;
#define LCD_DataPort P0

//函数定义:
/**
  * @brief  LCD1602延时函数,12MHz调用可延时1ms
  * @param  无
  * @retval 无
  */
void LCD_Delay()
{
	unsigned char i, j;

	i = 2;
	j = 239;
	do
	{
		while (--j);
	} while (--i);
}

/**
  * @brief  LCD1602写命令
  * @param  Command 要写入的命令
  * @retval 无
  */
void LCD_WriteCommand(unsigned char Command)
{
	LCD_RS=0;
	LCD_RW=0;
	LCD_DataPort=Command;
	LCD_EN=1;
	LCD_Delay();
	LCD_EN=0;
	LCD_Delay();
}

/**
  * @brief  LCD1602写数据
  * @param  Data 要写入的数据
  * @retval 无
  */
void LCD_WriteData(unsigned char Data)
{
	LCD_RS=1;
	LCD_RW=0;
	LCD_DataPort=Data;
	LCD_EN=1;
	LCD_Delay();
	LCD_EN=0;
	LCD_Delay();
}

/**
  * @brief  LCD1602设置光标位置
  * @param  Line 行位置,范围:1~2
  * @param  Column 列位置,范围:1~16
  * @retval 无
  */
void LCD_SetCursor(unsigned char Line,unsigned char Column)
{
	if(Line==1)
	{
		LCD_WriteCommand(0x80|(Column-1));
	}
	else if(Line==2)
	{
		LCD_WriteCommand(0x80|(Column-1+0x40));
	}
}

/**
  * @brief  LCD1602初始化函数
  * @param  无
  * @retval 无
  */
void LCD_Init()
{
	LCD_WriteCommand(0x38);//八位数据接口,两行显示,5*7点阵
	LCD_WriteCommand(0x0c);//显示开,光标关,闪烁关
	LCD_WriteCommand(0x06);//数据读写操作后,光标自动加一,画面不动
	LCD_WriteCommand(0x01);//光标复位,清屏
}

/**
  * @brief  在LCD1602指定位置上显示一个字符
  * @param  Line 行位置,范围:1~2
  * @param  Column 列位置,范围:1~16
  * @param  Char 要显示的字符
  * @retval 无
  */
void LCD_ShowChar(unsigned char Line,unsigned char Column,char Char)
{
	LCD_SetCursor(Line,Column);
	LCD_WriteData(Char);
}

/**
  * @brief  在LCD1602指定位置开始显示所给字符串
  * @param  Line 起始行位置,范围:1~2
  * @param  Column 起始列位置,范围:1~16
  * @param  String 要显示的字符串
  * @retval 无
  */
void LCD_ShowString(unsigned char Line,unsigned char Column,char *String)
{
	unsigned char i;
	LCD_SetCursor(Line,Column);
	for(i=0;String[i]!='\0';i++)
	{
		LCD_WriteData(String[i]);
	}
}

/**
  * @brief  返回值=X的Y次方
  */
int LCD_Pow(int X,int Y)
{
	unsigned char i;
	int Result=1;
	for(i=0;i<Y;i++)
	{
		Result*=X;
	}
	return Result;
}

/**
  * @brief  在LCD1602指定位置开始显示所给数字
  * @param  Line 起始行位置,范围:1~2
  * @param  Column 起始列位置,范围:1~16
  * @param  Number 要显示的数字,范围:0~65535
  * @param  Length 要显示数字的长度,范围:1~5
  * @retval 无
  */
void LCD_ShowNum(unsigned char Line,unsigned char Column,unsigned int Number,unsigned char Length)
{
	unsigned char i;
	LCD_SetCursor(Line,Column);
	for(i=Length;i>0;i--)
	{
		LCD_WriteData(Number/LCD_Pow(10,i-1)%10+'0');
	}
}

/**
  * @brief  在LCD1602指定位置开始以有符号十进制显示所给数字
  * @param  Line 起始行位置,范围:1~2
  * @param  Column 起始列位置,范围:1~16
  * @param  Number 要显示的数字,范围:-32768~32767
  * @param  Length 要显示数字的长度,范围:1~5
  * @retval 无
  */
void LCD_ShowSignedNum(unsigned char Line,unsigned char Column,int Number,unsigned char Length)
{
	unsigned char i;
	unsigned int Number1;
	LCD_SetCursor(Line,Column);
	if(Number>=0)
	{
		LCD_WriteData('+');
		Number1=Number;
	}
	else
	{
		LCD_WriteData('-');
		Number1=-Number;
	}
	for(i=Length;i>0;i--)
	{
		LCD_WriteData(Number1/LCD_Pow(10,i-1)%10+'0');
	}
}

/**
  * @brief  在LCD1602指定位置开始以十六进制显示所给数字
  * @param  Line 起始行位置,范围:1~2
  * @param  Column 起始列位置,范围:1~16
  * @param  Number 要显示的数字,范围:0~0xFFFF
  * @param  Length 要显示数字的长度,范围:1~4
  * @retval 无
  */
void LCD_ShowHexNum(unsigned char Line,unsigned char Column,unsigned int Number,unsigned char Length)
{
	unsigned char i,SingleNumber;
	LCD_SetCursor(Line,Column);
	for(i=Length;i>0;i--)
	{
		SingleNumber=Number/LCD_Pow(16,i-1)%16;
		if(SingleNumber<10)
		{
			LCD_WriteData(SingleNumber+'0');
		}
		else
		{
			LCD_WriteData(SingleNumber-10+'A');
		}
	}
}

/**
  * @brief  在LCD1602指定位置开始以二进制显示所给数字
  * @param  Line 起始行位置,范围:1~2
  * @param  Column 起始列位置,范围:1~16
  * @param  Number 要显示的数字,范围:0~1111 1111 1111 1111
  * @param  Length 要显示数字的长度,范围:1~16
  * @retval 无
  */
void LCD_ShowBinNum(unsigned char Line,unsigned char Column,unsigned int Number,unsigned char Length)
{
	unsigned char i;
	LCD_SetCursor(Line,Column);
	for(i=Length;i>0;i--)
	{
		LCD_WriteData(Number/LCD_Pow(2,i-1)%2+'0');
	}
}