redis 基础-数据结构-跳跃表

86 阅读4分钟
跳跃表定义:

跳跃表(skiplist)是一种有序数据结构,它通过在每个节点中维持多个指向其他节点的指针,从而达到快速访问节点的目的。

跳跃表支持平均O(logN)、最坏O(N)复杂度的节点查找,还可以通过顺序性操作来批量处理节点。

跳跃表使用场景:

Redis使用跳跃表作为有序集合键的底层实现之一,如果一个有序集合包含的元素数量比较多,又或者有序集合中元素的成员(member)是比较长的字符串时,Redis就会使用跳跃表来作为有序集合键的底层实现,
和链表、字典等数据结构被广泛地应用在Redis内部不同,Redis只在两个地方用到了跳跃表,一个是实现有序集合键,另一个是在集群节点中用作内部数据结构,除此之外,跳跃表在Redis里面没有其他用途。

跳跃表构成:

Redis的跳跃表由redis.h/zskiplistNode和redis.h/zskiplist两个结构定义。

zskiplistNode结构用于表示跳跃表节点:

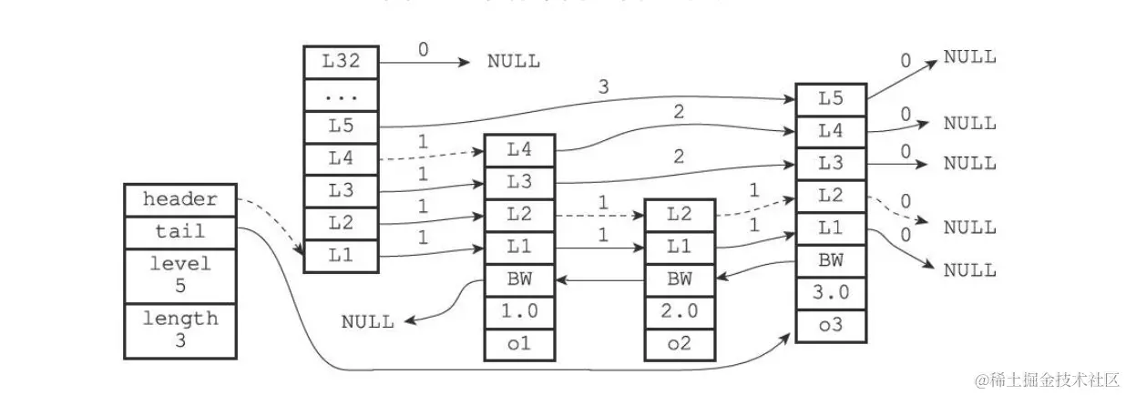
  • 层(level):节点中用L1、L2、L3等字样标记节点的各个层,L1代表第一层,L2代表第二层,以此类推。

每个层都带有两个属性:前进指针和跨度。前进指针用于访问位于表尾方向的其他节点,而跨度则记录了前进指针所指向节点和当前节点的距离。在上面的图片中,连线上带有数字的箭头就代表前进指针,而那个数字就是跨度。当程序从表头向表尾进行遍历时,访问会沿着层的前进指针进行。

  • 后退(backward)指针:节点中用BW字样标记节点的后退指针,它指向位于当前节点的前一个节点。后退指针在程序从表尾向表头遍历时使用。
  • 分值(score):各个节点中的1.0、2.0和3.0是节点所保存的分值。在跳跃表中,节点按各自所保存的分值从小到大排列。
  • 成员对象(obj):各个节点中的o1、o2和o3是节点所保存的成员对象。

zskiplist结构:用于保存跳跃表节点的相关信息,比如节点的数量,以及指向表头节点和表尾节点的指针等等。

  • header:指向跳跃表的表头节点。
  • tail:指向跳跃表的表尾节点
  • level:记录目前跳跃表内,层数最大的那个节点的层数(表头节点的层数不计算在内)
  • length:记录跳跃表的长度,也即是,跳跃表目前包含节点的数量(表头节点不计算在内
跳跃表展示图:

zskiplistNod 结构详细介绍:
  • 结构定义:

跳跃表节点的level数组可以包含多个元素,每个元素都包含一个指向其他节点的指针,程序可以通过这些层来加快访问其他节点的速度,一般来说,层的数量越多,访问其他节点的速度就越快

查询遍历过程:

  • 1)迭代程序首先访问跳跃表的第一个节点(表头),然后从第四层的前进指针移动到表中的第二个节点。
  • 2)在第二个节点时,程序沿着第二层的前进指针移动到表中的第三个节点。
  • 3)在第三个节点时,程序同样沿着第二层的前进指针移动到表中的第四个节点。
  • 4)当程序再次沿着第四个节点的前进指针移动时,它碰到一个NULL,程序知道这时已经到达了跳跃表的表尾,于是结束这次遍历。

举个查询例子:

假如要查询 数值为3.0的位置,从头节点出发遍历到3.0, 沿途经历的层:查找的过程只经过了一个层,并且层的跨度为3,所以目标节点在跳跃表中的位置为3。是不是很快!

zskiplist 结构详细介绍:
  • 结构定义:

通过使用一个zskiplist结构来持有这些节点,程序可以更方便地对整个跳跃表进行处理,比如快速访问跳跃表的表头节点和表尾节点,或者快速地获取跳跃表节点的数量(也即是跳跃表的长度)等信息

跳跃表常见api

总结
  • 跳跃表是有序集合的底层实现之一。
  • Redis的跳跃表实现由zskiplist和zskiplistNode两个结构组成,其中zskiplist用于保存跳跃表信息(比如表头节点、表尾节点、长度),而zskiplistNode则用于表示跳跃表节点。
  • 每个跳跃表节点的层高都是1至32之间的随机数。
  • 在同一个跳跃表中,多个节点可以包含相同的分值,但每个节点的成员对象必须是唯一的。❑跳跃表中的节点按照分值大小进行排序,当分值相同时,节点按照成员对象的大小进行排序。