ADI | 如何通过动态电压调整(DVS)来实现精密电压调节

110 阅读4分钟

当需要严格调节的电源电压时,可以利用开关稳压器数据手册中的直流电压精度规格。该精度值通常为±1%或±0.5%。如果电压转换器在反馈路径中使用外部电阻分压器,进行电压精度计算时必须要包含电阻的容差。

此外,除了直流精度外,还必须考虑动态电压精度。如果发生负载瞬变,即负载突然消耗高电流,则生成的电压可能会低于或高于设定点电压,然后稳定在设定点水平。此行为取决于控制环路的速度。对于必须严格调节电源电压的应用,在此类负载瞬变期间通常也需要提供精密电压。图1显示了发生负载瞬变后时域中的典型电压响应。可以看到,100μs后连接了一个负载,400μs后断开了该负载。

upfile

图1. 发生负载瞬变后电源的典型电压响应

DVS技术的优势

DVS具备多种优势,有助于实现更高精度的精密电压调节。利用DVS技术,可以在设定点附近调整输出电压,以补偿负载瞬变并提供更严格的调节。

如图1所示,负载瞬变后的电压波动通常比电源电压的直流精度限值高出许多倍。图1中的虚线显示了1%的精度限值。

为了将这些有时非常高的电压波动控制在规定的精度范围内,使用DVS是有意义的。例如,当负载较低时,假设接下来会发生负载瞬变至高负载的情况。因此,在发生负载瞬变之前,输出电压会稍微提高(例如提高到5.2 V)。但电压下降的幅度不会因此而改变。电压不是从5 V下降到4.75 V,而是从5.2 V下降到4.95 V。当存在高负载电流时,电压会稍微降低,因为一般预计负载会在某个时刻再次下降。这样电压过冲就不会那么高了。

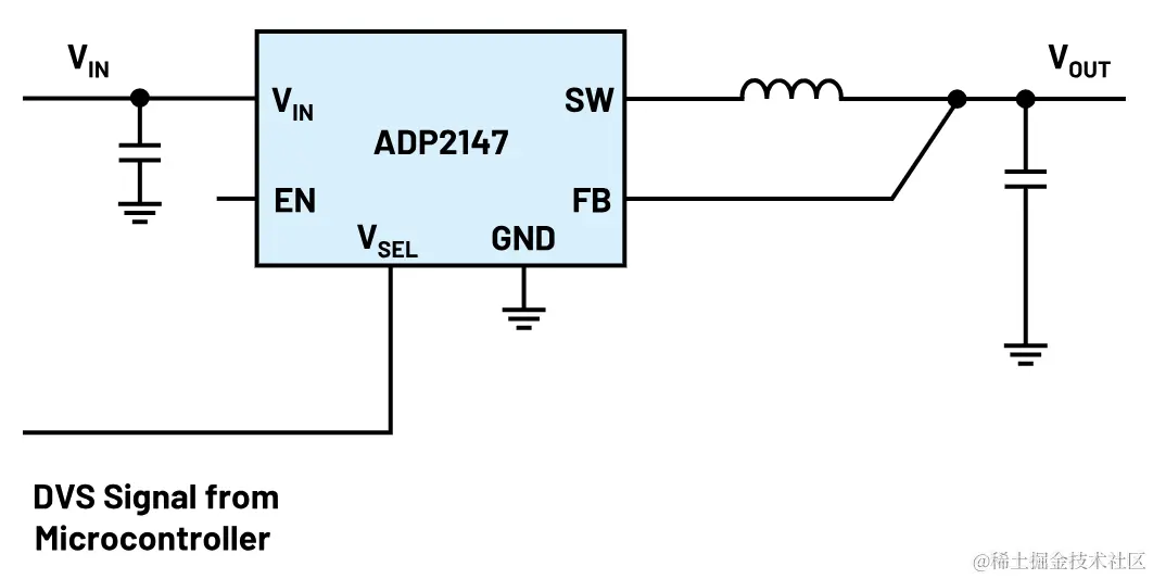
图2所示的降压开关稳压器电路就是一个简单的DVS实现方案。例如,通过将微控制器信号施加于VSEL引脚,指示是否应稍微提高产生的电压。使用简单的DVS实现方案时,系统必须生成此指令并将其提供给开关稳压器。有些开关稳压器则实施了更复杂的DVS系统。使用这些系统时,针对DVS切换的各个负载阈值可以直接编程设置。

upfile

图2. 通过VSEL引脚实现简单DVS的降压稳压器

在某些情况下,需要严格调节电压的应用可能需要监控IC来检查产生的电压是否确实在容差范围内。当没有负载瞬变时,通过一个简单的电源监控器芯片就足以检查直流电压,该电压通常位于一个很窄的范围内。(买元器件现货上唯样商城)然而,这不适用于DVS系统,因为其直流电压有两个不同的值:DVS意味着该值有时较高,有时较低。

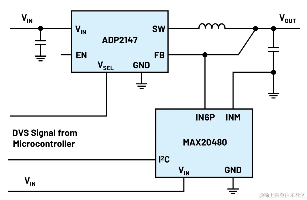
特殊的监控IC(例如 MAX20480 电源系统监视器)也可以与DVS系统一起使用,以实现可靠的电压监控。MAX20480具有数字I2C接口;就像图2中的开关稳压器一样,它可以通过VSEL引脚动态切换,在使用DVS系统时可用于监控较高或较低的直流电压。图3显示了图2中DVS开关稳压器的框图,其中增加了支持DVS的电压监控IC。

upfile

图3. 使用支持DVS的电源监控器对高度关键型应用进行监控

结语

使用一些有趣的解决方案可生成具有高直流精度和动态精度的精密电源电压。DVS特别有用。许多支持DVS的特殊IC(包括MAX20480电源监控器IC)可用于监控产生的电压。此类IC可提高性能,同时降低与电源转换系统相关的成本。