MPS全系列电机驱动产品,助力新能源汽车实现更好的智能化

80 阅读6分钟

前言

近年来,电机驱动市场有着广泛而快速的增长,无论是在工业领域、消费领域亦或是新兴的新能源汽车领域,电机驱动正在得到更多的应用。

快速增长的电机驱动市场也对电子设计与芯片性能提出了更高的要求,例如高可靠性、更加全面的保护与诊断功能、智能化、灵活性等方面。

正文

就在上周五(10月27日),MPS 公司在上海举办了一场电机驱动产品媒体发布会。MPS 公司模拟产品线总监瞿松(Song Qu)协同 MPS 公司中国区负责电机驱动和传感器产品的 BD 经理潘兴卓(Patrick Pan)分享了在汽车电子,特别是汽车电机驱动的发展方向、技术及市场优势,以及未来的布局和规划,并介绍了一些新产品。

图片
模拟产品线总监  瞿松(Song Qu)

电机驱动和

传感器BD

 潘兴卓(Patrick Pan)图片

0 1  

MPS 公司在电机驱动领域已经有超过十年以上的技术积累,在行业中有众多的应用和客户群体。随着市场与技术的不断演进,MPS 公司的芯片设计也在不停迭代与提升性能,从而更好的服务广大市场与客户。

 
MPS电机驱动的核心技术包括但不局限于:   

  • 高功率密度功率级

  • 独有的封装专利技术

  • 先进的控制算法

  • 完善的系统布局

  • 功能安全体系

在未来,MPS 公司一方面会进一步完善核心竞争力,同时在汽车电子领域与电机 MCU 方向进一步加大投入力度和产品布局。

0 2  

在汽车电子方面,如今的新能源汽车产业发展迅速,集成化和智能化成为大势所趋,汽车厂家与供应商要求汽车零部件的设计越来越集成、越来越智能,以便给消费者带来更好的产品性价比与用户体验。

域控制器(DCU)

DCU 的出现打破了传统的思维方式,相比于聚焦特有功能,DCU 的目标则瞄准于集成度、功能多元化,直接和马达驱动相联系。DCU 之所以引人注目,还由于它引导汽车供应商将研发资金集中在单个的子系统上,而不是十几个以上的不同子装置。 想要实现如此复杂而强大的 DCU,汽车供应商不再只依赖大多数现有的成品 IC,而更倾向于精心设计的集成化器件和更多的电机执行部件。分布式电机执行部件可以带来众多优势,包括更少的线束、减轻重量与尺寸,在功耗与 EMC 性能间达到良好平衡,更加优良的性价比。因此电机执行部件在域控制器中有更加广泛的应用,例如:

  • 门锁、童锁

  • 车窗、天窗控制

  • 座椅控制

  • 尾门控制

  • 遮阳帘

  • 座椅散热风扇

  • 后视镜控制

  • 雨刷控制

  • 风门控制

图片

图1:MPS 电机驱动在汽车中的应用示意图

除了域控制器之外,MPS 公司的电机驱动可以应用到多个汽车系统中,包括但不局限于:

  • 热管理系统
  • 油泵、水泵
  • 座椅散热
  • 中控散热
  • 抬头显示
  • 大灯控制
  • 激光雷达
  • 智能执行器
  • 旋转屏

面对日新月异的汽车市场,MPS 公司的全系列电机驱动产品可以帮助汽车制造商更好的实现 DCU 和电机功能,除了会考虑给特定产品的 “杀手锏”功能,还会统一产品开发路线和主控芯片生态系统,精心设计产品使其具备更高的安全性,可扩展性和可靠性。

0 3  

在车身控制方面,MPS 公司的8路 PWM 汽车级驱动 MPQ662x 系列产品,具有 6V-40V 输入电压和 64mA 栅极驱动电流,可以同时驱动4个有刷电机,集成性非常强。另外,它还提供SPI串联控制接口,其 Charge pump 可用于实现外部 N-MOS 防反电池保护和实现高端栅极驱动支持 100% 占空比 ,而8路 PWM 可以极大简化用户的设计。

图片

图2:8路 PWM 汽车级驱动 -- MPQ662x

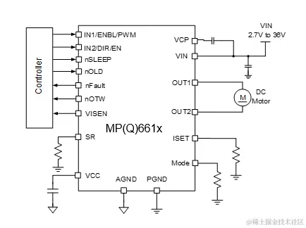
汽车级全桥马达驱动 MPQ661X,具有 2.7V-36V 输入电压,8A 连续输出电流,内部全H-桥驱动可支持 100% 占空比,MOSFET 导通电阻: HS+LS = 40mΩ,多种 MODE 可选,如输入 PWM/DIR、IN1/IN2、独立-PWM、并联等设置模式,可兼容 3.3V 和 5V 逻辑电源。

图片

图3:汽车级全桥马达驱动 -- MPQ661X

对于内部电气控制方面,MPS 公司推出了36V/0.5A步进电机驱动,36V/2.5A三相电机驱动和35V/1A三相无感 BLDC 电机驱动。其中,步进电机驱动集成了2个内部全桥驱动,逻辑接口简单,可兼容 3.3V 和 5V 逻辑电源,步进模式包含整步至32步。三相电机驱动集成3个全桥驱动,内部 Charge Pump 支持 100% 占空比工作,可自动同步整流,具有PWM & 使能输入。

图片

图4:MPS 公司汽车级三相无感 BLDC 电机驱动 (35V/1A)

0 4  

MPS 公司并不仅仅停留在模拟芯片领域,也在逐渐向数模混合领域拓展。尤其是电机 MCU 的产品布局,将会进一步加强 MPS 在电机驱动与汽车电子市场的全面布局。MPS的电机 MCU 产品将会涵盖三个系列:

  • 电机MCU

  • MCU与三相预驱集成

  • MCU与三相驱动、Mosfet集成

 以上产品集成了电机控制算,并能考虑所有与安全相关的故障情况,可以灵活升降级,以便针对不同等级的电机形态快速开发设计。(买元器件现货上唯样商城)并且基于 MPS 在电源设计与工艺上的技术积累,该系列 MCU 可以支持更大的持续电流,适用于更广泛的应用。

图片

图5:MPS 公司电机 MCU 产品系列

关于MPS

在快速发展的汽车电子市场中,MPS的电机驱动布局广泛且优势独特,可以帮助客户成功、快速地开发安全、可扩展、可靠的解决方案。作为一家全球领先的半导体供应商,MPS凭借敏锐的洞察力和丰厚的经验可以满足汽车客户的严格要求,我们的内部工艺技术持续领先于竞争对手,如今已从电源产品扩展到马达驱动领域,在汽车应用方面亦是从IC拓展到整个应用领域。