MPS | 点亮充满想象力的“第三空间”

190 阅读9分钟

“全液晶中控大屏,高清的显示效果,让各种操作变得前所未有的流畅和简单;”

“语音交互,就可以接打电话、微信聊天,还能实现智能导航;”

“搭配高品质音响和氛围灯,就可以拥有观影和听音乐的沉浸式体验;”

“OTA智能升级,将手机上的软件与车内系统无缝对接;”

“驾驶也更加安全了,可以监测驾驶员的驾驶状态,也可以对紧急路况进行预警;”

一场智能座舱的变革,已经悄悄地走进了我们生活。

它是得力的出行助手,是充满想象力的“第三空间”,更是我们与数字智能化时代的一个交互界面。

作为汽车与消费者的近距离高频触点,座舱的进化,则是汽车智能化由底层生长出来的最具体而微的体现,也是最具想象力和创造力的对未来生活的愿景。

基于来自 IHS Markit 的数据,2020年中国市场座舱智能配置水平的新车渗透率约为48.8%,到 2025 年预计可以超过75%,长期预测中国的智能网联汽车市场将不断增长,至2025年接近2000万辆,均高于全球市场的装配率水平,以期满足中国日益增长的座舱智能配置需求。

从用户购买决策的关键因素来看,根据 IHS Markit 最新的调研结果,座舱智能科技配置水平是仅次于安全配置的第二大类关键要素,其重要程度已超过动力、空间与价格等传统购车关键要素,反映出座舱智能科技已成为用户购车的重要考量。

今天我们就来探讨一下支撑智能座舱的底层硬件,为想象力插上“翅膀”。

《2021汽车智能座舱白皮书》中提出,对于座舱来说,决定其功能和性能的关键是主 SoC 的算力, 衡量 CPU 算力的单位主要是 DMIPS,DMIPS 是 Dhrystone Million Instructions Per Second 的缩写,每秒处理的百万级的机器语言指令数。随着智能座舱应用覆盖越来越广,它所需要的 CPU 算力也在不断提升,现在普遍认为,DMIPS 在 20KDMIPS 以上的 SoC 才能算得上是智能座舱处理器,并且算力的需求还在不断的上升。

upfile

图1:  智能座舱典型功能

下面我们以国产智能座舱芯片领行者——芯驰科技为例,详细探索一下智能座舱的底层硬件架构究竟有哪些“智能”。

芯驰X9芯片 -- 高性能智能座舱

upfile

图2: 芯驰X9系列座舱芯片

(图片来源:芯驰)

X9 系列处理器是芯驰科技专为新一代汽车电子座舱设计的车规级汽车芯片,集成了高性能 CPU、GPU、AI 加速器、视频编解码处理器等加速单元。一颗 X9 处理器,可以同时驱动仪表、中控、后视镜、后排娱乐等多达10个高清显示,并支持多屏共享和互动,满足未来智能座舱各项功能需求。X9 处理器集成 PCIe、USB、CANFD、以太网等丰富的接口和总线协议,使 X9 系列处理器以较小造价与各类车载系统无缝衔接。

X9 系列处理器包含 X9E、X9M、X9H、X9HP 和 X9U 等多个产品,配置不同数目和性能的 CPU 和 CPU 内核,算力最高达到 100KDMIPS,完整覆盖液晶仪表、中控导航、高端智能座舱等多种座舱应用场景。更让人惊喜的是,为了帮助客户节省开发成本,同时缩短开发周期,整个 X9 系列中做到了软硬件兼容,客户只要进行一次设计,就可以支持各个不同车型的应用。

upfile

图3: 芯驰科技最新 X9U 可实现“一芯十屏”

(图片来源:芯驰)

MPS 公司与芯驰联合开发 X9H 参考板,提供电源供电解决方案

X9H 是 X9 系列中的高性能型座舱芯片,采用6核 A55 外加数个 R5 核,CPU 算力高达 36K DMIPS,GPU 算力高达 140GFLOPS。

MPS 公司与芯驰联合设计的 X9H 参考板,可实现多达4屏联动的智能座舱方案。X9H 参考板的输入端直接由12V电池供电,由于 SoC 的供电轨多是小于1V的电压等级,考虑整个系统的转换效率和电池的冷启动、抛负载的电池电压波动, MPS 公司为其推荐两级的供电方案。

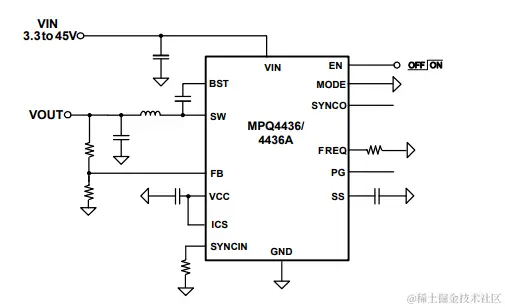
1、 一级供电方案

一级电路将12V转到5V, 是由一颗最大输入电压45V, 最大输出电流6A,支持并联的MPS 公司车规级 Buck 芯片 MPQ4436-AEC1 来完成的。

upfile

图4:MPS 公司一级电源方案 MPQ4436-AEC1

  • 其封装大小为 4mm x 4mm, 超小的封装尺寸节省了客户的布板面积;

  • 超高的转换效率以应对汽车舱内复杂的散热环境;

  • 超强的动态性能为后级电路的稳定输出提供坚实后盾;

  • 支持多颗并联的可拓展性增加了客户设计的灵活性和平台的传承性;

  • 内部也集成了丰富的保护功能,包括打嗝模式的过流保护、输入欠压保护等为整个系统和后级电路的可靠性增加了一份强有力的保证;

  • 还有具有展频功能的版本 MPQ4436A,展频功能可降低系统的 EMI 干扰,降低客户整板的 EMI 设计难度,客户可以根据需求灵活选择。

2、 二级供电方案

为了满足 X9 E/M/H 三个平台可以实现 Pin-to-Pin 灵活兼容,二级方案当然也需要灵活的 “组合拳”来配合,这就轮到我们 MPS 公司的 MPQ217x 系列产品出场了。

MPQ217x系列提供了 MPQ2177/MPQ2178/MPQ2179 三种型号,分别对应 1A/2A/3A 的输出能力,并可以做到 Pin-to-Pin 兼容,这就为不同平台的硬件布局统一提供了有力支持。

以 X9H 为例,二级电路根据 SoC 不同供电轨的电流需求,分别由输出电流 3A 的 MPQ2179-AEC1 和输出电流 6A 的 MPQ2167A-AEC1 灵活组合来实现。

upfile

图5: 二级电源方案系统架构

  • MPQ2179 和 MPQ2167A 是专门针对 5V 应用如信息娱乐系统、ADAS、摄像头和智能座舱等设计的,这些应用均要求快速瞬态响应、超低噪声、高精度输出以及良好的散热性能。

  • MPQ2179 和 MPQ2167A 均采用MPS 公司最新的 BCD 低电阻工艺,再结合先进的倒装芯片封装工艺,可以实现较高的系统效率。

  • MPQ2179 的工作频率为2.4MHz,较高的开关频率不仅能够缩小电感的体积,还能够避开 AM 无线电频段,减小对汽车无线电频段的干扰。

  • MPQ2167A 封装大小为 3mm x 3mm,其工作频率可由外部电阻决定,最大工作频率为2. 2MHz。MPQ2167A 也集成了丰富的保护功能,包含 Cycle by Cycle 过流保护,输出短路保护,输入欠压保护和输出过压保护。

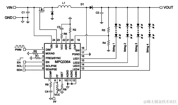
3、 背光驱动方案

X9H 最多可以支持4路全高清显示,屏幕点亮和调光必然少不了背光驱动芯片,下面我们来了解一下 MPS 公司的背光芯片 MPQ3364-AEC1:

upfile

图6:MPQ3364-AEC1 典型应用框图

  • MPQ3364-AEC1 为车规级 Boost 型4通道的背光驱动芯片,最大工作频率为2.2MHz,每通道最大驱动电流为150mA,最大输出电压可支持到50V;

  • 支持 I2C 总线,且芯片本身支持3个 I2C 地址,同一条 I2C 总线可以支持挂3颗芯片,方便使用时对多颗芯片进行配置;

  • 调光方式有三种:PWM 调光、模拟调光以及 PWM 和模拟混合调光,可以通过外部引脚对调光方式进行选择,PWM 调光比可达 15000:1,模拟调光的调光比为 200:1, 精细的调光比使得屏幕的亮度变化更加细腻;

  • 支持逐周期电流保护、LED 开路和短路保护、电感短路保护、输出过压保护以及过温保护,丰富的内部保护功能,为背光驱动系统提供安全可靠的保障。找正品元器件,上唯样商城。

upfile

图7:X9H参考板多屏互动方案演示

(资料来源:芯驰)

未来随着座舱 SOC 工艺趋于先进,算力增强、主频提高,对电源芯片的选型和设计也会提出更多挑战,例如:考虑到整板发热越来越大,希望电源转换效率更高;单 Phase 或多 Phase 的输出电流等级更高;动态响应速度更快;同时也需要进一步提升功能安全等级。MPS 公司依靠自身积累,持续在车载电源领域深耕,未来也将发力创新,不断推出更有竞争力的产品,陪伴客户一同成长,未来可期!