MPS | 超小尺寸 IEEE802.3af PD 解决方案!

188 阅读5分钟

PoE 电子产品发展到今天,其功能越来越多,尺寸越来越小,设计越来越简单。

Q:如何用最简单的芯片设计出为客户创造最大价值的产品?

A:功能最大化,设计极简化,器件最少化。一款 MPS 公司明星级产品 MP8017 --- 超小尺寸 IEEE802.3af PD 解决方案,带着使命诞生了!

什么是 PoE?

PoE (Power over Ethernet) 是供电设备 (PSE) 通过网线向受电设备 (PD) 供电的一种方式,它相比于传统的适配器供电方式有诸多优势:

  • 更少的成本

  • 更简易的安装

  • 更方便的远程控制

  • 更好的兼容性

如下 PoE 的应用结构简图,可以看到 PoE 已经从方方面面融入大家的生活。

upfile

随着 PoE 供电的应用越来越广泛,无论是从供电功率上,还是从设备功能复杂度上都有一个质的发展。

MPS 公司多年致力于 PoE 应用的研究,旨在为客户提供更优质的产品,如下奉上 MP8017 的全方位升级秘诀。

首先给大家看一下我司的 MP8017 方案与传统方案的 1:1 对比图,方案尺寸一目了然。

upfile

MP8017 是如何做到如此小体积的?

带着问题,且看 MP8017 是如何对 PoE Fly-Back 的6大模块进行一一优化。

upfile

图注:PoE fly-back电源的结构框图

1全集成芯片方案

当工程师朋友们要想得到一个紧凑的电源方案时,首先应该选择一款全集成的芯片。那么这颗芯片:

它包含 PD 和 DCDC 吗?

它包含 Hot-Swap 和集成 Power MOSFET 吗?

一款全集成的方案往往可以减少 PCB 空间和缩短设计周期,因为只需要计划和购买更少的器件。

而 MP8017 则是一款全集成的芯片,并且它的封装只有 QFN-19 (3mmX4mm),  在业界是一款超小的封装。

upfile

图注:MP8017 QFN-19 (3mmX4mm) 封装

2先进的反馈网络

做过 Fly-Back 的工程师朋友可能都知道,一款常规的 Fly-Back 往往需要 TL431 和光耦反馈网络,同时还需要考虑环路补偿和软启电路。随着 Fly-Back 的发展出现了包含辅助绕组的原边反馈方式。

而 MP8017 则用了更为先进的反馈方式,不需要辅助绕组,直接 SW 采样输出电压。 如下图所示,这样的反馈方式有诸多优点:

  • 更简单的设计电路,包括不需要辅助绕组的变压器;

  • 因为没有辅助绕组,得了更少的变压器成本;

  • 在同样的磁芯上可以绕更多的功率绕组,使阻抗更小,以达到更高的效率。

upfile

图注:MP8017 SW 采样反馈方式。

3超小体积的变压器

提到变压器,这可能是整个系统中最贵和体积最大的一个器件了。现在市面上 12W 应用一般采用的都是 EP13 的变压器。

而 MP8017 只需要 EP7 变压器,无论是体积上,还是价格上都有一个大幅度地减小。 这主要得益于 MP8017 的两个设计亮点:

  • 不需要辅助绕组,以减少变压器的绕组种类;

  • 高达 650kHz 的开关频率,以减少变压器绕组圈数。

upfile

图注:MP8017 12W 采用 EP7 变压器

4最少的输入输出电容

一般的 PoE 产品的频率大都在 250kHz 左右,需要电解电容才能得到较小的纹波。

而 MP8017 的频率高达 650kHz,可以大幅度减少输入输出电容的要求,对于 12W 的应用,两颗 0805 的输出陶瓷电容足矣,并且 MP8017 采用 CCM 控制方式,可以得到更小的电流峰值,减小因 ESR 或者 Layout 电阻造成的纹波。

upfile

图注:MP8017 CCM 控制方式

5优秀的EMI设计

对于一款 POE 产品来说,过 EMI 标准是一个必选项。但是如何优化 EMI,又是一个大大令人头痛的话题。

一般来说, Fly-Back 需要共模电感才能得到一个比较好的 EMI 效果,但是共模电感是一个又贵又大的器件,

如何才能省掉这一器件呢?MP8017 祭出了两大法宝:

  • 频率抖动功能;

  • 更平滑的SW波形。

upfile

图注:MP8017 平滑的 SW 减弱 EMI 干扰源

6优化的 Snubber 钳位电路

在 Fly-Back 应用中,一般采用 RCD 作为钳位电路,以减少 SW 的峰值电压和吸收漏感能量,但是这个电路有两个问题:

  • SW 会产生如上图所示的谐振,对 EMI 产生不好的影响;

  • 漏感能量被消耗掉之后,对系统效率产生影响。

MP8017 采用 Active Clamp 的控制方式完美解决了这两个问题, 结构如下图所示:

upfile 找正品元器件,上唯样商城。 图注:MP8017 Active Clamp 钳位电路

结论

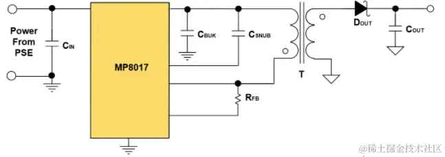
综上所述6个大模块,在 MP8017 上一一得到了优化,从而让整个 Fly-Back 电路得到了极大的简化,于是刚刚复杂的框图就简化成了如下图:

upfile

图注:MP8017 PoE Fly-Back 结构简图