低噪声,带内置 ALC 回路的双通道均衡放大器,应用于立体声收录机和盒式录音机的芯片D3308的描述

37 阅读1分钟

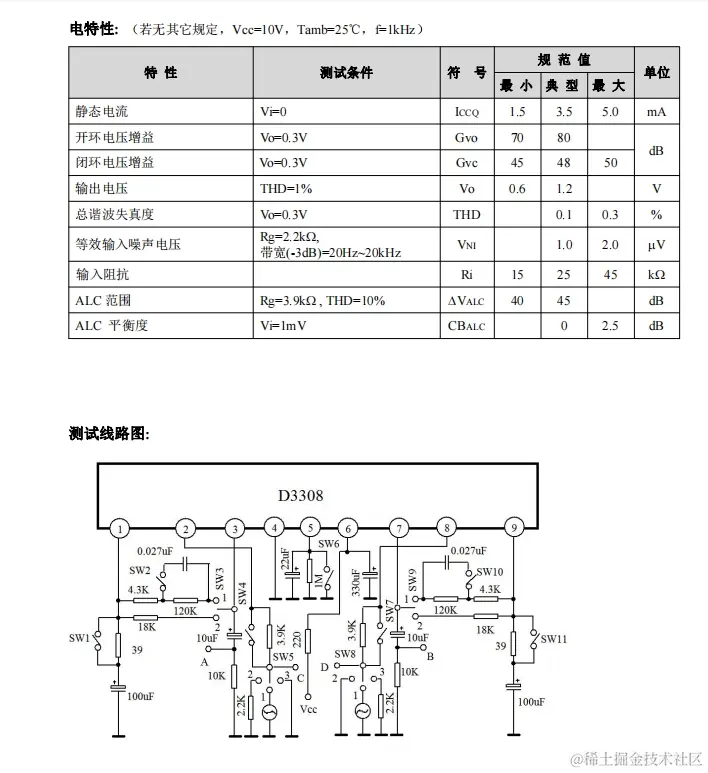
D3308 是一块带有 ALC 的双通道前置放大器。它适用于立体声收录机和盒式录音机。采用 SIP9、SOP14 的封装形式封装。 主要特点 带内置 ALC 回路的双通道均衡放大器 低噪声: VNI=l.OuV(典型值)。开环电压增益高: 80dB (典型值)工作电源电压范围宽:
通道间的 ALC 平衡度好。 输入端不需要藕合电容。 内置电源静噪电路。 外围使用元件少。

D3308-2.png

D3308-3.png