交流插座电器漏电断路器的低功耗控制芯片D4140,内置桥式整流器漏电灵敏度可调,采用SOP8和DIP8 的封装形式

71 阅读1分钟

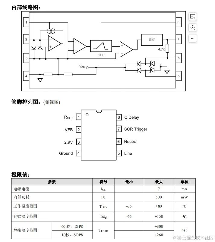
D4140 是一种用于交流插座电器漏电断路器的低功耗控制器。这些设备可以检测到接地的危险电流路径,例如设备掉进水中。在发生有害或致命的电击之前,断路器会断开线路。内置有整流桥,齐纳管稳压器,运算放大器,电流基准,延时电路,锁存器以及可控硅驱动器。 应用线路架构设计了一个可控硅外接继电器、三个电容器和一个外接申阻。简单布局和最少组件数量确保了应用的方便性和长期的可靠性。D4140采用SOP8和DIP8 的封装形式 主要特点: 交流直接供电

内置桥式整流器

锁存输出直接驱动可控硅

漏电灵敏度可调

延时时间可调专用于两线系统

适用110V 和220V 交流供电

350uA 静态电流

符合UL943 标准

所需外部器件少

D4140-2.png D4140-5.png