D3485国产芯片+5V工作电压, 内置失效保护电路 具有+15kV IEC 61000-4-2接触放电保护能力 SOP8封装

40 阅读1分钟

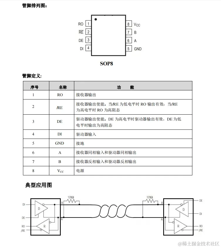
D3485是一款5V供电、半双工的RS-485收发器,芯片内部包含一路驱动器和路接收器。D3485使用限摆率驱动器,能显著减小EMI和由于不恰当的终端匹配电缆所引起的反射,并实现高达10Mbps的无差错数据传输。D3485内置失效保护电路,保证接收器输入端在开路或短路时,接收器的输出端处于逻辑高电平状态。D3485接收器输入阻抗为1/8单位负载,允许多达256个收发器挂接在总线上,实现半双工通信。D3485 /0引脚具有+15KV IEC 61000-4-2接触放电保护能力。D3485电路采用SOP8封装形式封装。

主要特点: +5V工作电压 内置失效保护电路 高达10Mbps的传输速率 允许多达256个收发器挂接在总线上 具有+15kV IEC 61000-4-2接触放电保护能力 SOP8封装

应用: 智能电表 工业控制 安防监控

D3485-2.png