D6218F 100mA(典型)的输出电流, SOP8 封装 内设保护二极管等

128 阅读1分钟

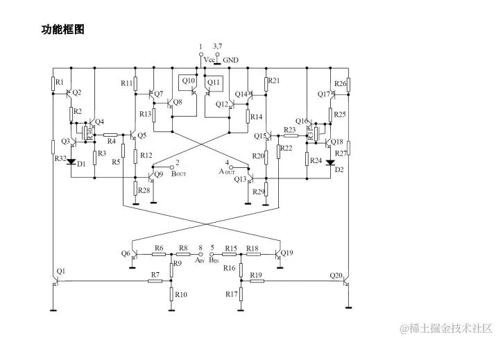
D6218F 是用于驱动双向马达的单片 IC ,它使用 TTL 电平的逻辑信号就 能控制盒式唱机和其它电子设备中的双向马达。该电路由一个逻辑部分和 一个功率输出部分组成。逻辑部分控制马达的转向及制动;功率输出部分 有 100mA (典型)的输出电流。 D6218F 采用 SOP8 的封装形式封装。 主要特点:  内设马达驱动功率晶体管(典型 100mA )。  可施加制动,强制马达停止(输入 A 和 B 都为高电平)。  内设保护二极管。  输入 A 和 B 都为低电平时,具有非常小的待机电流。  工作电源电压范围宽(4.5V~15.0V )。  用 TTL 逻辑直接控制

image.png