双通道 12V 直流电机驱动芯片GC8548,12V,大电流,具有短地短电源保护功能,可替代LV8548/LV8549/ONSEMI

76 阅读1分钟

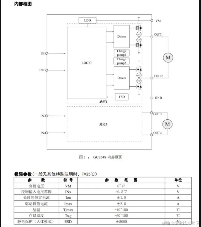
GC8548 是一款双通道 12V 直流电机驱动芯 片,为摄像机、消费类产品、玩具和其他低压或 者电池供电的运动控制类应用提供了集成的电机 驱动解决方案。芯片一般用来驱动两个直流电机 或者驱动一个步进电机。 可以工作在 3.8~12V 的电源电压上, 每通道能提供高达 1.5A 持续输出电流或者 2.5A 峰值电流,睡眠模式下功耗小于 1uA。

GC8548 具有 PWM(IN/IN)输入接口,与行业 标准器件兼容,并具有过温保护,欠压保护,短 路保护,过流保护等功能。内置 LDO,不需要逻辑电源,输入 兼容 3.3V 与 5V。

芯片特点 ● H 桥电机驱动器 -- 电源电压 3.8~12V -- 低导通阻抗(HS+LS) 350mΩ

● 1.5A 持续驱动输出电流

● PWM(IN1/IN2)输入模式

● 兼容 3.3V,5V 逻辑输入

● 内置过温保护,H 桥电源短接保护,短地保护

● 低电流睡眠模式(nA 级,IN1=IN2=0)

芯片应用 ● 摄像机 ● 数字单镜头反光(DSLR) 镜头 ● 玩具 ● 机器人技术 ● 共享单车锁 ● 水表开关 ● 医疗设备

image.png