首页
AI Coding
数据标注
NEW
沸点
课程
直播
活动
APP
插件
搜索历史
清空
创作者中心
写文章
发沸点
写笔记
写代码
草稿箱
创作灵感
查看更多
登录
注册
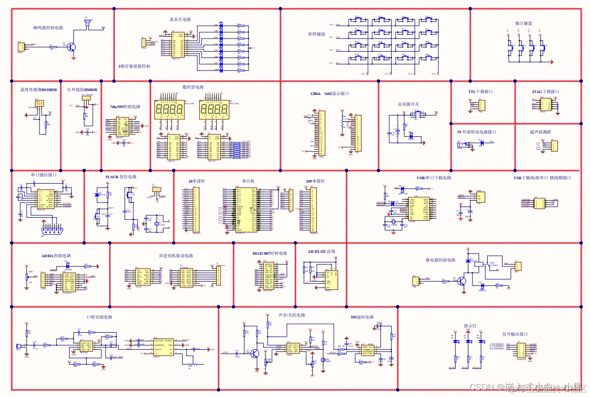
【物联网】Easy Board的51开发板电路图-CSDN博客
嵌入式小白_小黑
2023-11-07
46
阅读1分钟
开发板电路图pdf
嵌入式小白_小黑
嵌入式软件工程师 @华为
131
文章
33k
阅读
24
粉丝
目录
收起