干货 | PCB地与金属机壳用阻容连接

140 阅读4分钟

****01 摘要

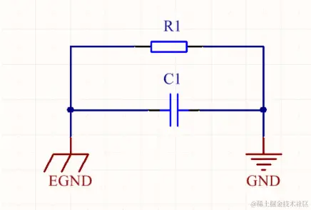
电子产品接地问题是一个老生常谈的话题,本文单讲其中一小部分,主要内容是金属外壳与电路板的接地问题。我们经常会看到一些系统设计中将PCB板的地(GND)与金属外壳(EGND)之间通常使用一个高压电容C1(1~100nF/2KV)并联一个大电阻R1(1M)连接。那么为什么这么设计呢?

upfile

图1:原理图示意

****02 电容的作用

从EMS(电磁抗扰度)角度说,这个电容是在假设PE良好连接大地的前提下,降低可能存在的,以大地电平为参考的高频干扰型号对电路的影响,是为了抑制电路和干扰源之间瞬态共模压差的。其实GND直连PE是最好的,但是,直连可能不可操作或者不安全,例如,220V交流电过整流桥之后产生的GND是不可以连接PE的,所以就弄个低频过不去,高频能过去的路径。从EMI(电磁干扰)角度说,如果有与PE相连的金属外壳,有这个高频路径,也能够避免高频信号辐射出来。
电容是通交流阻直流的。假设机壳良好连接大地,从电磁抗扰度角度,该电容能够抑制高频干扰源和电路之间的动态共模电压;从EMI角度,电容形成了高频路径,电路板内部产生的高频干扰会经电容流入机壳进入大地,避免了高频干扰形成的天线辐射。另一种情况,假设机壳没有可靠接大地(如没有地线,接地棒环境干燥),则外壳电势可能不稳定或有静电,如果电路板直接接外壳,就会打坏电路板芯片,加入电容,能把低频高压、静电等隔离起来,保护电路板。这个并联电容应该用Y电容或高压薄膜电容,容值在1nF~100nF之间。

****03 电阻的作用

这个电阻可以防止ESD(静电释放)对电路板的损坏。假如只用电容连接电路板地和机壳地,则电路板是一个浮地系统。做ESD测试时,或在复杂电场环境中使用,打(进)入电路板的电荷无处释放,会逐渐累积;累积到一定程度,超过了电路板和机壳之间的绝缘最薄弱处所能耐受的电压,就会发生放电——在几纳秒内,PCB上产生数十到数百A的电流,会让电路因电磁脉冲宕机,或者损坏放电处附近连接的元器件。并联该电阻,就可以慢慢释放掉这个电荷,消除高压。根据IEC61000的ESD测试标准10s/次(10s放完2kV高压电荷),一般选择1M~2M的电阻。如果机壳有高压静电,则该大电阻也能有效降低电流,不会损坏电路芯片。

****04 需要注意的问题点

1、如果设备外壳良好接大地,那PCB应该也与外壳良好的单点接地,这个时候工频干扰会通过外壳接地消除,对PCB也不会产生干扰。
2、如果设备使用的场合可能存在安全问题时,那必须将设备外壳良好接地。
3、为了取得更好效果,建议是设备外壳尽量良好接地,PCB与外壳单点良好接地;当然如果外壳没有良好接地,那还不如把PCB浮地,即不与外壳连接,因为PCB与大地如果是隔离的(所谓浮地),工频干扰回路阻抗极大,反而不会对PCB产生什么干扰。
4、多个设备之间需要互相连接的时候,尽量是每个设备外壳都与大地在单点良好接地,每个设备内部PCB与各自外壳单点接地。
5、但是如果多个设备互相连接时候,设备外壳没有良好接地,那就不如浮地,内部PCB不与外壳接地。
6、机壳地可能并不是可靠的接地,如配电网中不符合安规,没有地线;接地棒周围土壤太干燥,接地螺栓生锈或松动。
7、环境是存在电磁干扰的,工作环境中有大功率变压器、大功率电机、电磁电炉、高压电网谐波等。
8、PCB内部是会产生高频噪声的,如高频开关管、二极管、储能电感、高频变压器等。这些干扰因素都会导致PCB的信号地和机壳的电势波动(同时含有高频低频成分),或者二者之间存在静电,所以对它们良好可靠的接地处理是必要的,也是产品安规要求的。

来源:网络声明:本文为转载文章,转载此文目的在于传递更多信息,版权归原作者所有,如涉及侵权,请后台联系小编进行处理。(买电子元器件就上唯样商城)