时序逻辑电路

80 阅读1分钟

电路分析

电路的工作

image.png

image.png 这里即便已经预置了仍然需要一个clk-Q时间

image.png

image.png 要让建立时间容限和保持时间容限都大于零,但是也不需要大太多

image.png

计数器

image.png T触发器不需要时钟信号,都是上升沿开始工作 会实现从0000->1111,之后会变成0000

image.png 只需要一个锁存延迟就可以从1111->0000

image.png 这个和T触发器一样,但是不是直接使用T触发器

image.png 相当于一个n位的D触发器

image.png

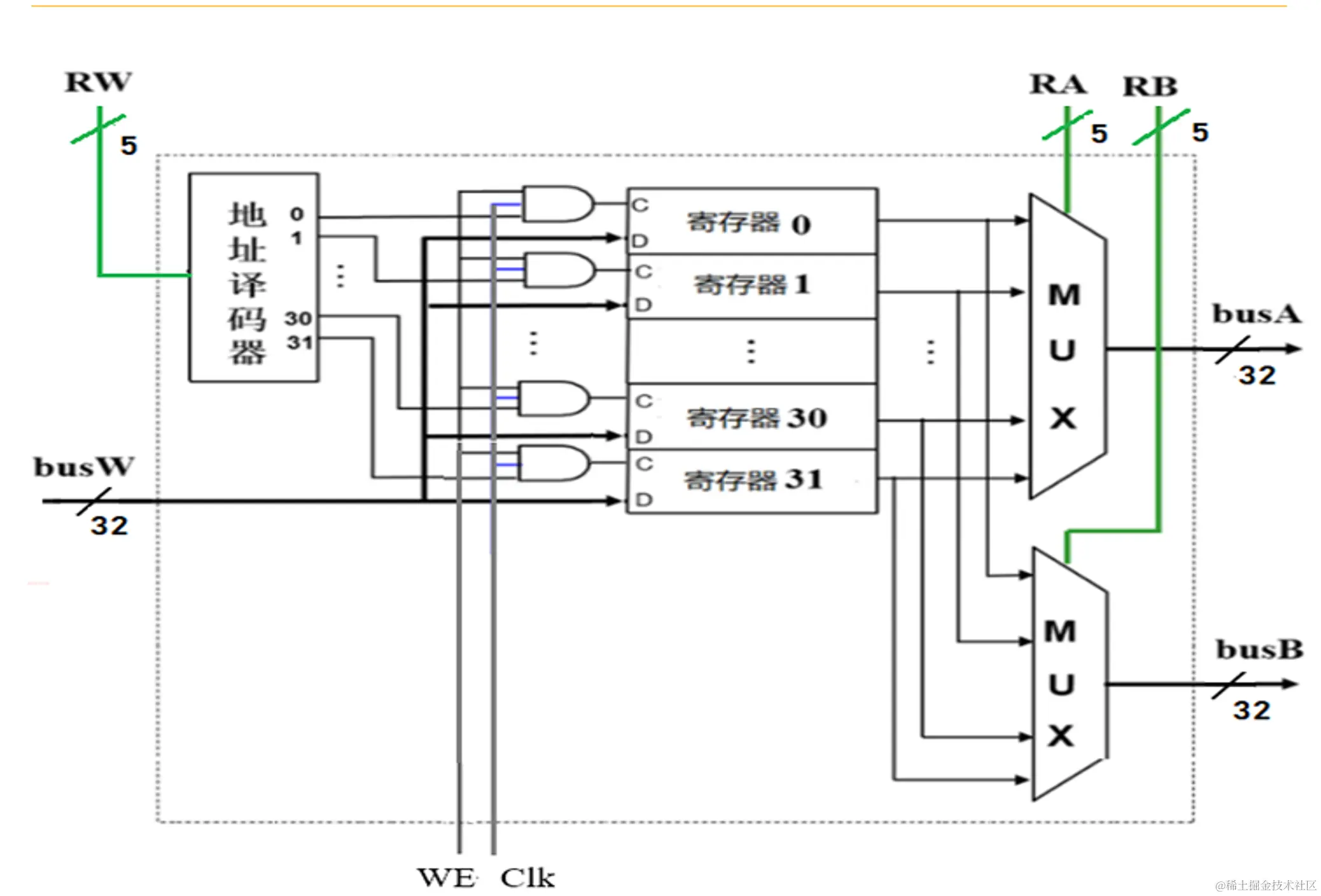
image.png k位代表最多可以有2k2^k个计数器 busA有32位数据和寄存器有32个是刚好相同不是一一对应 选择哪个寄存器输入是由RW控制的地址译码器决定的1->多的关系

image.png 和计数器很像,但是也不太一样

image.png

设计了Rin和Lin的两个补位S1和S0有四种组合代表四种不同的功能

image.png 循环的桶型移位器