双通道 12V 直流电机驱动芯片GC3909,大电流,具有短地短电源保护,过温保护,欠压保护,短路保护,过流保护等功能。可替代A3909/allegro

83 阅读1分钟

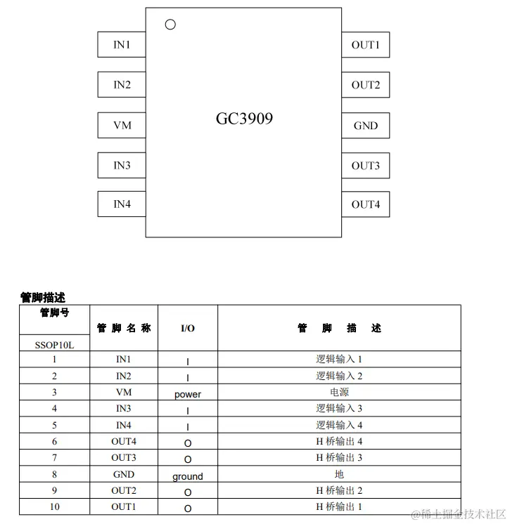
GC3909 是一款双通道 12V 直流电机驱动芯片,为摄像机、消费类产品、玩具和其他低压或者电池供电的运动控制类应用提供了集成的电机驱动解决方案。芯片一般用来驱动两个直流电机或者驱动一个步进电机。可以工作在 3.8~12V 的电源电压上,每通道能提供高达 1.5A 持续输出电流或者 2.5A峰值电流,睡眠模式下功耗小于 1uA。具有 PWM(IN/IN)输入接口,与行业标准器件兼容,并具有过温保护,欠压保护,短路保护,过流保护等功能。

GC3909 内置 LDO,不需要逻辑电源,输入兼容 3.3V 与 5V。

 芯片特点   ● H 桥电机驱动器-- 电源电压 3.8~12V-- 低导通阻抗(HS+LS) 350mΩ

                   ● 1.5A 持续驱动输出电流

                   ● PWM(IN1/IN2)输入模式

                   ● 兼容 3.3V,5V 逻辑输入

                   ● 内置过温保护

                   ● 内置 H 桥电源短接保护,短地保护

                  ● 低电流睡眠模式(nA 级,IN1=IN2=0)
                  

image.png