MPS | 不是所有的升压都是Boost

82 阅读4分钟

相信大家谈到升压电路,第一反应可能就是 Boost 电路,当然,为了兼容宽输入电压的应用,想必工程师朋友们对于 Buck-Boost 和 SEPIC 电路也是很熟悉的。

而今天小编要为大家介绍的是一种叫做 Charge Pump(电荷泵) 的升压电路,我们一起看看它的庐山真面目吧!

Charge Pump 电路所需的元器件较少,占用面积小,高效率,因此性价比很高。 我们常常能在 TFT-LCD 的背光以及光模块的应用,及 Buck 电路的上管(NMOS)的驱动中看到它的身影。

Charge Pump 倍压输出的工作原理

Charge Pump(电荷泵)最经典的应用莫过于倍压输出,其基本原理简而言之就是对电容进行充放电,利用电容能够储存电荷的原理将其从充电回路隔离,通过放电回路对输出进行放电。

首先,充电阶段:Q1/Q4 导通,Q2/Q3 关断,输入向电容 C1 充电。

然后进入转换阶段:Q1/Q4 关断,Q2/Q3 导通,因为电容两端的电压不会突变,电容 C1 向输出电容 Co 放电,通过开关变换,实现电荷的转移,进而实现了输出电压的倍压输出 Vo=2Vin 。

Charge Pump 在电路中的经典应用

了解了 Charge Pump 倍压输出的原理,接下来我们看看它在实际电路中的经典应用吧。

1

Charge Pump在Buck上管驱动中的变形应用

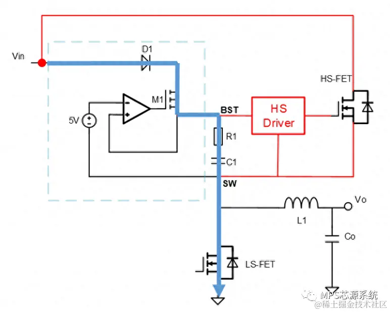
以 Buck 电路为例,我们知道为了驱动上管,满足 Vgs>Vth , 我们往往需要一个自举电路来抬升 gate 的电压,如图所示电容 C1 在一个开关周期内便完成了电荷的充放电过程,从而抬升了 gate 的电压。

其实不仅是 Buck 电路中的上管驱动中的自举电路,在全桥和半桥的上管驱动中我们也经常可以看到 Charge Pump 电路的身影的。

2

Charge Pump在Boost电路中的二次升压应用

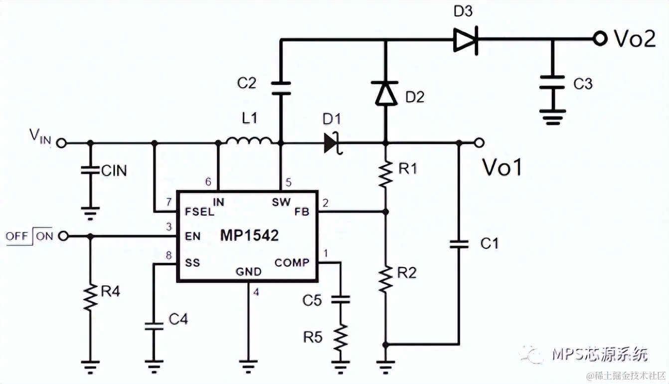
当遇到一些升压场合,比如在 TFT-LCD 的 VP/VN 供电中,现有 Boost 芯片的最大输出电压无法满足应用需求时:

以一颗常用于 TFT 偏压供电的芯片为例,SW 最大耐压是25V,但输出高于25V的应用时,输出往往会受限。

当然工程师朋友们也可以更换耐压更高的 IC ,但就像利物浦主教练克洛普说过 “好的球员除了贵,没有任何缺点” 。找正品元器件,上唯样商城。

这个时候 Charge Pump 电路就可以完美展示它的优点,我们只需要在 Boost 的典型应用电路上增加一些元器件便可以实现 Vo2=2Vo1 。

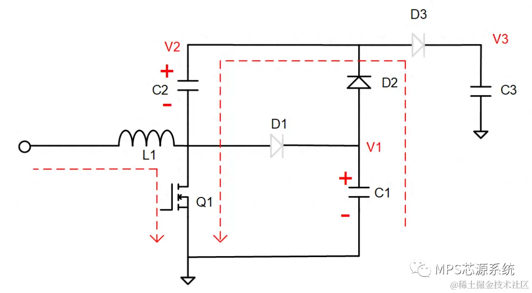
我们可以将电路简化如下:

在 Q1 导通的时候,C1 向 C2 传递能量,从而抬升 C2 的电压,直到 V1=V2 。

在 Q1 关断的时候,此时电容 C2 开始向输出传递能量,这样 C2 电容便充当了一个“搬运工”的角色,非常巧妙的实现了 V3=V2+V1=2V1

3

Charge Pump的负压输出应用

Charge Pump 电路不仅可以应用在正压输出,在负压输出的应用中, 因为所需外围器件较少,也被广大工程师朋友们所青睐。

当然想要获得负压输出,我们也可以基于 Buck 芯片,更改成 Buck-Boost 的拓扑,以此形成负压输出。

但对于小电流,体积紧凑的应用里,Charge Pump 负压输出诠释了真正的小身材大味道。

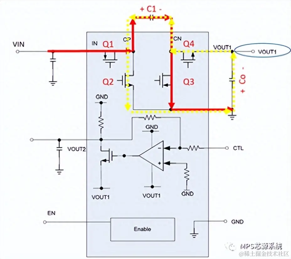
如上图,仅用4个 MOS ,通过内部逻辑电路,来控制4个 MOS 的开关切换,从而便可以使 Vo=-Vin 。

这样,器件无需任何外部电感,可以节省成本和简化设计空间;

这种紧凑的小尺寸解决方案,适用范围广泛,包括光模块、RF 放大器和传感器电源等。

相信工程师朋友们通过以上几个应用的学习,对于 Charge Pump 电路已经是十分熟悉了。相比传统电感式 DC/DC ,Charger Pump 这类电容式 DC/DC 的区别可以总结为以下几点:

工程师朋友们可以根据不同的应用需求来选择合适的 DCDC 解决方案哦~

点此进入唯样商城MPS品牌专区