坠落防护 挂点装置

188 阅读12分钟

声明

本文是学习GB 30862-2014 坠落防护 挂点装置. 而整理的学习笔记,分享出来希望更多人受益,如果存在侵权请及时联系我们

1 范围

本标准规定了高处坠落防护挂点装置的技术要求、检验方法、检验规则及标识。

本标准适用于防护高处坠落的挂点装置。

本标准不适用于体育及消防用挂点装置。

2 规范性引用文件

下列文件对于本文件的应用是必不可少的。凡是注日期的引用文件,仅注日期的版本适用于本文

件。凡是不注日期的引用文件,其最新版本(包括所有的修改单)适用于本文件。

GB 6095 安全带

GB/T 6096 安全带测试方法

GB/T 10125—2012 人造气氛腐蚀试验 盐雾试验(ISO 9227:2006,IDT)

GB/T 23469 坠落防护 连接器

3 术语和定义

下列术语和定义适用于本文件。

3.1

挂点装置 anchor device

由一个或多个挂点和部件组成的,用于连接坠落防护装备与附着物(墙、脚手架、地面等固定设施)

的装置。

3.2

挂点 anchor point

挂点装置中与坠落防护装备相连接的部件。

3.3

结构固定装置 structural anchor

设置在建筑物或构筑物上,用来固定挂点装置的部件。

3.4

端部固定装置 extremity structural anchor

刚性或柔性滑轨装置两端与建筑物或构筑物固定连接的装置。

3.5

中间固定装置 intermediate structural anchor

必要时加在端部固定装置之间的固定连接装置。

3.6

柔性导轨挂点装置 flexible anchor line

由可连接坠落防护装备的移动连接装置和柔性导轨组成的挂点装置。

注:柔性滑轨可以是纤维绳、钢丝绳、织带等。

GB 30862—2014

3.7

刚性导轨挂点装置 rigid anchor line

由可连接坠落防护装备的移动连接装置和刚性导轨组成的挂点装置。

注:刚性滑轨可以是钢管或钢轨等。

3.8

可移动挂点 mobile anchor point

刚性或柔性导轨装置中与坠落防护装备相连接的可移动附加装置。

3.9

末端挡板 end stop

确保移动挂点或坠落防护装备不会与挂点装置意外脱开的部件。

3.10

连接件 attachment

与移动挂点相连接的安全绳、缓冲器或其他装置。

4 分类

4.1 A 型挂点装置

A
型挂点装置是指用结构固定装置固定,使用时挂点不随使用人员的移动而移动的挂点装置,如

图1所示。

a)

c)

说明:

1——挂点;

2——建筑物;

3——结构固定装置。

b)

d)

1 A 型挂点装置结构示例图

GB 30862—2014

4.2 B 型挂点装置

B
型挂点装置是指不需要用结构固定装置固定,使用时挂点不随使用人员的移动而移动的挂点装

置,如图2所示。

a)

b)

c) d)

说明:

1 — — 挂点;

2 — — 附着物。

2 B 型挂点装置结构示例图

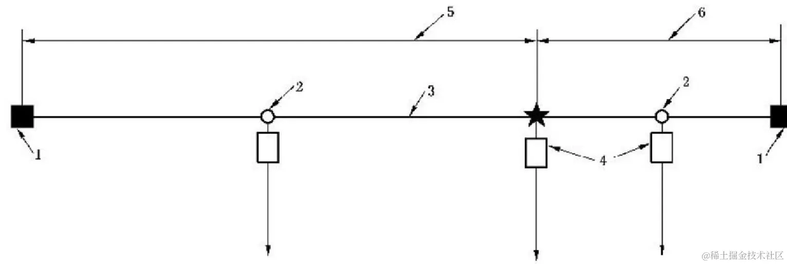
4.3 C 型挂点装置

C 型挂点装置指水平使用的柔性导轨装置,如图3所示。

说明:

1 — — 端部固定装置;

2 — — 中间固定装置;

3 — — 柔性导轨;

4 — — 挡板;

5 — — 缓冲装置;

6 — — 移动挂点。

3 C 型挂点装置结构示例图

GB 30862—2014

4.4 D 型挂点装置

D 型挂点装置指水平使用的刚性导轨装置,如图4所示。

说明:

1 — — 端部固定装置;

2 — — 中间固定装置;

3 — — 刚性导轨;

4 — — 移动挂点。

4 D 型挂点装置结构示例图

4.5 E 型挂点装置

E 型挂点装置指安置在平面上,带有配重的挂点装置,如图5所示。

b)

说明:

1 — — 挂点;

2 — — 配重。

5 E 型挂点装置结构示例图

GB 30862—2014

5 技术要求

5.1 设计及装配要求

5.1.1 C 型挂点装置中,水平柔性导轨与水平线夹角不应大于15°。

5.1.2 D 型挂点装置中,水平刚性导轨与水平线夹角不应大于15°。

5.1.3 E 型挂点装置的安置平面倾斜不应超过5°。

5.1.4 A
型挂点装置的挂点与结构固定装置间为可拆卸结构时,拆卸挂点时应经过至少两个明确的
动作。

5.1.5 挂点装置应确保与坠落防护装备配套,且正确相连后不会意外脱开。

5.1.6 如果可移动挂点为可拆卸结构,拆卸时应经过至少两个明确的动作。

5.1.7
如果挂点装置带有坠落指示功能,坠落指示器应能明确的显示该装置已发生坠落。

5.1.8 如果挂点装置为多类型设计,则应分别满足各类型的测试要求。

5.1.9 挂点边缘或拐角应采用最小45°倒角或 R0.5 mm 的圆角。

5.1.10 长期暴露在户外环境中的部件应进行防腐处理。

5.1.11 挂点装置的装配要求可参考附录A 中相关条款。

5.2 装配滑移

5.2.1 所有类型的挂点装置应按6 . 3测试,在1 .0 kN 的测试负荷下保持1
min, 各部件的滑移不应大于 (10±1)mm。

5.2.2 当挂点装置为多人同时使用时,每增加1人测试负荷相应增加1.0 kN。

5.3 动态性能

5.3.1 A 型挂点装置

按6.4.1测试,测试重物不应接触地面、不应与固定结构松脱,不应出现织带撕裂、金属件碎裂、连

接器开启、缓冲器(绳)断等现象。

5.3.2 B 型挂点装置

按6.4.2测试,测试重物不应接触地面、不应与固定结构松脱,不应出现织带撕裂、金属件碎裂、连

接器开启、缓冲器(绳)断等现象。

5.3.3 C 型挂点装置

按6.4.3测试,测试重物不应接触地面,移动挂点不应与滑轨脱离,不应出现织带撕裂、金属件碎

裂、连接器开启、缓冲器(绳)断等现象。

5.3.4 D 型挂点装置

按6.4.4测试,测试重物不应接触地面,移动挂点不应与滑轨脱离,不应出现织带撕裂、金属件碎

裂、连接器开启、缓冲器(绳)断等现象。

5.3.5 E 型挂点装置

标准要求如下:

GB 30862—2014

——按6.4.5.2测试,测试重物不应接触地面,挂点装置移动距离不应大于(1000±10)mm;

—按6.4.5.3测试,挂点装置移动距离不应大于(10±1)mm;

—— 当E
型挂点装置带有可伸缩的坠落防护装置时应按6.4.5.2,挂点移动距离不应大于(1000士

10)mm, 重物下降距离不应大于(2400±10)mm。

5.4 静态性能

应按6.4.6测试:


当挂点装置受力部件为非金属时,应能承受动态性能测试冲击力峰值3倍的测试负荷,并保持

3 min,挂点装置应无破断。


当挂点装置受力部件为金属时,应能承受动态性能测试冲击力峰值2倍的测试负荷,并保持

3 min,挂点装置应无破断。

—— 当测试负荷小于12 kN 时按12 kN 进行测试;当测试负荷大于22 kN 时按22
kN 进行测试。

5.5 耐腐蚀性能

所有金属零件应按照6.4.7测试,挂点装置不能出现明显腐蚀或机构失效的情况。

6 检验方法

6.1 总则

6.1.1 使用量程适当的检验仪器。

6.1.2 测试样品的装配应与厂商说明一致。

6.1.3 静态测试力的方向应与坠落方向一致。

6.1.4 每次测试时都应使用新的挂点装置元件及测试绳。

6.2 检测设备

6.2.1 动态测试架:确保挂点装置能够牢固的按照厂商的说明进行安装。

6.2.2 静负荷加载装置:可匀速加载,加载时不应对样品形成冲击。

6.2.3 冲击力测量装置:应符合GB/T 6096 要求。

6.2.4 数据处理装置:应符合 GB/T 6096 要求。

6.2.5 测试重物:质量为(100±1)kg 的金属圆柱体,直径为(200±10)mm,
顶端中心有吊环。

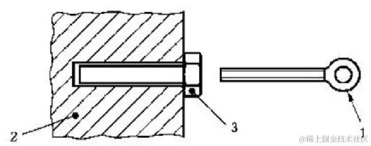
6.2.6 连接器:应符合 GB/T 23469 要求。

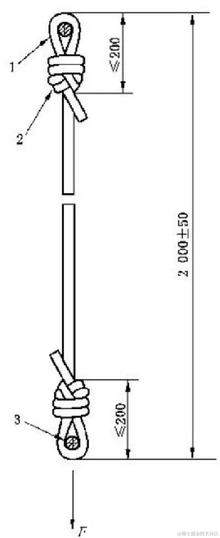
6.2.7 测试绳:直径为φ14,断裂强力不小于30 kN
的三股锦纶绳,两端带有环眼,如图6所示,加载 (1000±10)N
预紧力时的尺寸如图7所示

GB 30862—2014

图 6 绳结示例图

说明:

F=(1000±10)N;

1——绳结;

2——环眼;

3——加载点。

7 测试绳尺寸示例图

GB 30862—2014

6.3 装配滑移测试

测试步骤如下:

a) 将挂点装置与加载装置相连;

b) 沿坠落方向施加(1.0±0.01)kN 测试负荷;

c) 保持1 min;

d) 卸载并测量挂点装置各部件的滑移。

6.4 动态性能测试

6.4.1 A 型挂点装置

6.4.1.1 测 试 步 骤 如 下 :

a) 按照安装说明将挂点装置安装在动态测试架上;

b)
将测试绳一端通过连接器连接在挂点装置上,另一端通过连接器连接在测试重物上;

c) 将测试重物吊起至自由下落距离为(1500±50)mm, 与挂点水平距离不大于300
mm;

d) 释放重物;

e) 记录冲击力峰值;

f) 观察并记录挂点装置情况。

6.4.1.2
当挂点装置为多人同时使用时,应将每个挂点分别连接测试重物,并同时释放。

6.4.2 B 型挂点装置

6.4.2.1 测 试 步 骤 如 下 :

a) 按照安装说明将挂点装置安装在动态测试架上;

b)
将测试绳一端通过连接器连接在挂点装置上,另一端通过连接器连接在测试重物上;

c) 将测试重物吊起至自由下落距离为(1500±50)mm, 与挂点水平距离不大于300
mm;

d) 释放重物;

e) 记录冲击力峰值;

f) 观察并记录挂点装置情况。

6.4.2.2
当挂点装置为多人同时使用时,应将每个挂点分别连接测试重物,并同时释放。

6.4.3 C 型挂点装置

6.4.3.1 单间距测试图例

C 型挂点装置单间距动态强度测试如图8所示。

GB 30862—2014

说明:

1——端部固定点;

2——移动挂点;

3——柔性导轨;

4——测力装置;

缓冲装置。

8 C 型挂点装置单间距动态强度测试示例图

6.4.3.2 多间距测试图例

C 型挂点装置多间距动态强度测试如图9所示。

说明:

1——端部固定点;

2——移动挂点;

3——柔性滑轨;

4——测力装置;

5——缓冲装置;

6—— 中间固定点;

7— 长间距;

8——短间距。

长间距不应小于2 m, 短间距不应小于1 m。

9 C 型挂点装置多间距动态强度测试示例图

6.4.3.3 单间距测试步骤

测试步骤如下:

a) 按照安装说明将挂点装置安装在动态测试架上;

b) 将可移动挂点移至导轨中央;

GB 30862—2014

c)
将测试绳一端通过连接器连接在可移动挂点上,另一端通过连接器连接在测试重物上;

d) 将测试重物吊起至自由下落距离为(1500±50)mm, 与挂点水平距离不大于300
mm;

e) 释放重物;

f) 记录冲击力峰值;

g) 观察并记录挂点装置情况;

注:当挂点装置为多人同时使用时,应重复测试步骤
a)~f),直至可允许同时使用的最多人数。

6.4.3.4 多间距测试步骤

测试步骤如下:

a) 按照安装说明将挂点装置安装在动态测试架上;

b) 将可移动挂点移至长间距导轨中央;

c)
将测试绳一端通过连接器连接在可移动挂点上,另一端通过连接器连接在测试重物上;

d) 将测试重物吊起至自由下落距离为(1500±50)mm, 与挂点水平距离不大于300
mm;

e) 释放重物;

f) 记录冲击力峰值;

g) 观察并记录挂点装置情况;

h) 将可移动挂点移至中间固定点,重复步骤c)~g);

i) 将可移动挂点移至短间距导轨中央,重复步骤 c)~g);

注1:当挂点装置为多人同时使用时,应重复测试步骤a)~i),直至可允许同时使用的最多人数。

注2:当挂点装置设计中存在拐角结构时,应按照厂商规定的具体测试方法进行测试。

6.4.4 D 型挂点

6.4.4.1 测试图例

D 型挂点装置测试图例如图10所示。

说明:

1——端部固定点;

2——移动挂点;

延伸阅读

更多内容 可以 GB 30862-2014 坠落防护 挂点装置. 进一步学习

联系我们

T-CCAS 014.4—2020 水泥企业安全管理导则 第四部分:水泥工厂场内机动车辆安全管理.pdf