安森美 | 适配于氮化镓开关器件的高频小体积照明电源方案

84 阅读5分钟

随着物联网,尤其是智能照明和智能家居的发展,高效高性能的小体积电源越来越被市场所需求。如何能在电源体积做得更小的情况下,依然能够保证最好的性能? 安森美(onsemi)  提供基于NCL2801+NCP13992的一整套你所需要的方案:适配于氮化镓 (GaN) 开关器件,工作于高频开关频率场合下的小体积PFC & LLC方案

  • NC L2801是安森美开关电源方案中PFC控制芯片家族的一员。内置谷底计数频率返走(VCFF)、谷底开通等技术,提供优秀的总谐波失真(THD)以及功率因数(PF)值表现。适用于LED照明、PC电源以及平板电视等要求高PF值、低THD的应用场合。

  • NCP13992作为安森美LLC谐振半桥控制器家族的一员,在NCP1399优异表现的基础上,创新的增加了轻载工作模式(LL mode),Quiet SKIP模式,显著提升了轻载情况下整机的效率,并且有效抑制了打嗝模式下的噪声问题。

图片产品方案简介
图片

1. 方案特点:

  • 使用临界模式的电流型PFC控制器NCL2801,内部集成谷底开通技术,在具备优良的THD和PF值性能基础上,还拥有优秀的效率表现;

  • 使用业内知名的电流型LLC拓扑结构驱动芯片NCP13992,在实现高频开关工作的基础上,实现电源的小型化,并且具备优秀的效率表现;

  • 简易的外部线路,有利于简化PCB布板工作;

  • LLC满载工作频率300KHz左右,完美适配目前市场火热的GaN产品,实现LLC部分高频化设计;

  • 完善的保护:过温保护(OTP),过压保护(OVP),过流保护(OCP)等;

  • NCP13992在轻载情况下进入轻载(LL)模式以及跳周期(SKIP)模式,使整机拥有优秀的轻载效率以及待机功耗表现;

2. 应用领域:

  • 高PF值,低THD等应用场合,比如LED照明行业;

  • 高效率,高工作频率,高功率密度要求应用场合AC-DC开关电源;

图片方案应用实例
图片

1. 方案实物图:

图片

图片

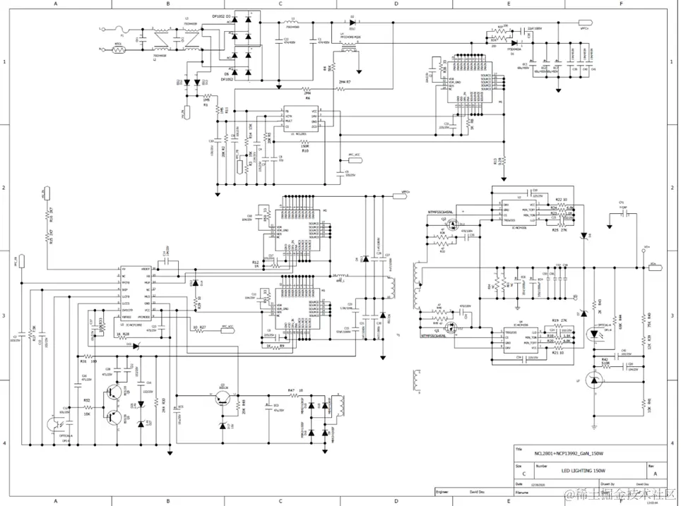
2. 典型应用原理图以及线路介绍:

图片

PFC部分使用安森美的NCL2801产品,SOIC-8封装,外围线路简单。FB脚为输出电压采样信号输入端,作为反馈信号输入端的同时还有输出电压OVP功能保护。MULT脚外置电阻分压,采样输入AC电压,用于判定输入电压范围以及设置BO功能保护。在设计过程中,还需要注意CS脚外部电阻(R10)的取值:R10阻值固定为4档,分别是100Ω,330Ω,620Ω以及1000Ω。R10的取值大小决定了负载大小变化时,MOS管开关过程中的第一个固定跳变CTRL脚的电压大小,R10取值越大,第一个谷底跳变时的负载就越大。我们推荐使用100Ω或者330Ω电阻,在拥有较好THD表现的同时,也有较好的效率表现。

LLC部分使用安森美的NCP13992产品,SOIC-16封装。作为电流型控制的LLC控制器,拥有快速的反馈环反应速度,具有优秀的动态响应表现。NCP13992内置高压启动脚HV脚,可以耐受最大600V的启动电压。买元器件现货上唯样商城PFCFB脚内部内置1V电压基准,检测PFC部分电压,用于设置LLC电路的启动电压点。SKIP脚内置50uA恒流源,外置对地电阻产生电压与FB电压对比,用于设置NCP13992进入SKIP模式的负载点。LLCCS脚内置4.35V(版本不同会有差异)基准,通过外部电容分压(C15,C25,C26以及R30)检测谐振电容上电压,用于实现原边谐振腔电流大小检测以及OCP保护。PFCMODE脚为电压输出端,当VCC电压高于Vcc_on之后,PFCMODE会有一个稳定的电压输出(正常工作状态时为12V左右)。该电压可以用于给PFC部分控制器VCC脚供电。

3. 优秀的待机功耗和效率表现:

图片

待机功耗vs输入电压

图片

效率曲线

4. 优秀的PF值表现:

图片

不同负载下的PF值

图片

不同负载下的THD

图片方案应用总结
图片

作为在市场经过验证的PFC和LLC控制器,NCL2801和NCP13992以其优秀的表现赢得了非常多电源工程师的认可和喜欢。在驱动GaN器件的高频化应用场景中,NCL2801和NCP13992仍然具有非常优秀的表现:稳定,高效的基础上,还具有完善的保护,优秀的THD,PF值和待机功耗等表现。因此,作为适配于GaN开关器件的高频小体积照明方案,NCL2801和NCP13992也一定会受到大家的欢迎。