浅谈数据库存储结构

392 阅读13分钟

本文是公司内部的一次分享。

本文讨论的内容主要是数据库的存储结构,对很多同学来说内容比较基础。本文的目的旨在通过一个合适的角度理解各类存储结构形成的原因。

引子

存储结构

我们知道,存储引擎是数据库最重要的部分之一,其负责数据在磁盘和内存上的存储、检索和管理,并向上层提供细粒度的数据操作接口。

而存储引擎最重要的就是存储的结构。内存、缓存、读写流程的设计都是建立在存储结构的基础上的,由此存储结构和存储引擎的特性和性能方面关系十分密切。相对于浩如烟海的数据库和存储引擎,可用的存储结构却没几个。

B树作为一个非常适合磁盘的存储结构,自关系型数据库兴起后一直占据着存储领域的主流。但近些年随着分布式技术的兴起和固态硬盘以及多核CPU的发展,另一种存储结构LSM树越来越火热。

本文,我们从最基础的存储需求出发,来跟大家讨论一下这两类主流存储结构的共性和特性,试着去找出存储结构发展的趋势,并介绍一下它们各自为了迎合这种趋势又发展出了哪些变种与优化。

磁盘

一般我们数据库的数据,最终要持久化到磁盘。而存储到磁盘,是通过操作系统的文件系统来实现,即我们可以简单认为数据库的数据存储形态是文件。所以在存储结构的设计上,就需要遵从磁盘、文件及文件系统的特性。

我们在内存中,有多种高效的数据结构:数组、链表、二叉搜索树、红黑树、跳表等。但这些结构都不适合用于磁盘上的存储结构。原因:

  • 磁盘的IO速度远低于内存IO,磁盘随机IO又远低于顺序IO。所以对磁盘的操作更倾向于一次性读取一片连续区域,哪怕读取后再进行内存操作。
  • 存储结构要支持并发。并发往往是加锁控制,存储结构的存储单元越小,锁粒度越小,并发度越高。

常见的内存数据结构往往不能同时满足以上两点,即不能直接用于磁盘上的存储结构。

KV

数据库对用户暴露的视图有表格、文档等,但在存储时往往转化为KV存储。所以我们后文讨论存储结构,也以KV形式介绍

最简单的存储需求

我们由一个最简单的存储需求出发,即直接使用shell操作文件来实现一个数据库。

#!/bin/bash
db_set () {
  echo "$1,$2" >> database
}

db_get () {
  grep "^$1," database | sed -e "s/^$1,//" | tail -n 1
}

这个数据库实现了基于字符串的KV存储。只支持set/get,不支持delete。(当然可以考虑通过set空value实现delete操作)

  1. set:在文件末尾追加一个 KV 对。
  2. get:匹配所有 Key,返回最后(也即最新)一条 KV 对中的 Value。
$ db_set 'Tom' 'London' 
$ db_set 'Alice' 'New York'
$ db_set 'Liming' 'Beijing'
$ db_get 'Alice'
New York

以上操作形成的文件内容:

Tom,London
Alice,New York
Liming,Beijing

基于这个数据库其实可以实现简单的存储需求。

这个数据库有个优点:写很快(文件追加);同时有很多问题:

  1. 读很慢。要逐行遍历整个文件。
  2. 修改操作也是文件追加写,文件会一直膨胀下去。

我们从下面这个问题,来引出后续内容。

基于文件的存储如何修改数据?

为了讨论这个问题,我们介绍两大流派:in-place update和out-of-place update。两者的代表分别是B树和LSM树

in-place update——B族树

如果需要执行:

$ db_set 'Alice' 'Washington'

直接在文件上做原地修改,为了保证数据库数据正确性,则需要做大量数据拷贝。修改操作的时间复杂度太高,无法接受。

image.png

暂时无法在飞书文档外展示此内容

其实到这里,原来的shell版本数据库已经无法完成以上这个操作了。我们依然用db_set命令只是为了方便介绍。下同。

为了解决以上问题,我们引出分页管理。

分页管理

将文件分成固定大小的页,假设Page大小为16KB。则文件的增长、修改均以页为粒度来操作。

同样执行以下命令

$ db_set 'Alice' 'Washington'

假设Page x容纳不了修改后的内容,则在文件末尾申请新的Page写入。

此时只需要修改2个页,32KB大小的数据,避免了整个文件的拷贝。

image.png

举一反三

分页管理的思想其实很常见,比如:

  1. 操作系统的虚拟内存管理
  2. JVM的G1、ZGC算法基于region的内存管理
  3. HBase bucket cache 缓存池实现

虽然以上场景目的不尽相同,但方法上有共通之处。

到此我们解决了数据修改的问题,但查询依旧很慢。自然想到:构建索引,以空间换时间。

索引

索引数据通常也需要持久化,即也需要以文件形式存储到磁盘上。我们当然可以同样以页的形式存储索引数据。

可以先粗暴地将页分为:索引页,数据页。

我们介绍两种索引的主要组织形式:堆组织表、索引组织表。

堆组织表

  • 数据文件:维持我们以上介绍的形式。分页管理,按页增长和修改。

  • 索引:以有序多叉搜索树形式组织

    • 将索引内容排序,才能方便地做检索。比如在页内做二分查找。
    • 索引同样是以页存储,页大小有限,则存储的数据有限。单个索引页无法存储所有数据页的位置,自然想到以树的形式分层增长。

image.png

此时,已经演化出B树的结构。数据库只要优先加载根索引页,就可以按需加载到所有数据,实现数据的快速增删改。

索引组织表

  • 将数据页作为索引树的叶子节点,与索引文件合并存储在一起。
  • 数据页内部排序

image.png

B树变种

B+树

image.png

  • 叶子节点中,增加指向兄弟节点的指针,加速跨页的范围查询。

B*树

image.png

  • 增加了非叶子节点到其兄弟节点的指针

  • 提升空间利用率:

  • B树/B+树:节点满时,一分为二。最低空间利用率1/2

  • B*树:节点满时,先将部分数据搬迁到下一个兄弟节点,两个节点都满了,再由两个节点分裂成2个。最低空间利用率2/3

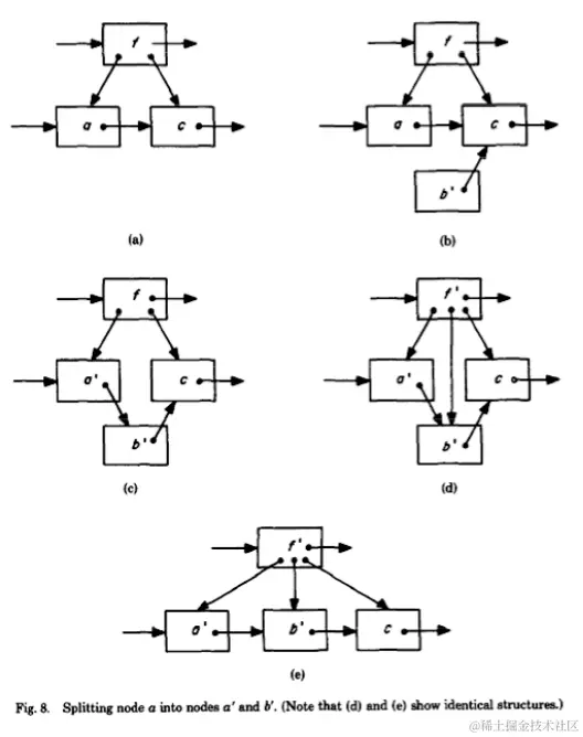
B-Link树

SMO操作

全称Structure Modification Operation,也就是结构修改操作。在B树结构中,向一个页中增加数据或删除数据,可能会造成页的分裂或合并,影响关联节点或其父节点。并且,这种影响可能还会向上传递,甚至有可能造成根节点的分裂或合并。

所以如果我们想要保证出现SMO操作时读写的安全的话,就需要对有可能受SMO操作影响的节点加锁。

B树/B+树的加锁操作是自上向下加锁,而B-Link树可以自下向上加锁,减少锁冲突。

  • 在B*树基础上,每个节点都增加一个high key值,记录当前节点的最大key

分裂过程:

  1. 先把老节点的数据拷贝到新节点
  2. 然后建立同一层节点间的连接关系
  3. 最后再建立从父节点指向新节点的连接关系

B-Link树可以先不锁父节点,如果查找过程中,根据子节点high key判断要查找的数据是否已经分裂到兄弟节点,再根据兄弟节点指针,仍能找到正确结果。

COW B树

对页的每次修改,都复制一个新页,所以父页中存储的指针也要修改,父页也复制一遍,级联复制到根节点。

BoltDB就是采用这样的极简设计。Go语言编写,源码非常简练,可用于学习。

这其实这已经有些out-of-place update的设计了。

小结

  1. 我们由修改操作的实现,引出分页管理形式
  2. 再由数据检索效率,引出以B树实现的两种主要组织形式
  3. 然后简单对比下两种索引组织形式:
堆组织表索引组织表
写性能相对强相对弱堆组织表的数据页顺序写入
读性能相对弱相对强索引组织表读取过程少一次磁盘寻址
代表数据库Oracle、PostgreSQLMySQL InnoDB

这里性能强弱的对比,仅从理论上以数据文件组织的形式来讨论,不代表数据库的真实性能强弱。

索引的存储形式对存储引擎的性能影响更大,而两种索引都是以B树形式组织,所以并不认为性能上有本质差别。

  1. 而后介绍B树的主要变种,主要在增大并发能力方向不断进化。

Out-of-place update——LSM树

让我们重新回到最初shell版本数据库,走另一条发展路线。

这条路上,基本的思路是:仍然顺序写入文件,要如何构建索引。

内存索引

我们仍然让所有数据顺序追加到文件上。为了加快查询,我们在内存中构建一个哈希索引

  1. Key是KV对的Key
  2. Value是KV对在文件中的起始偏移量

虽然很简单,但这正是Bitcask的基本设计。它能够实现非常高的数据读写性能。

  1. 写:文件追加写
  2. 读:一次内存查询,一次磁盘seek

但也有些问题:

  1. 要求key集合很小,可以全部放入内存哈希表中。
  2. 文件一直追加写,单个文件持续膨胀。在文件到达一定尺寸后,就新建一个文件,将原文件变为只读。同时为了回收delete和重复key多次写入的造成的空间浪费,将只读文件进行压实( compact ) ,将旧文件进行重写,以进行垃圾回收。

哈希索引不支持范围查询。如果有此需求,可以考虑将内存中的索引结构替换为跳表或红黑树。

LSMT(Log-structured merge-tree)

接下来,我们通过解决一个个问题,一步步牵出LSMT的全貌。

SSTables 和 MemTable

我们首先解决内存索引的第一个问题:索引数据完全放内存,key集合过大,内存放不下怎么办?则必须考虑让索引数据也存磁盘。

我们加一条限制,保证不可变的只读文件按key有序,我们称这种格式为:SSTable(Sorted String Table)。

此时:不需要在内存中保存所有数据的索引。仅需要记录下每个文件界限,以区间表示:[startKey, endKey]。查找某个Key时,去所有包含该Key的区间对应的文件中做二分查找即可。

image.png

但数据是乱序接收的,文件是有序存储的,那么就需要在内存中暂时积攒数据,排序后顺序写入磁盘,形成不可变文件——SSTable。内存中的结构称为MemTable,可以为红黑树、跳表等有序数据结构。

所有的写入操作(delete被视为特殊的put),都优先写入MemTable。在MemTable在写够一定大小之后,会切换一个新的MemTable继续接收新的写入,旧的MemTable落盘形成SSTable。

MemTable存储在内存中,但对需要数据持久化的数据库来说,内存毕竟是不可靠的。

WAL(Write-ahead LOG)

如果出现宕机,内存中MemTable的数据则会丢失。解决方法也很经典:WAL。

image.png

请求数据先顺序追加写入WAL,落盘后再写入MemTable。即使出现宕机,也可以通过回放WAL恢复数据。

Compaction

以上的存储结构基本实现了数据的高效写入,但数据读取还有些问题:随着数据的持续写入,SSTable会越来越多,导致查询越来越慢。

解决方法在前文也提到过:压实(Compaction)。即按需对SSTable做合并,清理掉已经删除和重复key写入的数据。

Compaction执行过程,即有序文件的归并外排,顺序读,顺序写。

LSM树优化

LSM树也有些弊端,最明显的便是读写放大问题

  • 写入的数据会随着多次compaction执行,被重复读写多次
  • 读操作需要在多个SSTables中查找,对结果做merge

Compaction 优化

最常见的便是优化compaction执行策略,避免无意义的文件读写。

Leveling和Tiering两种策略,都是将SSTable按文件大小分层:

Leveling

  • 除level 0外,同level的SSTable范围没有交集
  • 除level 0外,查询时每层最多只查1个SSTable
  • compaction时,将跨层且有交集的SSTable做合并

Tiering

  • 将同层SSTable合并进入下一层

LevelDB、RocksDB采用的是Leveling策略;Cassadra采用的是Tiering策略;HBase没有做严格的分层,但也更接近Tiering策略。

Compaction Offload

  • 将后台Compaction行为从数据节点中剥离出来,避免compaction与正常读写请求竞争 IO 和 CPU等资源。

键值分离:WiscKey

WiscKey 的核心思想是将数据中的 Key 和 Value 分离,只在 LSM树 中有序存储 Key,而将 Value 存放在单独的 vLog 中。显著降低了写放大

  1. 当 LSM-Tree 进行 compaction 时,只会对 Key 进行排序和重写
  2. vLog取代了LSM树的WAL,减少了value的一次写入

WiscKey 的设计很大一部分还建立在 SSD 的普及上,相比 HDD,SSD 有一些变化:

  1. SSD 的随机 IO 和顺序 IO 的性能差距并不像 HDD 那么大,所以LSM树为了避免随机 IO 而采用了大量的顺序 IO,反而可能会造成了带宽浪费
  2. SSD 拥有内部并行性,但LSM树并没有利用到该特性
  3. SSD 会因为大量的重复写入而产生硬件损耗,LSM树的高写入放大率会降低设备的寿命

小结

我们从另一个角度,即数据异地更新,逐步牵出LSM树的基本实现。

LSM树自1996年提出后,随着多核CPU和固态硬盘的发展,逐渐成为越来越多数据库存储引擎的实现方案。但银弹并不存在,LSM树也有其弊端:写放大问题

我们围绕读写放大问题,又介绍了compaction的几类优化,以及创新性的键值分离的实践。

总结

  • 我们介绍了数据库中存储结构的重要性,以及存储结构设计的考虑因素
  • 从一个最简单的文件数据库出发,分两条实现路线介绍了B族树和LSM树的设计要点,及其变种和优化。

参考