【YOLOv8】实战一:手把手教你使用YOLOv8实现实时目标检测

1,370 阅读8分钟

‍‍🏡博客主页: virobotics(仪酷智能):LabVIEW深度学习、人工智能博主

🍻本文由virobotics(仪酷智能)原创首发

🥳欢迎大家关注✌点赞👍收藏⭐留言📝

前言

Hello,大家好,我是virobotics(仪酷智能),一个深耕于LabVIEW和人工智能领域的开发工程师。

从2015 年首次发布以来,You Only Look Once (YOLO) 系列计算机视觉模型一直是该领域最受欢迎的模型之一。其中,YOLO 架构的核心创新是将目标检测任务视为回归问题,从而使模型同时对所有目标边界框和类别概率生成预测。在过去的八年中,这种架构创新催生了一系列 YOLO 模型。之前也给大家介绍了一些YOLO 模型在LabVIEW上的部署。感兴趣的话可以查看专栏【深度学习:物体识别(目标检测)】本文主要想和各位读者分享YOLOv8在LabVIEW中的部署。


一、YOLOv8简介

YOLOv8 是由 YOLOv5 的发布者 Ultralytics 发布的最新版本的 YOLO。它可用于对象检测、分割、分类任务以及大型数据集的学习,并且可以在包括 CPU 和 GPU 在内的各种硬件上执行。

YOLOv8是一种尖端的、最先进的 (SOTA) 模型,它建立在以前成功的 YOLO 版本的基础上,并引入了新的功能和改进,以进一步提高性能和灵活性。YOLOv8 旨在快速、准确且易于使用,这也使其成为对象检测、图像分割和图像分类任务的绝佳选择。具体创新包括一个新的骨干网络、一个新的 Ancher-Free 检测头和一个新的损失函数,还支持YOLO以往版本,方便不同版本切换和性能对比。

YOLOv8 有 5 个不同模型大小的预训练模型:n、s、m、l 和 x。关注下面的参数个数和COCO mAP(准确率),可以看到准确率比YOLOv5有了很大的提升。特别是 l 和 x,它们是大模型尺寸,在减少参数数量的同时提高了精度。 在这里插入图片描述 每个模型的准确率如下 在这里插入图片描述

YOLOv8官方开源地址:github.com/ultralytics…


二、环境搭建

2.1 部署本项目时所用环境

  • 操作系统:Windows10
  • python:3.6及以上
  • LabVIEW:2018及以上 64位版本
  • AI视觉工具包:techforce_lib_opencv_cpu-1.0.0.98.vip
  • onnx工具包:virobotics_lib_onnx_cuda_tensorrt-1.0.0.16.vip【1.0.0.16及以上版本】或virobotics_lib_onnx_cpu-1.13.1.2.vip

2.2 LabVIEW工具包下载及安装


三、yolov8导出onnx

注意:本教程已经为大家提供了YOLOv8的onnx模型,可跳过本步骤,直接进行步骤四-项目实战。若是想要了解YOLOv8的onnx模型如何导出,则可继续阅读本部分内容。

下面我们来介绍onnx模型的导出(以yolov8s为例,想要导出其他模型的方式也一样,只需要修改名字即可)

3.1 安装YOLOv8

YOLOv8的安装有两种方式,pip安装和GitHub安装。

  • pip安装
pip install ultralytics -i https://pypi.douban.com/simple/
  • GitHub安装
git clone https://github.com/ultralytics/ultralytics

cd ultralytics

pip install -e '.[dev]'

安装完成后就可以通过yolo命令在命令行进行使用了。

3.2 下载模型权重文件

在官方网站中下载我们所需要的权重文件 在这里插入图片描述

注意:这一步其实可以不做,我们在第三步导出模型为onnx的时候如果权重文件不存在,会自动帮我们下载一个权重文件,但速度会较慢,所以个人还是建议先在官网中下载权重文件,再导出为onnx模型

3.3 导出模型为onnx

新建一个文件夹名字为“yolov8_onnx”,将刚刚下载的权重文件“yolov8s.pt”放到该文件夹下的models文件夹里 在这里插入图片描述 在models文件夹下打开cmd,在cmd中输入以下命令将模型直接导出为onnx模型:

yolo export model=yolov8s.pt format=onnx opset=12 

在这里插入图片描述 YOLOv8的3个检测头一共有80x80+40x40+20x20=8400个输出单元格,每个单元格包含x,y,w,h这4项再加80个类别的置信度总共84列内容,所以通过上面命令导出的onnx模型的输出维度为1x84x8400。 在这里插入图片描述 如果觉得上面方式不方便,那我们也可以写一个python脚本,快速导出yolov8的onnx模型,程序如下:

from ultralytics import YOLO
 
# Load a model
model = YOLO("\models\yolov8s.pt")  # load an official model
 
# Export the model
model.export(format="onnx")


四、项目实践

实现效果:LabVIEW中部署yolov8实现图片推理和视频推理

整个项目工程如下,本次项目以yolov8s为例

在这里插入图片描述

  • model:yolov8模型文件
  • subvi:子vi
  • export.py:将yolov8的ptd导出为onnx
  • yolov8_camera:yolov8摄像头视频实时推理
  • yolov8_img:yolov8图片推理

准备工作

  1. 放置一张待检测图片和coco.name到yolov8_onnx文件夹下,本项目中放置了一张dog.jpg图片;
  2. 确保models文件中已经放置了yolov8的onnx模型:yolov8s.onnx;

4.1 YOLOv8在LabVIREW中实现图片推理

1.获取待检测图片、模型文件及类别标签文件路径; 在这里插入图片描述

2.模型初始化:加载onnx模型并读取该模型输入和输出的shape; 在这里插入图片描述

当然我们也可以在netron中直接查看模型的输入输出并手动创建模型输入输出shape数组 在netron中我们可以看到模型的输入输出如下: 在这里插入图片描述 所以这部分程序也可以改为如下图所示: 在这里插入图片描述

3.图像预处理:创建所需Mat并读取图片,对图片进行预处理 在这里插入图片描述

cvtColor:颜色空间转换把采集的BGR图像转为RGB letterbox:深度学习模型输入图片的尺寸为正方形,而数据集中的图片一般为长方形,粗暴的resize会使得图片失真,采用letterbox可以较好的解决这个问题。该方法可以保持图片的长宽比例,剩下的部分采用灰色填充。 在这里插入图片描述

blobFromImage的作用:

  • size:640x640(图像resize为640x640)
  • Scale=1/255,
  • Means=[0,0,0](图像归一化至0~1之间)

最后,要将图片数据HWC转换(transpose)为神经网络容易识别的NCHW格式

  • H:图片的高度:640
  • W:图片的宽度:640
  • C:图片的通道数:3
  • N:图片的数量,通常为1

4.模型推理:推荐使用数据指针作为输入给到Run_one_input.vi,数据的大小为1x3x640x640;

在这里插入图片描述

5.获取推理结果:循环外初始化一个84x8400的二维数组,此数组作为Get_Result的输入,另一个输入为index=0,输出为84x8400的二维数组结果,推理之后,将推理结果由84x8400 transpose为8400x84,以便于输入到后处理;

在这里插入图片描述

6.后处理

在这里插入图片描述

范例中yolov5_post_process 的输入8400x84,84的排列顺序:

  • 第0列代表物体中心x在图中的位置
  • 第1列表示物体中心y在图中的位置
  • 第2列表示物体的宽度
  • 第3列表示物体的高度
  • 第4~83列为基于COCO数据集的80分类的标记权重,最大的为输出分类。

8400的含义是:YOLOv8的3个检测头一共有80x80+40x40+20x20=8400个输出单元格

注:如果用户训练自己的数据集,则列数将根据用户定义的类别数改变。如果用户的数据集中有2类,那么输入数据的大小将为8400x6。前4列意义和之前相同,后2列为每一个分类的标记权重。

7.绘制检测结果

在这里插入图片描述

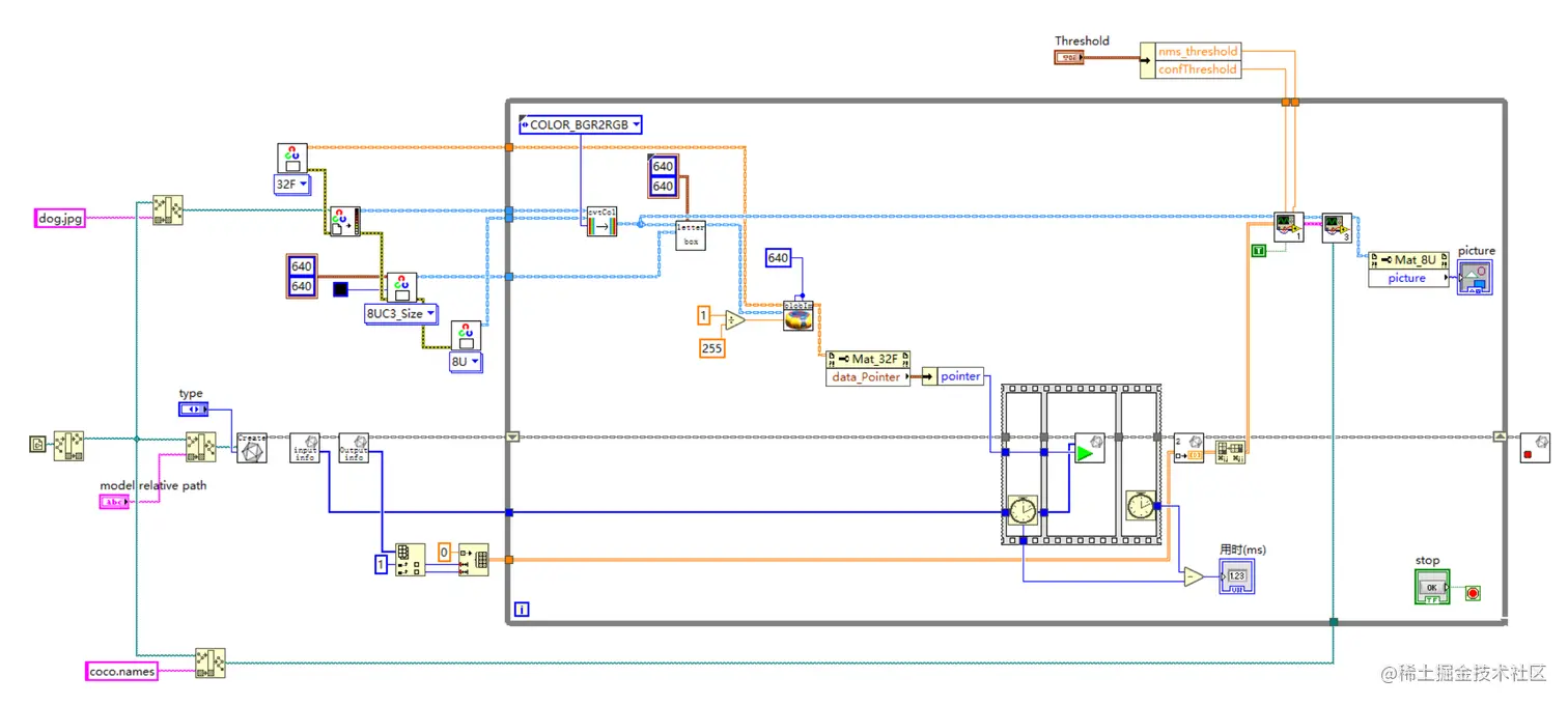
8.完整源码; 在这里插入图片描述 9.运行效果(运行电脑独显为笔记本RTX 3060)

  • CPU加速: 在这里插入图片描述
  • GPU加速: 在这里插入图片描述

4.2 YOLOv8在LabVIREW中实现视频推理

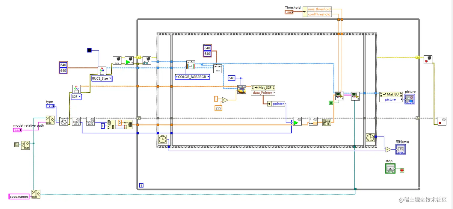
视频推理和推片推理实现方式基本一致,唯一的不同在于,摄像头实时推理过程中对视频流进行推理且耗时部分包括预处理、推理及后处理三部分。 1.完整程序; 在这里插入图片描述

2.实现效果(运行电脑独显为笔记本RTX 3060)

  • CPU加速: 在这里插入图片描述
  • GPU加速: 在这里插入图片描述

五、项目源码

如需源码,可查看:blog.csdn.net/virobotics/…

更多内容,可关注微信公众号:VIRobotics


总结

以上就是今天要给大家分享的内容,希望对大家有用。如有笔误,还请各位及时指正。后续还会继续给各位朋友分享其他案例,欢迎大家关注博主。我是virobotics(仪酷智能),我们下篇文章见~

如果有问题可以在评论区里讨论,提问前请先点赞支持一下博主哦,如您想要探讨更多关于LabVIEW与人工智能技术,欢迎加入我们的技术交流群:705637299。进群请备注:LabVIEW机器视觉

**如果文章对你有帮助,欢迎✌关注、👍点赞、✌收藏