手把手教你使用LabVIEW TensorRT实现图像分类实战(含源码)

116 阅读6分钟

‍‍🏡博客主页: virobotics(仪酷智能):LabVIEW深度学习、人工智能博主

🍻本文由virobotics(仪酷智能)原创首发

🥳欢迎大家关注✌点赞👍收藏⭐留言📝

前言

Hello,大家好,我是virobotics(仪酷智能),一个深耕于LabVIEW和人工智能领域的开发工程师。

各位朋友,今天我们一起来探究一下如何基于LabVIEW使用TensorRT实现图像分类,本文所用到的工具包的安装与下载方法可参考博文:blog.csdn.net/virobotics/…

一、TensorRT简介

TensorRT是一个高性能的深度学习推理(Inference)优化器,可以为深度学习应用提供低延迟、高吞吐率的部署推理。TensorRT可用于对超大规模数据中心、嵌入式平台或自动驾驶平台进行推理加速。TensorRT现已能支持TensorFlow、Caffe、Mxnet、Pytorch等几乎所有的深度学习框架,将TensorRT和NVIDIA的GPU结合起来,能在几乎所有的框架中进行快速和高效的部署推理。主要用来针对 NVIDIA GPU进行高性能推理(Inference)加速。

在这里插入图片描述

TensorRT与其他推理引擎速度对比:

在这里插入图片描述

注:测试电脑cpu为i7-11800H,Intel集显为i7-11650G7,独显为笔记本RTX 3070(包括预处理和后处理)

二、TensorRT工具包常用函数介绍

TensorRT工具包所在位置:

在这里插入图片描述 TrtSession:推理函数系列,可直接推理engine(trt)模型和onnx模型

TensorRT工具包常用函数介绍:

在这里插入图片描述

在这里插入图片描述

三、使用LabVIEW TensorRT实现图像分类完整步骤

1、模型获取及转换为onnx

  • 安装pytorch和torchvision
  • 获取torchvision中的模型:mobile(我们获取预训练好的模型):
original_model = models.mobilenet_v2(pretrained=True)
  • 转onnx
def get_pytorch_onnx_model(original_model):
    # define the directory for further converted model save
    onnx_model_path = dirname
    # define the name of further converted model
    onnx_model_name = "mobilenet.onnx"

    # create directory for further converted model
    os.makedirs(onnx_model_path, exist_ok=True)

    # get full path to the converted model
    full_model_path = os.path.join(onnx_model_path, onnx_model_name)

    # generate model input
    generated_input = Variable(
        torch.randn(1, 3, 224, 224)
    )

    # model export into ONNX format
    torch.onnx.export(
        original_model,
        generated_input,
        full_model_path,
        verbose=True,
        input_names=["input"],
        output_names=["output"],
        opset_version=11
    )

    return full_model_path

完整获取及模型转换python代码如下:

import os
import torch
import torch.onnx
from torch.autograd import Variable
from torchvision import models

dirname, filename = os.path.split(os.path.abspath(__file__))
print(dirname)

def get_pytorch_onnx_model(original_model):
    # define the directory for further converted model save
    onnx_model_path = dirname
    # define the name of further converted model
    onnx_model_name = "mobilenet.onnx"

    # create directory for further converted model
    os.makedirs(onnx_model_path, exist_ok=True)

    # get full path to the converted model
    full_model_path = os.path.join(onnx_model_path, onnx_model_name)

    # generate model input
    generated_input = Variable(
        torch.randn(1, 3, 224, 224)
    )

    # model export into ONNX format
    torch.onnx.export(
        original_model,
        generated_input,
        full_model_path,
        verbose=True,
        input_names=["input"],
        output_names=["output"],
        opset_version=11
    )

    return full_model_path


def main():
    # initialize PyTorch MobileNetV2
    original_model = models.mobilenet_v2(pretrained=True)

    # get the path to the converted into ONNX PyTorch model
    full_model_path = get_pytorch_onnx_model(original_model)
    print("PyTorch MobileNet model was successfully converted: ", full_model_path)


if __name__ == "__main__":
    main()

注:该模型所用数据集为:ImageNet数据集

2、onnx转化为engine(save engine_Simple.vi)

使用onnx_to_engine.vi,将该vi拖拽至前面板空白区域,创建并输入onnx的路径以及engine的路径,type即精度,可选择FP32或FP16,肉眼观看精度无大差别。(一般FP16模型比FP32速度快一倍) 在这里插入图片描述 转换的完整程序如下: 在这里插入图片描述 点击运行,等待1~3分钟,模型转换成功,可在刚刚设定的路径中找到我们转化好的mobilenet.engine.

Q:为什么要转换模型,不直接调用ONNX? A:tensorRT内部加载ONNX后其实是做了一个转换模型的工作,该过程时间长、占用内存巨大。因此不推荐每次初始化都加载ONNX模型,而是加载engine。

3、LabVIEW TensorRT调用 mobilenet实现图像分类(call_tensorRT.vi)

1、加载mobilenet.engine

在这里插入图片描述

2、根据转换前的onnx模型设置输入输出缓存

在这里插入图片描述

3、将预处理后的输入tensor及其数据大小(即1 * 3 * 224 * 224)送至run函数中。(可使用输入一维数组的方式,亦可使用输入数据指针地址的方式,后者稍快)

在这里插入图片描述

4、根据模型输出的数据量,首先初始化一个相同数据量的数组(1维、2维、3维皆可,根据用户后处理方便可自行选择),使用Get_Result获取相同数据量和形状的结果。 默认第一个输出的index为0,如有多个输出,第n个输出的index为n-1

在这里插入图片描述

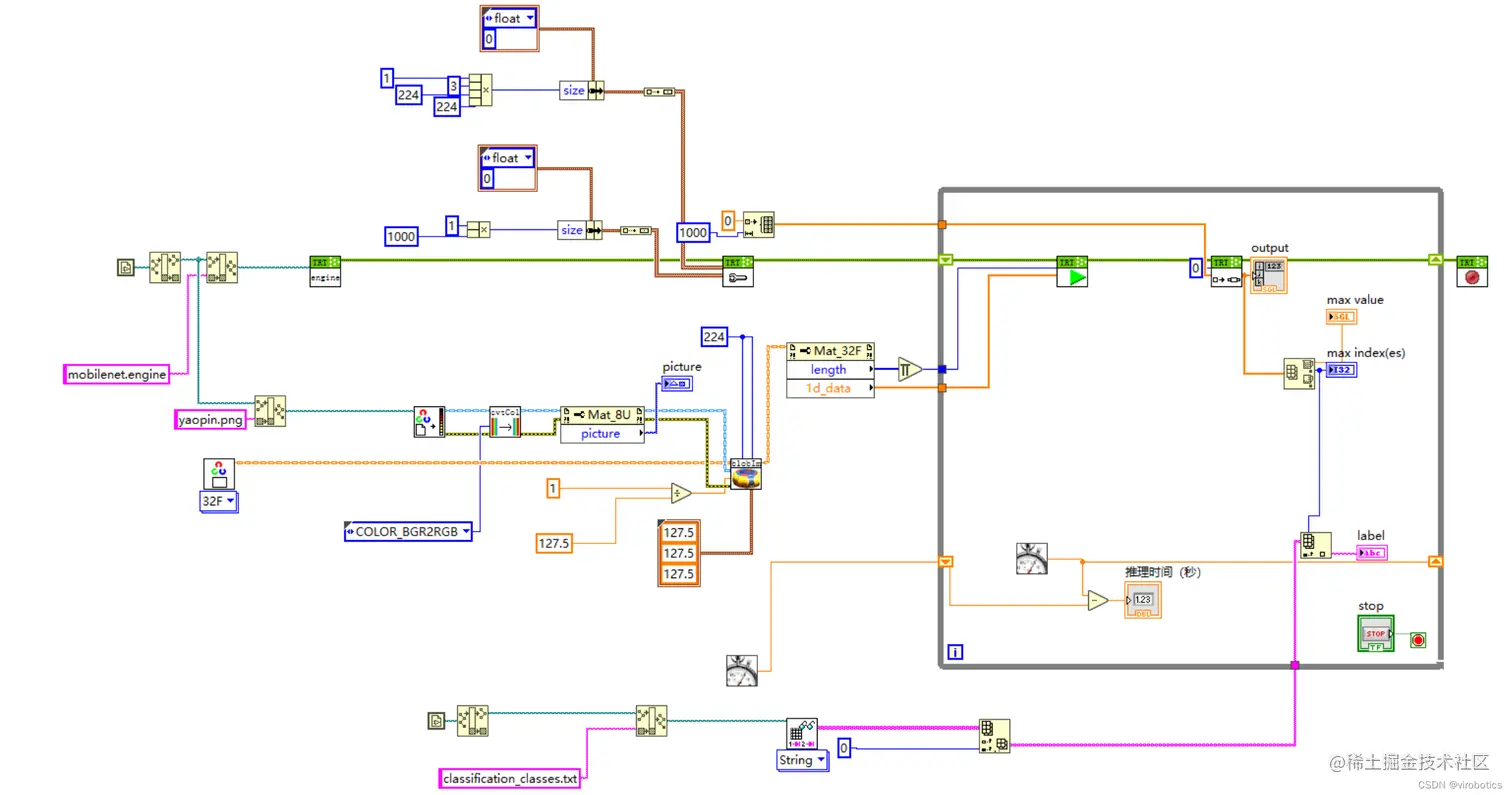
5、完整图像分类源码

在这里插入图片描述

6、分类结果及速度,如下图所示,使用tensorRT FP16,分类一帧大概需要0.5毫秒左右,速度极快

在这里插入图片描述

7、不同工具包实现图像分类速度比较,对比可见对于分类,纯TenosRT推理速度是onnx使用TensoRT推理速度的2倍

在这里插入图片描述

四、使用INetworkDefinition编辑模型

1、tensorRT高级API

1、INetworkDefinition(INetwork文件夹):可新建一个空白网络或加载一个Onnx网络,获取其所有的层(算子,ILayer)、输入和输出张量(ITensor),用户也可以执行以下操作:添加算子、输入输出、将某一个张量设置为输出、保存成engine文件等

在这里插入图片描述

2、ILayer:INetworkDefinition中的任意一层,实质为一个算子。tensorRT中共有41种Ilayer子类,如右图。使用属性节点可获取、编辑每一种子类(如IConvilutionLayer)的相关信息 使用INetwork下的多态VI addLayer可在网络中添加指定层

在这里插入图片描述

3、ITensor:INetworDefinition中的变量,一般为某一个ILayer的输入或输出。可通过以下四个函数获取某一个ITensor: INetworkDefinition.getInput(index) INetworkDefinition.getOutput(index) ILayer.getInput(index) ILayer.getOutput(index) 在INetworkDefinition中,使用markOutput将某个ITensor设置为网络的输出,使用unMarkOutput将某个原本是输出的ITensor设置为非输出。

在这里插入图片描述

2、给pytorch分类模型加一层softMax

softMax理论知识

假设有一个数组V,V i 表示V中的第i个元素,那么这个元素的softmax值为: 在这里插入图片描述 在pytorch分类模型的输出结果中,j=1000,i为0~999

为什么softmax是这种形式?

首先,我们知道概率有两个性质: 1)预测的概率为非负数; 2)各种预测结果概率之和等于1。 softmax就是将在负无穷到正无穷上的预测结果按照这两步转换为概率的。

使用LabVIEW给分类模型加一层softMax(save engine_add_softMax.vi)

  1. 加载mobilenet.onnx模型;
  2. 将原来的输出tensor设置为非输出;
  3. 使用addSoftMax,的输出tensor后面加一层,返回该层句柄;
  4. 使用属性节点的Axes设置为2。因为原本的输出shape为(1,1000),因此要在1000这个维度的基础上添加softMax,因此Axes=2;
  5. 设置新加一层的输出为整个模型的输出,保存模型。

在这里插入图片描述

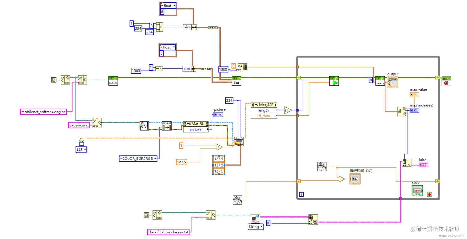
调用并推理加了softMax的分类模型engine(call_tensorRT_softMax.vi)

在这里插入图片描述

四、完整项目源码下载

大家可关注微信公众号: VIRobotics,回复关键字:TensorRT实现mobilenet图像分类 获取本次分享内容的完整项目源码及模型。

TensorRT实现mobilenet图像分类

附加说明

  • 操作系统:Windows10
  • python:3.6及以上
  • LabVIEW:2018及以上 64位版本
  • 视觉工具包:techforce_lib_opencv_cpu-1.0.0.98.vip
  • LabVIEW TensorRT工具包:virobotics_lib_tensorrt-1.0.0.22.vip

总结

以上就是今天要给大家分享的内容,希望对大家有用。如有笔误,还请各位及时指正。后续还会继续给各位朋友分享其他案例,欢迎大家关注博主。我是virobotics(仪酷智能),我们下篇文章见~

如果有问题可以在评论区里讨论,提问前请先点赞支持一下博主哦,如您想要探讨更多关于LabVIEW与人工智能技术,欢迎加入我们的技术交流群:705637299。进群请备注:LabVIEW机器视觉

**如果文章对你有帮助,欢迎✌关注、👍点赞、✌收藏