安森美 | 注意!设计高能效 AC-DC 电源不再需要 MCU

60 阅读4分钟

简单地说,效率就是输入功率与输出功率之比。但是,必须要考虑输入功率因数 (PF) ,即所有 AC 供电设备(包括电源)的有用(实际)功率与总(视在)功率之比。

对于纯阻性负载,PF 将为 1.00(“单位”),但随着视在功率的升高,无功负载会降低 PF,从而导致效率降低。小于 1 的 PF 由异相电压和电流引起,在开关型电源 (SMPS) 等不连续电子负载中常常会出现谐波含量高或电流波形失真的情况。

PF校正

考虑到低 PF 对效率的影响,当功率水平高于 70W 时,法规要求设计人员通过电路将 PF 校正到接近 1。通常,有源 PF 校正 (PFC) 采用升压转换器,将整流电源转换为高直流电平。然后使用脉宽调制 (PWM) 或其他技术对该电源轨进行调节。

此方法通常有效且易于部署。然而,如今有关效率的诸多要求,如具有挑战性的“80+ Titanium标准”,规定了整个宽工作功率范围内的效率,要求半负载时的峰值效率需达到 96%。这意味着线路整流和 PFC 级必须达到 98%,因为接下来的 PWM DC-DC 将会进一步损耗 2%。要做到这一点非常难,因为桥式整流器中的二极管也会出现损耗。

用同步整流器替换升压二极管会有所帮助,或者,也可以更换两个线性整流二极管,以进一步提高效率。这种拓扑结构被称为图腾柱 PFC (TPPFC),理论上,使用理想的电感和开关,效率将会接近 100%。虽然硅 MOSFET 具有良好的性能,但宽禁带 (WBG) 器件的性能更接近“理想”水平。

图片

图 1:简化的图腾柱 PFC 拓扑结构

处理损耗

随着设计人员不断增加频率以减小磁性组件的尺寸,开关器件的动态损耗也随之增加。由于硅 MOSFET 的这些损耗可能很大,设计人员正转而考虑使用 WBG 材料,其中包括碳化硅 (SiC)和氮化镓 (GaN),特别是对于 TPPFC 应用。

临界导通模式 (CrM) 通常是功率水平高达几百瓦的 TPPFC 设计的首选方法,它可以平衡效率和 EMI 性能。在千瓦级设计中,连续导通模式 (CCM) 可进一步降低开关内的 RMS 电流,从而减少导通损耗。

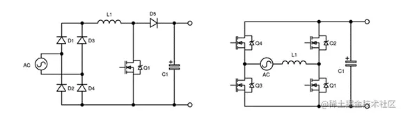
图片

图 2:典型 PFC 电路:传统升压(左)和无桥图腾柱(右)

即使是 CrM,在轻载下的效率也会下降近10%,不利于实现“80+ Titanium标准”。箝位(“折返”)最大频率迫使电路在轻载下进入 非连续导通模式(DCM),从而显著降低峰值电流。

解决设计复杂性

由于需要同步驱动四个有源器件,并且需要检测电感的零电流交越以强制 CrM,因此 TPPFC 设计绝非易事。此外,电路必须能够切换进/出 DCM,同时保持一个高功率因数并生成一个 PWM 信号来调节输出,并且提供电路保护(例如过流和过压)。

要解决这些复杂难题,最显而易见的方法是部署微控制器 (MCU) 来执行控制算法。但这需要生成和调试代码,反而会增加设计的工作量和风险。

基于 CrM 的 TPPFC 无需编码

不过,使用完全集成的 TPPFC 控制方案就可以免去费时的编码工作。这些器件具有多种优势,包括高性能、更短的设计时间和更低的设计风险,因为它们不再需要部署 MCU 和相关代码。

安森美 (onsemi) 的 NCP1680 混合信号 TPPFC 控制器就是这类器件的典范,它可以在具有恒定导通时间的 CrM 下工作,确保在整个宽负载范围内带来出色的效率。该集成器件在轻载下具有频率折返“谷底开关”功能,可通过在最低电压下进行开关操作来提高效率。买元器件现货上唯样商城数字电压控制环路经过内部补偿,可优化整个负载范围内的性能,同时能够确保设计过程仍简单。

图片

图 3:NCP1680 混合信号 TPPFC 控制器

这款创新的 TPPFC 控制器采用新颖的低损耗方法进行电流检测和逐周期限流,无需外部霍尔效应传感器即可提供出色的保护,从而降低复杂性、尺寸和成本。

图片

图 4:NCP1680 典型应用原理图

全套控制算法都嵌入在该 IC 中,为设计人员提供了低风险、经过试用和测试验证的方案,以高性价比实现高性能。