m基于GMDH网络模型的数据训练和分类matlab仿真

81 阅读2分钟

1.算法仿真效果

matlab2022a仿真结果如下:

93957712716f4ff863565501d1f17c5d_watermark,size_14,text_QDUxQ1RP5Y2a5a6i,color_FFFFFF,t_100,g_se,x_10,y_10,shadow_20,type_ZmFuZ3poZW5naGVpdGk=.jpg

c2836803a7314367fc694dc19e59f9ac_watermark,size_14,text_QDUxQ1RP5Y2a5a6i,color_FFFFFF,t_100,g_se,x_10,y_10,shadow_20,type_ZmFuZ3poZW5naGVpdGk=.jpg   101bef8db05963017bc7a0b278217cb5_watermark,size_14,text_QDUxQ1RP5Y2a5a6i,color_FFFFFF,t_100,g_se,x_10,y_10,shadow_20,type_ZmFuZ3poZW5naGVpdGk=.jpg

 

2.算法涉及理论知识概要

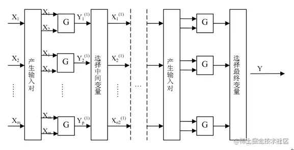
         GMDH神经网络的主要思想是由系统各输入单元交叉组合产生一系列的活动神经元, 其中每一神经元都具有选择最优传递函数的功能, 再从已产生的一代神经元中选择若干与目标变量最为接近的神经元, 被选出神经元强强结合再次产生新的神经元, 重复这样一个优势遗传、竞争生存和进化的过程, 直至新产生的一代神经元都不比上一代更加优秀, 于是最优模型被选出。类似于其它神经网络, GMDH 算法具有如下两个基本思想: ① 以分析黑箱的方法处理系统输入输出关系;② 用网络间元素的互联关系描述网络的功能。 GMDH 神经网络的构建过程主要是一个不断产生活动神经元, 由外部准则对神经元进行筛选, 筛选得到的神经元强强结合再产生下一层神经元,直至具有最佳复杂性的模型被选出的这样一个过程。

 

4ff33cae8ca1ac1c1a3bb896dd84f45d_watermark,size_14,text_QDUxQ1RP5Y2a5a6i,color_FFFFFF,t_100,g_se,x_10,y_10,shadow_20,type_ZmFuZ3poZW5naGVpdGk=.png  

GMDH 网络的结构在训练过程中是不断的变化的,如下图所示的训练后的一个典型的网络结构。

 

417efa8e33fbeb87e6c5126537da057c_watermark,size_14,text_QDUxQ1RP5Y2a5a6i,color_FFFFFF,t_100,g_se,x_10,y_10,shadow_20,type_ZmFuZ3poZW5naGVpdGk=.png  

        该网络有 4 个输入和一个输出。 GMDH 网络的输入层加工输入信号前向传递到中间层,中间层的每个神经元和前一层的两个神经元对应,因此,输出层的前一层(中间层)肯定只有两个神经元。

 

3.MATLAB核心程序 `% 载入数据文件 data.mat

load data.mat

t         = [0:0.001:1]';

tmps      = sin(2pit/100);

x         = [tmps,tmps,tmps,tmps,tmps,tmps,tmps,tmps,tmps,tmps,tmps,tmps,tmps,tmps,tmps,tmps];

x         = x+randn(size(x))/50;

%GMDH网络参数

layer     = [12  8  4 2];%网络层定义

test_rate = 0.15;% 测试集比例

% 计算数据集长度

lens      = length(x(:,1));

% 计算测试集长度

test_lens = ceil(test_rate*lens);

% 计算训练集长度

Train_lens= lens-test_lens;

% 生成随机排列的索引

Train_rand= randperm(lens);

% 提取训练集和测试集的索引

idx1      = Train_rand(1:Train_lens);

idx2      = Train_rand(Train_lens+1:end);

% 使用函数 func_GMDH_train 训练 GMDH 模型

GMDH_model= func_GMDH_train(layer,x(idx1,:),t(idx1,:));

% 在测试集上进行 GMDH 模型预测

outputs   = func_GMDH_test(GMDH_model,x(idx2,:));

 

 % 绘制验证集的真实值和预测值的图像

figure;

PlotResults(t(idx2,:), outputs, '验证集');

% 绘制训练集数据的真实值和模型输出值的图像

figure;

PlotResults(t(GMDH_model.suffleList_train,:), GMDH_model.Layers{end}.value, '训练集');

 

 

 

% 获取 GMDH 模型的布局、最大度以及参数数量

[layout,maxi,nParameter]=GMDHLayout(GMDH_model);

% 绘制布局图

figure;

PlotLayout(layout,maxi,nParameter)`