百度飞桨PP-YOLOE ONNX 在LabVIEW中的部署推理(含源码)

925 阅读5分钟

@TOC


前言

Hello,大家好,我是virobotics(仪酷智能)。PP-YOLOE是百度基于其之前的PP-YOLOv2所改进的卓越的单阶段Anchor-free模型,超越了多种流行的YOLO模型。如何使用python进行该模型的部署,官网已经介绍的很清楚了,但是对于如何在LabVIEW中实现该模型的部署,笔者目前还没有看到相关介绍文章,所以笔者在实现PP-YOLOE ONNX 在LabVIEW中的部署推理后,决定和各位读者分享一下如何使用LabVIEW实现PP-YOLOE的目标检测。


一、什么是PP-YOLO

在这里插入图片描述 PP-YOLOE是百度基于其之前的PP-YOLOv2所改进的卓越的单阶段Anchor-free模型,超越了多种流行的YOLO模型。PP-YOLOE,有更高的检测精度且部署友好。 PP-YOLOE基于anchor-free的架构,使用强大的backbone和neck,引入了CSPRepResStage,ET-head 和动态标签分配算法TAL。针对不同应用场景,提供了不同大小的模型。即s/m/l/x,可以通过width multiplier和depth multiplier配置。PP-YOLOE避免了使用诸如Deformable Convolution或者Matrix NMS之类的特殊算子,以使其能轻松地部署在多种多样的硬件上。 在这里插入图片描述 PP-YOLOE-l在COCO test-dev2017达到了51.6的mAP, 同时其速度在Tesla V100上达到了78.1 FPS。 PP-YOLOE提供了一键转出 ONNX 格式,可顺畅对接 ONNX 生态。本文主要实现百度PP-YOLOE ONNX 在LabVIEW上的部署推理。


二、环境搭建

1、部署本项目时所用环境

  • 操作系统:Windows10
  • python:3.6及以上
  • LabVIEW:2018及以上 64位版本
  • AI视觉工具包:techforce_lib_opencv_cpu-1.0.0.73.vip
  • onnx工具包:virobotics_lib_onnx_cuda_tensorrt-1.0.0.16.vip【1.0.0.16及以上版本】

2、LabVIEW工具包下载及安装


三、模型的获取与转化

注意:本教程已经为大家提供了PP-YOLOE的模型,可跳过本步骤,直接进行步骤四-推理。若是想要了解PP-YOLO的onnx模型如何获取,则可继续阅读本部分内容。

PP-YOLOE并没有直接提供onnx模型,但是我们可以通过paddle2onnx实现onnx模型的导出。

1、安装paddle

  • PPYOLO需要使用百度paddle框架,我们打开百度飞桨官网:www.paddlepaddle.org.cn/,在下方的快速安装选择适合自己版本的paddlepaddle

在这里插入图片描述

  • cmd中执行以下命令安装:
python -m pip install paddlepaddle-gpu==2.3.1.post112 -f https://www.paddlepaddle.org.cn/whl/windows/mkl/avx/stable.html

2、安装依赖的库

  • 从github上下载PaddleDetection并解压到目录,下载地址:github.com/PaddlePaddl… ,将paddledetection根目录添加到环境变量。
  • 在PaddleDetection-release-2.4文件夹中打开cmd,输入以下指令安装需要的库
pip3 install -U pip && pip3 install -r requirements.txt

3、安装pycocotools

pip install pycocotools

若安装pycocotools时遇到ERROR: Could not build wheels for pycocotools ……,则可以使用以下指令来安装:

pip install pycocotools-windows

4、导出onnx模型

(1)导出推理模型

python tools/export_model.py -c configs/ppyoloe/ppyoloe_crn_l_300e_coco.yml --output_dir=output_inference -o weights=https://paddledet.bj.bcebos.com/models/ppyoloe_crn_l_300e_coco.pdparams

(2) 安装paddle2onnx

pip install paddle2onnx

(3) 转换成onnx格式

paddle2onnx --model_dir output_inference/ppyoloe_crn_l_300e_coco --model_filename model.pdmodel --params_filename model.pdiparams --opset_version 11 --save_file ppyoloe_crn_l_300e_coco.onnx

至此已成功导出PP-YOLOE ONNX模型

注意: ONNX模型目前只支持batch_size=1


四、在LabVIEW实现PP-YOLOE的部署推理

本项目整体的文件结构如下图所示,各位读者可在文章末尾链接处下载整个项目源码。 在这里插入图片描述

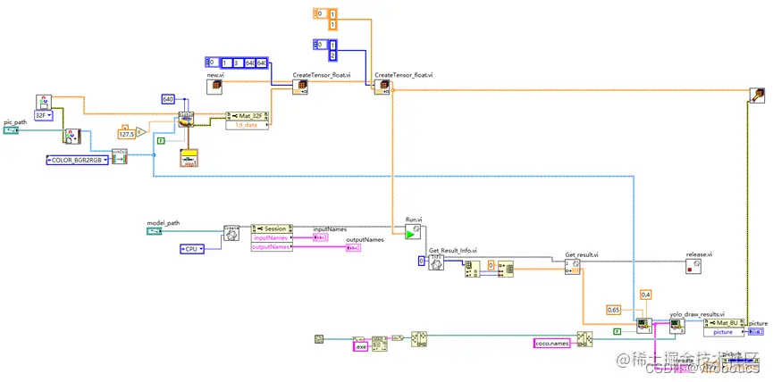
1、LabVIEW调用PP-YOLOE实现目标检测pp-yolox_main.vi

本例中使用LabvVIEW ONNX工具包中的Create_Session.vi载入onnx模型,可选择使用cpu,cuda进行推理加速。

(1)查看模型

我们可以使用netron 查看ppyoloe_crn_s_300e_coco.onnx的网络结构,浏览器中输入链接:netron.app/,点击Open Model,打开相应的网络模型文件即可。 在这里插入图片描述 查看模型属性,可看到模型的输入输出如下图所示: 在这里插入图片描述 我们发现,该模型有两个输入和两个输出,所以推理时候需要有两个输入,需要用到我们的多输入处理vi,run.vi

  • 可以看到图片输入大小为640x640
  • 第一个输出为8400x6[6分别为classese_id,cofidence,框]

(2)实现过程

  • 读取图片并进行图像预处理(-1到1的归一化) 在这里插入图片描述

  • 初始化一个Vector_Value,新增两个输入tensor(图片及scal_factor) 在这里插入图片描述

  • 加载模型并选择加速类型(cpu、CUDA、tensorRt) 在这里插入图片描述

  • 实现多输入推理 在这里插入图片描述

  • 获取第一层的输出 在这里插入图片描述

  • 进行后处理 在这里插入图片描述

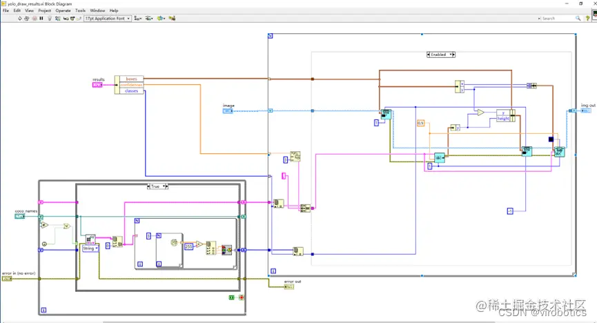
  • 绘制检测出的目标及及置信度 在这里插入图片描述

(3)项目运行

配置本项目所需环境。在文章末尾链接处下载整个项目源码,将我们已经转化好的onnx模型放置到model文件夹中,打开pp_yolo_main.vi,在前面板中修改程序中加载的模型路径为实际模型路径,本项目中已经将PP-YOLOE onnx模型【ppyoloe_crn_s_300e_coco.onnx】放置到了model文件夹中,如需其他模型,读者也可自行放置到model文件及下,实现模型的加载。修改检测图片的路径为实际图片路径,运行程序,可得到目标检测的结果。

  • 主程序源码如下: 在这里插入图片描述

  • 运行结果如下:

在这里插入图片描述 大家也可以检测其他图片来测试检测效果。

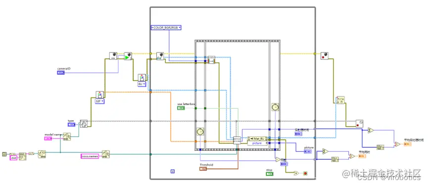
2、LabVIEW调用PP-YOLOE实现实时目标检测ppyolo_camera.vi

实时检测过程,我们可以选择使用CUDA实现推理加速,整个程序的实现过程和加载图片进行检测基本一致。

(1)LabVIEW调用PP-YOLOE实时目标检测源码

在这里插入图片描述

(2)LabVIEW调用PP-YOLOE实现实时目标检测结果

在这里插入图片描述

可以看到使用CUDA进行推理加速,速度还是很快的。


五、完整项目下载链接

链接:blog.csdn.net/virobotics/…

总结

以上就是今天要给大家分享的内容,希望对大家有用。如果有问题可以在评论区里讨论,提问前请先点赞支持一下博主哦,如您想要探讨更多关于LabVIEW与人工智能技术,欢迎加入我们的技术交流群:705637299。进群请备注:LabVIEW机器视觉 我是virobotics(仪酷智能),我们下篇文章见~

**如果文章对你有帮助,欢迎✌关注、👍点赞、✌收藏