m基于FPGA的256点FFT傅里叶变换verilog实现,含testbench,不使用IP核

338 阅读3分钟

1.算法仿真效果

 

本系统进行了Vivado2019.2平台的开发,其中Vivado2019.2仿真结果如下:

1.png

2.png

3.png

 

2.算法涉及理论知识概要

       傅里叶变换(Fourier Transform)是一种重要的信号处理技术,用于将一个时域信号转换为频域表示,分析信号的频率成分。FFT(Fast Fourier Transform)是一种高效的傅里叶变换算法,可以加速傅里叶变换的计算过程。给定一个时域离散信号序列x[n]x[n],其傅里叶变换X[k]X[k]定义为:

 

Tttttttttttttt4444

 

        FFT是一种高效的计算傅里叶变换的算法,可以降低傅里叶变换的计算复杂度。对于长度为N=2mN=2^m的信号序列,其中mm是整数,快速傅里叶变换可以通过分治法和蝶形运算来实现。其中,分治法将信号分为两个子序列,分别进行傅里叶变换,然后通过蝶形运算组合子序列的结果。256点FFT是指将长度为256的时域信号序列转换为频域表示的过程。对于256点FFT,信号序列长度N=256N=256,可以使用快速傅里叶变换算法高效地计算。

 

       基于FPGA的256点FFT傅里叶变换Verilog实现在数字信号处理、通信系统和图像处理等领域有广泛的应用。由于FPGA具有可编程性和并行计算能力,能够高效地实现FFT算法,因此被广泛用于嵌入式系统、通信系统和高性能计算领域。

 

基于FPGA的256点FFT傅里叶变换Verilog实现面临以下几个主要难点:

 

       实现FFT模块需要理解和实现快速傅里叶变换算法,包括蝶形运算和迭代计算过程。算法的正确性和效率对于整个FFT实现的成功至关重要。

 

      在FPGA实现过程中,需要考虑FPGA资源的有限性。因为FFT模块需要大量的计算和存储资源,如何在有限的FPGA资源约束下完成256点FFT的实现是一个挑战。

 

       在FPGA中,时序和并行性是需要重点考虑的问题。FFT模块的时序和并行性设计直接影响整个实现的性能和稳定性,需要仔细调整和优化。

 

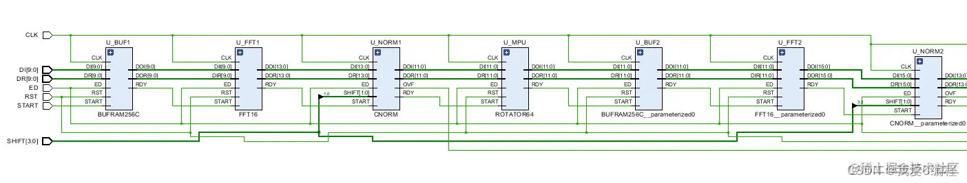
       基于FPGA的256点FFT傅里叶变换Verilog实现是一个重要的信号处理技术,在数字信号处理、通信系统和图像处理等领域有广泛的应用。在FPGA平台上高效地实现256点FFT傅里叶变换。

 

3.Verilog核心程序 ``timescale 1ns / 1ps

 

module TEST();

    

reg i_clk;

reg i_rst;

reg start;  

    

    

    

wire [15 : 0] m_axis_data_tdata;

dds_compiler_0 your_instance_name (

  .aclk(i_clk),                                  // input wire aclk

  .aresetn(~i_rst),                            // input wire aresetn

  .s_axis_config_tvalid(1'b1),  // input wire s_axis_config_tvalid

  .s_axis_config_tdata(32'd10000000),    // input wire [31 : 0] s_axis_config_tdata

  .m_axis_data_tvalid( ),      // output wire m_axis_data_tvalid

  .m_axis_data_tdata(m_axis_data_tdata),        // output wire [15 : 0] m_axis_data_tdata

  .m_axis_phase_tvalid(),    // output wire m_axis_phase_tvalid

  .m_axis_phase_tdata()      // output wire [31 : 0] m_axis_phase_tdata

);

    

wire signed[7:0]Dreal = m_axis_data_tdata[15:8];

wire signed[7:0]Dimag = m_axis_data_tdata[7:0];

    

    

wire signed[27:0]o_fft_abs;

 

    

fft256 fft256_u(

                  .CLK  (i_clk),

  .RST  (i_rst),

  .ED   (1'b1),

  .START(start),

  .SHIFT(4'b0000),

  .DR   ({Dreal[7],Dreal[7],Dreal[7],Dreal[7],Dreal[7],Dreal[7:3]}),

  .DI   (0),

  .RDY  (),

  .OVF1 (),

  .OVF2 (),

  .ADDR (),

  .o_fft_abs  (o_fft_abs)

  );

 

initial

begin

i_clk = 1'b1;

i_rst = 1'b1;

start = 1'b0;

#1000

i_rst = 1'b0;

start = 1'b1;

#10

start = 1'b0;

end  

    

always #5 i_clk=~i_clk;

    

endmodule`